Thread: 70V too much for my motors?
Threaded View
-
01-07-2016 #1
Hi, I have tried to find out what voltages my motors (and others in general) can handle, but can not say I feel any smarter. So I resort to the gurus!
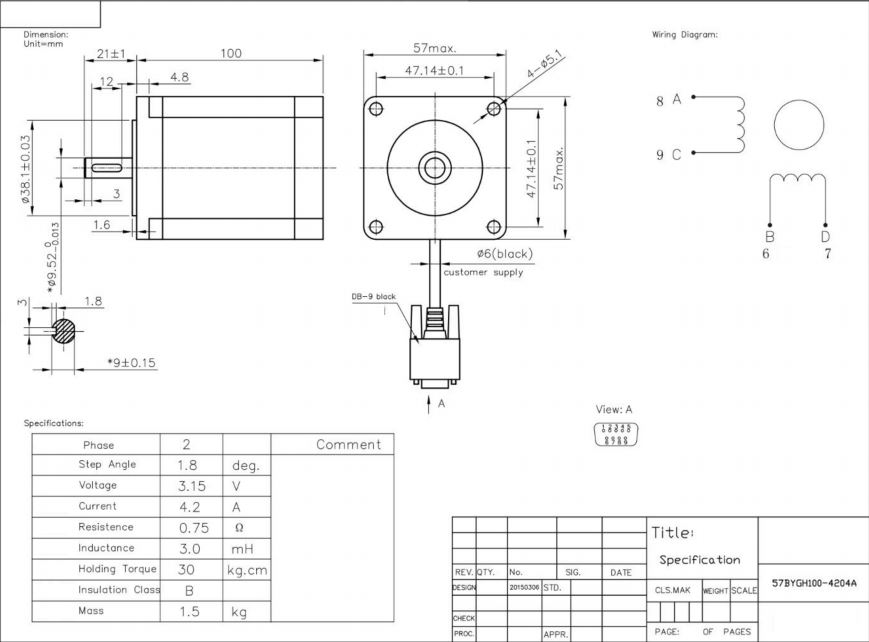
Couple of years ago before I knew anything at all, and this forum was way far into the future to be discovered, I bought 4 motors kit from cncrouterparts.com
They were bought because they were recommended by someone knowing a little more than me, and the fact they had low inductance. It had to be good enough for my 6040 engraver.
Now a new machine have emerged out of scraps and parts from distance parts of the world. And I want to get the most out of them.
The question is, should I go ahead and build a linear power supply that gives 70VDC and 12A? Will these motors run on that voltage? From my limited understanding, it is the amperage that burns them? (As in incorrectly configured drivers maybe?)
I appreciate any input!
Thread Information
Users Browsing this Thread
There are currently 1 users browsing this thread. (0 members and 1 guests)
Similar Threads
-
Spindle motors resonable options
By Web Goblin in forum Spindles & Drive MotorsReplies: 15Last Post: 20-11-2016, 03:31 PM -
Difference between these two motors?
By Rogue in forum Stepper & Servo MotorsReplies: 8Last Post: 29-10-2012, 08:58 PM -
Help with Stepper Motors
By Scott in forum Stepper & Servo MotorsReplies: 8Last Post: 04-04-2010, 02:35 PM -
help with motors
By soyeb in forum Motor Drivers & ControllersReplies: 1Last Post: 27-12-2009, 10:23 PM -
motors in the UK
By sensph in forum Stepper & Servo MotorsReplies: 12Last Post: 28-08-2008, 11:30 PM



Reply With Quote
Bookmarks