Hybrid View
-
27-04-2019 #1
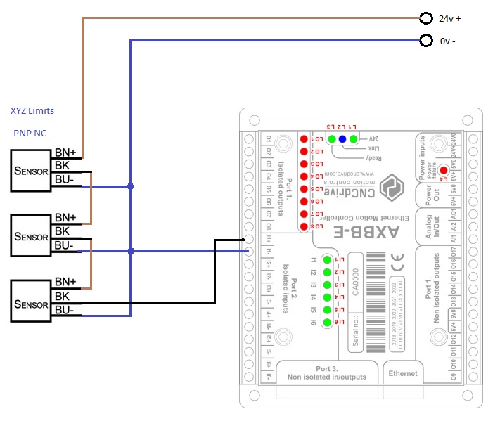
Can someone take a look at my quick sketch for proximity limit switche wiring please.
I have PNP NC switches so I believe I will need to wire in series for the limits to trigger. I want X, Y and Z all on one input for the Limits and I used normally closed as I believe they are safer as if a circuit is broken it will trigger the input.
Does the circuit look right?
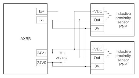
For reference, this is how the AXBB_E manual shows to wire the PNP sensors in parallel but that is not suitable for normally closed switches.
Cheers,
Charlie
-
28-04-2019 #2
your wiring of the PNP N/C switches to the AXBB_E looks correct to me
having both the + & - terminals of the AXBB_E opto-isolator inputs free to wire as required
makes it easy to use the PNP N/C switches
John
-
The Following User Says Thank You to john swift For This Useful Post:
-
28-04-2019 #3
-
06-05-2019 #4
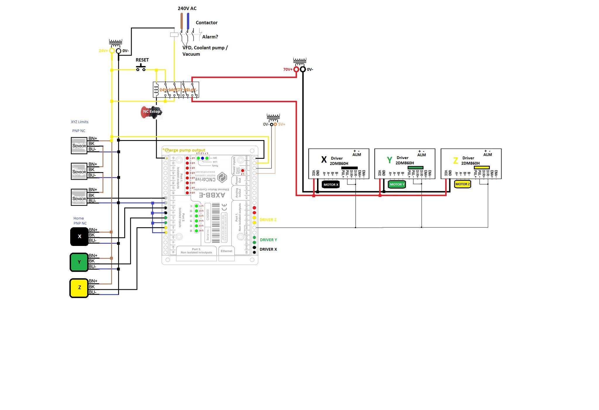
Is anybody willing to take a look at my wiring schematic....more specifically the safety relay and contactor. I'm not sure if I am understanding it correctly! I am planning on using the normally closed contactor as part of the alarm but I'm not sure how to integrate it with the drive alarms, or is that not advisable? This is some confusing stuff

I have the charge pump output of the AXBB-E to a NC e-stop switch then into the 0v- relay with a momentary switch latching circuit on the positive side going to 24v. Then one pole powers the contactor to switch the 240v to the VFD, Coolant and Vacuum. Another pole connects the 70v side of the toroidal transformer to power the steppers.
-
08-05-2019 #5
Anyone?
-
08-05-2019 #6
just had a look at the 2DM860H and the power supply terminals are marked as AC input
(the 2DM860 appears to be a version of the 2DM860H with a DC supply input )
your diagram shows the power supply as a DC supply
check the relay can break the DC supply current
otherwise you may find the DC current either burns the contacts due to the arc jumping across the contacts or welds them closed
( the arc when a switch breaks an AC current will be extinguished as the mains voltage drops to zero 100 times per second )
usually switching the DC supply to a stepper driver it is not recommended your likely to damage the driver(s)
I expect the drivers with an AC supply input will have a smoothing capacitor after the bridge rectifier that's large enough to absorb the back EMF when a DC supply is disconnected
JohnLast edited by john swift; 08-05-2019 at 11:45 PM. Reason: add ref to smoothing capacitor in 2DM860H driver
-
02-06-2019 #7
Question for anyone that knows, i have now bought a contactor to control the 240v side or the toroidal power supply. The coil is 24v and it is wired up and functioning but it seems to get very hot! I have disconnected the 240v to verify its the coil side that is hot and it is so my question is whether this is normal? I first noticed it when I smelt it!
Sent from my SM-G920F using Tapatalk
-
02-06-2019 #8
It should not run that hot
double check your not connecting 24V DC to a 24V AC coil !
which contactor do you have ?
John
-
The Following User Says Thank You to john swift For This Useful Post:
-
02-06-2019 #9
Yes I have seen that before. 😡
..Clive
The more you know, The better you know, How little you know
-
02-06-2019 #10
The resistance of a 24V AC coil is too low to limit the current to a safe level when its connect to 24V DC
Connecting a DC coil to AC will reduce the current and may not pull in the contactor
and the eddy currents in the magnetic core heat the core
(usually laminated cores for AC & solid for DC)
Its a few year ago I last bought contactors from RS conponents
The klockner moeller contactors I bought had 48V dc coils ,
I clipped 2 contactors onto a mechanical interlock for 3 phase motor direction control
(to make it impossible for both contactor to make a connection )
From what I remember the coils available was
24V DC , 48V DC , 24V AC , 48V AC , 110V AC , 240V AC or 420V AC
JohnLast edited by john swift; 02-06-2019 at 11:21 PM.
Thread Information
Users Browsing this Thread
There are currently 1 users browsing this thread. (0 members and 1 guests)
Similar Threads
-
Wiring home and limit switches
By Lee Roberts in forum General ElectronicsReplies: 24Last Post: 18-11-2023, 06:14 PM -
Wiring Limit Switches, and can it be done with my control box?
By ravihotwok in forum General DiscussionReplies: 8Last Post: 22-06-2017, 11:23 PM -
Wiring 3 wire proximity switches in series
By mikem in forum General ElectronicsReplies: 6Last Post: 02-05-2016, 09:33 AM -
Wiring limit switches
By Janste in forum Spindles & Drive MotorsReplies: 4Last Post: 10-02-2015, 10:37 AM -
Proximity Sensors as Limit Switches ?
By Lee Roberts in forum General ElectronicsReplies: 5Last Post: 03-10-2009, 07:04 PM



Reply With Quote

Bookmarks