Threaded View
- 
	24-03-2017 #1Hi! 
 I’m looking at 2 different drivers for a 8,2Nm Nema 34 stepper.
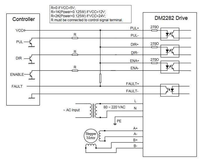
 Options are the Leadshine Am882 or DM2282.
 
 I calculated the maximum stepper voltage to 66V. (8 wire, 4,2mH, 6,4 A in Bipolar parallel.)
 The PSU that I would build for it would give about 75V, I guess it won’t hurt but... (Writing this made me see that the DM2282 seem to be the better choice all things considered.) 
 
 One question remain. I haven’t really got what the output voltage to the stepper would be using the Leadshine DM2282 mains driver??
 
Thread Information
Users Browsing this Thread
There are currently 1 users browsing this thread. (0 members and 1 guests)
Similar Threads
- 
  Connecting 2.2kw vfd to Mains supplyBy the great waldo in forum Spindles & Drive MotorsReplies: 20Last Post: 26-05-2016, 09:39 PM
- 
  Mains power supply? How have you done it?By gary_808 in forum Gantry/Router Machines & BuildingReplies: 11Last Post: 01-02-2015, 04:45 PM
- 
  HPGL driver outputBy 2006Nobull in forum Computer SoftwareReplies: 6Last Post: 07-10-2012, 08:49 PM
- 
  Mains, PSUs and other goodies.By Rogue in forum General ElectronicsReplies: 50Last Post: 28-08-2012, 12:37 PM
- 
  2M2280N High Voltage Stepper DriverBy Robin Hewitt in forum Motor Drivers & ControllersReplies: 19Last Post: 14-11-2009, 08:43 AM
 
                


 
						
					 
					
						 
		 
		 
 
				
				
				
					 Reply With Quote
  Reply With Quote
Bookmarks