Hybrid View
-
12-04-2017 #1
Hi guys,
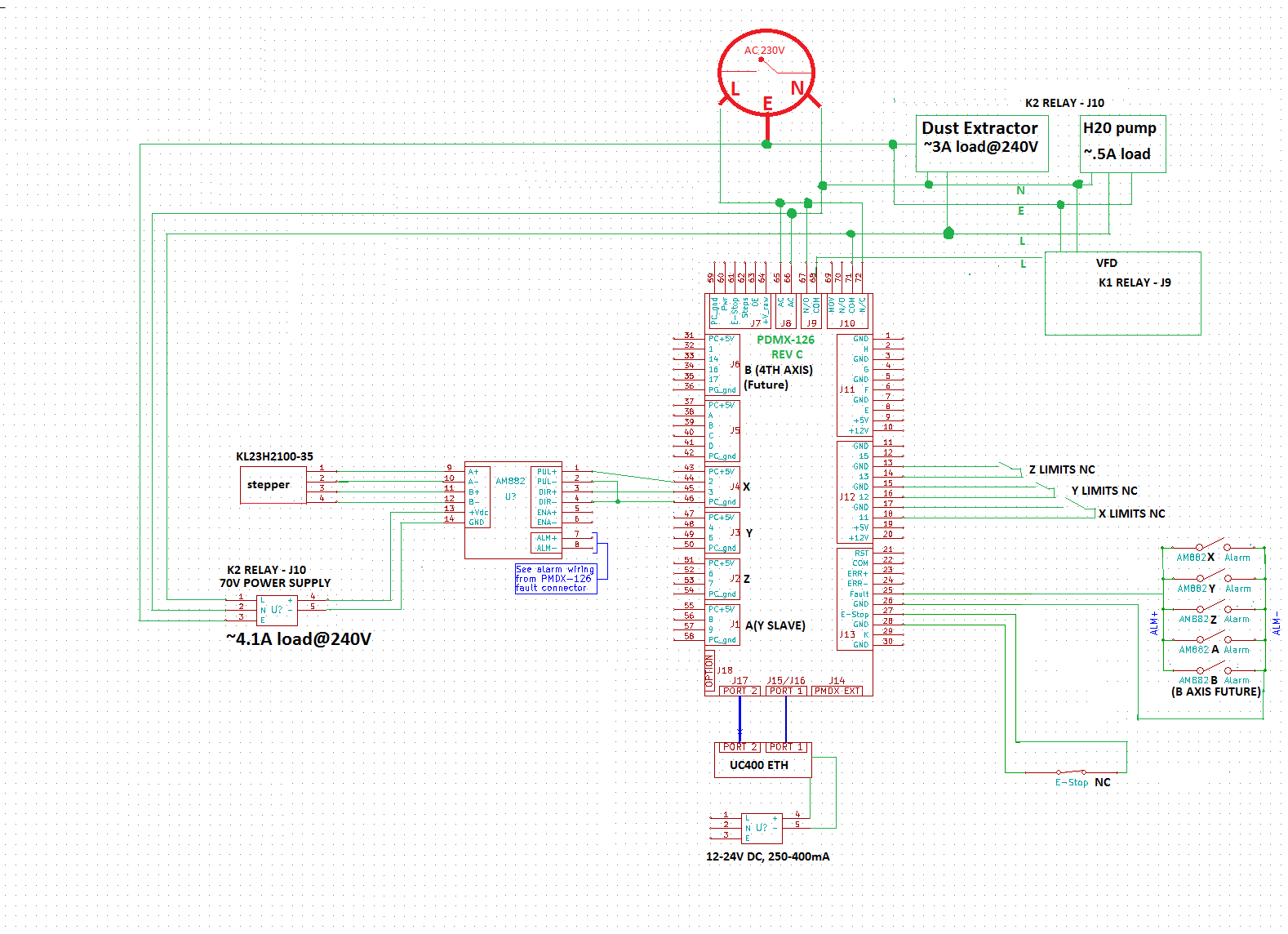
I am upgrading the electronics on my G540 driven CNC/Router, and need a little assistance with interface between the AM822 error signal, and the PMDX126 error/e-stop connectors.
On the PMDX 126 BoB, it says use connector J13 as below:
1 GND
2 'K' ( input or machine hold )
3 GND
4 E-Stop ( disables the outputs and relays on the PMDX board )
5 GND
6 Fault ( Fault Input ( Active Low) )
7 ERR- ( External ( Gecko, etc ) drive error input negative
8 ERR+( External ( Gecko, etc ) drive error input positive
9 COM ( Common Terminal for Restart Output )
10 RST ( restart output)
Now the Alarm output of the AM822 is:
Alarm signal: OC output signal, activated when over-voltage, over current,
under-voltage, phase-error and stall-error protection. Output polarity can be
programmable. 30V@100mA
So - I had a look at AM822 provided picture for Open Collector and PNP signal, and it makes no sense to me, they have pulse +, Dir +, and ENA + coming from BoB, then they daisy together Pul-, Dir-, ENA-, to the ALM-, going to a controller ground, with resistors fitted where VCC = 12 or 24, but no resistors if VCC = 5 Volts. Given I am not planning on using the ENA+ signal, I would just skip pluggin in the ENA on both accounts, but Do I then Run the ALM -, and daisy chain them together for the 5 different drivers into one line, and then go to the ERR-, or fault, terminal? Is this Common Cathode connection - anything to do with Active high signal, or is that setup seperately to having a common cathode or anode?
The confusing thing is that the AM822 page has the ALM+ signal, going to the ALARM on the Controller, but also the ALM- going to a ground on the controller. SO should all the ALM+ be in series or paralell and go to the ERR+, with the ALM- link together to say pin 5 GND?
Should the PDMX 126 be setup as ( PNP SIGNAL) or Anode? for the motor connectors, as it would seem either can be done?
Confused as hell!
Nick
-
12-04-2017 #2
We'll start with the basics.
Open collector outputs essentially work the same as a switch. As it's a switch done electronically, the output is polarity sensitive, hence the + and -.
The PNP example given for such output, simply means you are switching the high/positive side, as you would if using a PNP transistor to do the switching.
I'm guessing there is a NPN example as well, which simply means you are switching the low/0V side, as you would if using a NPN transistor.
In terms of drive inputs (Pulse, Dir, and Enable), think of each input + & -, as having a LED/bulb/anything that needs power to light up attached (this is what an opto is!). For it to work, you need to complete that circuit, and makes sure power is getting into that circuit.
As you have access to both the + & - independently for each input, it gives lots of flexibility compared to something such as a Gecko drive, which internally connect all + or - together (whether it's + or - varies between drives). What you have to do, is ensure each input + gets supplied with a suitable voltage, and each input - gets connected to 0V.
Ignoring the fact these inputs can be driven with a full differential signal, that leaves three options. NPN, PNP and OC.
NPN - connect the + to the voltage source, and - to the controller NPN output.
PNP - connect the - to 0V, and the + to a controller PNP output (would typically be called a TTL output, if the controller is providing the voltage).
OC - there are two options for this. Connect voltage source to the controller OC output +, then the controller OC - output to the drive input +, then the drive input - to 0V. This method switches the positive voltage going to the drive, and the alternative is you swap the controller output, and drive input around in the circuit, so you are now switching the negative side of the drive input.
Now in terms of the outputs (aka the Alarm), the same principles apply, just the controller and drive are swapped around in the above examples.
However, you need to decide if you're going to use active on alarm, or inactive on alarm. Using active on alarm, you need to wire all drive alarm signals in parallel, so any single drive faulting will connect the + and -, completing the alarm circuit.
If you use inactive on alarm, everything has to be wired in series, so any single drive faulting will break the alarm circuit.Avoiding the rubbish customer service from AluminiumWarehouse since July '13.
-
13-04-2017 #3
Thanks, but it's still not clear in my mind regarding physically hooking up the ALARM+ and _. Just looking at the ALM+/_ as a single issue.
On the PDMX126 there is a Fault-Active LOW pin amongst the e-stop pin and a few GND's. So I will setup all the AM882's to go fault Active low in the AM882 software. Then I connect all the ALM+, ALM- , ALM +ALM- together in series, from the last ALM- goto the GND pin on controller that's next to fault pin, and from Fault pin goto ALM+ for the first drive. Where is the signal coming from because the Fault pin is an INPUT active low? Does the AM882 make it's own fault signal, or does it just ground a signal that needs to already be there?
If I look at the AM882 schematic in both cases they have the PUL+signal connected to the ALM+ signal. Is this the source for the voltage? what happens between the pulses ie - can't the pulse naturally drop to zero which would trigger the ALM active low, just because the pulse is low?
If I have to connect a PUL+ to the ALM+, do I only do that before the first driver, as it is now effectively powering the series chain of all the ALM+/_'s. Can't this create an issue if Pul+ gets grounded to another driver when the other driver faults?
Then also - If I am daisy chaining the PUL-/DIR- to GND, should that be done seperately for each drive, or can I daisy chain all of them together also and then plu into any GND on the PDMX 126?
The AM882 schematic has all the PIL'DIR/ENA/ALM -, all connected together, then all going to earth - but on the PDMX I have earths in the J13 ( e-stop area ) and I also have individual PC GNDfor each of the driver setp/dir signals, so I figured that the DIR/SteP- should go together to their respective VCC GND, and the ALM- with be seriesed and then run to a GND in the Fault area ( J13 )
These are the bits I need explained. as far as using the fault pin, I could use the ERR+, and ERR-, but really have no idea on what the difference between that is, and using the Fualt pin.
Nick
-
13-04-2017 #4
I've just looked at the PMDX-126 manual.
The fault input should be left floating (aka unconnected) so everything gets enabled. To trigger the fault input/disable outputs, it has to be connected to 0V/Gnd.
For that to work with your drives, they need to be left in the default alarm output (active on alarm i.e. the + & - get connected on alarm), and then wired in parallel to the Fault input (all ALM+ to Fault input, and all ALM- to 0V/Gnd).
Regarding daisy chaining the Pul/Dir, I would personally do that at the BOB end, and use twisted pair/shielded wiring to minimise the risk of interference. The Enable signal is not as sensitive to noise, so I wouldn't worry about simply daisy chaining the Enable wiring across all the drives, if that was easier for wiring.
From what I understand from the manual, the Fault input once pulled low, disables everything, including the E-stop signal to the PC. The Error input doesn't disable anything, but triggers the E-stop input to the PC for 1 second, so is reliant on the PC disabling things.
The benefit of using the Error input, is if the drives allow re-enabling after a fault without needing their power supply cycled (i.e. turned off until the drives fully power down, and turned back on again), then resetting the E-stop via Mach and re-activating the drive enable signals should mean everything powers up again without the need for a power cycle. I know EM drives have the option to re-enable simply by disabling/enabling the enable input without a power cycle, but it has to be set via software.
The disadvantage being it is reliant on the PC handling the E-Srop.Avoiding the rubbish customer service from AluminiumWarehouse since July '13.
-
14-04-2017 #5
Ok - So I'm going to connect all ALM+ in Parallel to the Fault pin, and then all ALM- in Parallel to the GND pin next to Fault.
By my reading of the manual - the ENA + and - , is in the Enabled state by default as long as it is disconnected. ( Ie - I'm going to leave these pins not connected to anything = drive enabled )
For the Fault signal, my understanding is that Fault signal functions the same as the E-stop signal once it is active - as you mentioned. In that PDMX will disable all of it's own outputs, ( servo drivers, Relays, as well as signal to PC on PIN10 that the e-stop has been tripped). That then halts the operation on the PC and places my UCCNC software in reset active mode - which turns off the watchdog timer, which in turn backs up the PDMX in getting it to turn off outputs in the case the PDMX internal E-stop circuit fails to turn outputs off. ( In this state the AM882 drive signals should be unpowered - including the ALM+ and _ , and the PDMX has returned to Off due to watchdog timer not active? )
I then click on the software reset, which should effectively turn on the PDMX when watchdog becomes active again. Then I Home the axis to get rid of missed steps, turn on the spindle / coolant, and Run from a few lines before the fault freeze. - That's my plan. I was wanting to run the spindle power through the PDMX larger relay so that the spindle turns off, but I don't know of that's the right thing to do as it will cycle power to the inverter when the spindle is a full speed. - Maybe there is a better way like an e-stop that I can wire into the VFD. I did want to use the smaller PDMX relay to drive my spindle water pump, and also the dust extractor so that if a fault is detected, effectively everything turns off.
On a side note - is there any benefit to setting up the AM882 to run using a common PC+5V vs, the other way with the common PC-gnd? On the PDMX manual it has a pic with typical connection for leadshine, showing the Common +5V PC as the setup.Which one should I choose?
-
14-04-2017 #6
I'm assuming disabling the outputs will also cut power to the stepper drives?
If it doesn't, the drives will remain in fault until the power is disabled.
VFD wise, cutting power is fine, provided the power is cut cleanly, however the spindle could still continue to run for a few seconds afterwards depending on how quickly the internal capacitors discharge to the point the VFD faults out due to under voltage. The easiest option is to have the forward/reverse/run disconnect instantly, which they should do if they're wired to PMDX outputs, but also have the input power cut at the same time. That way the VFD should have things stopped, before it runs out of power.
From a practical point, there should be no noticeable difference between using a common +5V or common 0V/Gnd.
The main thing is to use suitable wiring to eliminate/minimise noise, which could cause lost/gained steps.Avoiding the rubbish customer service from AluminiumWarehouse since July '13.
Thread Information
Users Browsing this Thread
There are currently 1 users browsing this thread. (0 members and 1 guests)
Similar Threads
-
CSMIO-IP/S Driving Relays directly
By cropwell in forum CS-Lab (CSMIO)Replies: 10Last Post: 02-01-2017, 01:40 AM -
Which PSU and drivers do I need ?
By eurikain in forum General ElectronicsReplies: 10Last Post: 18-08-2015, 11:44 AM -
not enough current for relays?
By Boyan Silyavski in forum General ElectronicsReplies: 17Last Post: 17-08-2015, 10:05 AM -
FOR SALE: pdmx 107 spindle speed control board
By dazza in forum Items For SaleReplies: 0Last Post: 08-05-2014, 02:58 PM -
question about relays
By frankman in forum General ElectronicsReplies: 3Last Post: 23-01-2012, 07:47 AM



Reply With Quote

Bookmarks