Thread: Homing with proximity sensors
-
18-12-2017 #1
I'm very new here and I have a very small router ready for the electrical part of the build process to begin.I have used a number of industrial CNC routers which all used proximity sensors for determining the home position of the axes.They seem to be fairly inexpensive items and I have seen how consistent they can be.What does it take to connect them to a breakout board and would I have to create a homing routine for use with LinuxCNC? Come to that,should I ask the question on that Forum?
-
18-12-2017 #2
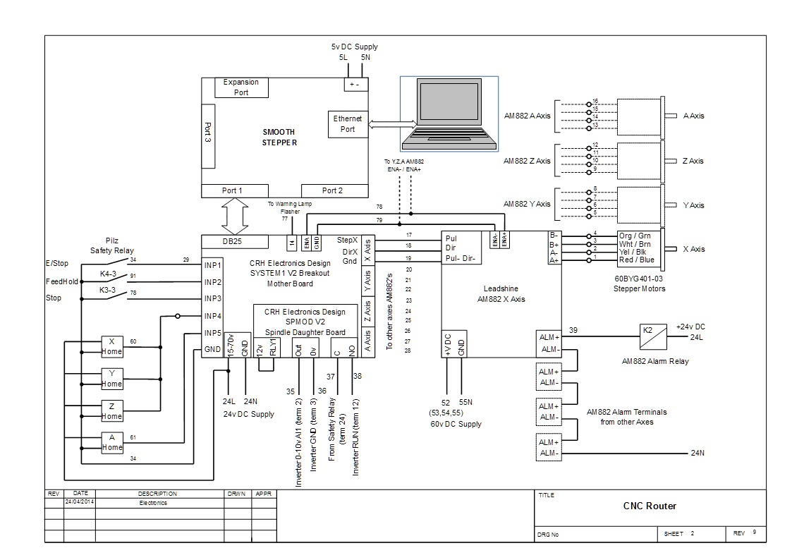
I used those type for home position, the drawing shows how they were connected.
3 wire type working from 24v DC
This is the mounting arrangement, you want the striker to move past them, not up against them.
http://www.mycncuk.com/threads/6565-...6428#post56428Spelling mistakes are not intentional, I only seem to see them some time after I've posted
-
The Following User Says Thank You to EddyCurrent For This Useful Post:
-
19-12-2017 #3..Clive
The more you know, The better you know, How little you know
-
The Following User Says Thank You to Clive S For This Useful Post:
-
19-12-2017 #4
This is clearly a forum populated by knowledgeable people and I thank you for your helpful advice.I clearly have some homework to do regarding the hardware and I may well be seeking further guidance before too long.
-
19-12-2017 #5
No prob. start here http://linuxcnc.org/docs/2.7/html/ge...-linuxcnc.html latest version is 2.7.11
If you need to home a router with twin screws and two motors on one axis then you will need the version 2.8 master but that is not main stream yet but will work well. This would allow you to home the two motors independently.
If you have two screws and one motor then go for 2.7.11..Clive
The more you know, The better you know, How little you know
Thread Information
Users Browsing this Thread
There are currently 1 users browsing this thread. (0 members and 1 guests)
Similar Threads
-
Help with proximity sensors
By D-man in forum General ElectronicsReplies: 18Last Post: 14-04-2016, 11:36 PM -
FOR SALE: Inductive proximity sensors
By Web Goblin in forum Items For SaleReplies: 0Last Post: 26-01-2016, 06:05 PM -
FOR SALE: Proximity sensors
By Web Goblin in forum Items For SaleReplies: 5Last Post: 13-09-2014, 08:02 AM -
Proximity Sensors / Mach3 not showing
By dudz in forum General ElectronicsReplies: 21Last Post: 15-06-2013, 08:47 AM -
Proximity Sensors as Limit Switches ?
By Lee Roberts in forum General ElectronicsReplies: 5Last Post: 03-10-2009, 07:04 PM

Reply With Quote


Bookmarks