Thread: Control box rebuild
Hybrid View
-
21-05-2018 #1
-
21-05-2018 #2
yeah as its all in a wooden box the wires from the drivers to the motors are the only things earthed for the shielding.
If I ground everything would that help with the interference?
-
21-05-2018 #3
ok had done some reading and going to ground my components tonight and replace some wires with shielded wiring and see if that works as I've just read a few threads in regards to this issue and it all boiled down to shielding and earthing component's.
-
21-05-2018 #4
that will explain the problems
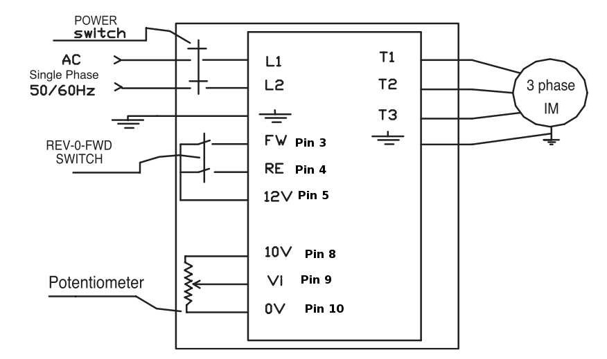
I can not see an earth connection to the VFD
John
-
21-05-2018 #5
Just a thought, I've got enough shielded cable for replacing the external leads to the motors from the 4 pin plugs via the control box, how do I ground this part of the cable or is it shielded via the internal wires that connect the drivers to the 4 pin plugs as I grounded them? do I attach it to part of the cnc frame?
-
The Following User Says Thank You to Palletlad For This Useful Post:
-
21-05-2018 #6
with 4 pin connectors you would have to connect the earth / screen to the shell of the 4 pin chassis plug
and then the cable screen to the shell of the 4 way inline socket
John
Thread Information
Users Browsing this Thread
There are currently 1 users browsing this thread. (0 members and 1 guests)
Similar Threads
-
REBUILD: Hardinge HC rebuild
By northumbrian in forum Lathe Rebuild LogsReplies: 29Last Post: 21-02-2017, 12:07 PM -
Centec 2A rebuild
By Web Goblin in forum Gantry/Router Machines & BuildingReplies: 3Last Post: 02-04-2013, 08:41 PM -
REBUILD: Blomqvist lathe rebuild
By Web Goblin in forum Lathe Rebuild LogsReplies: 9Last Post: 21-09-2012, 06:52 PM -
Stepper Driver Rebuild
By fidia in forum Motor Drivers & ControllersReplies: 0Last Post: 25-05-2011, 02:44 PM -
NEW MEMBER: New member wants to rebuild.
By black5f in forum New Member IntroductionsReplies: 2Last Post: 21-06-2010, 11:38 PM



Reply With Quote

Bookmarks