Hybrid View
-
28-04-2019 #1
Hello
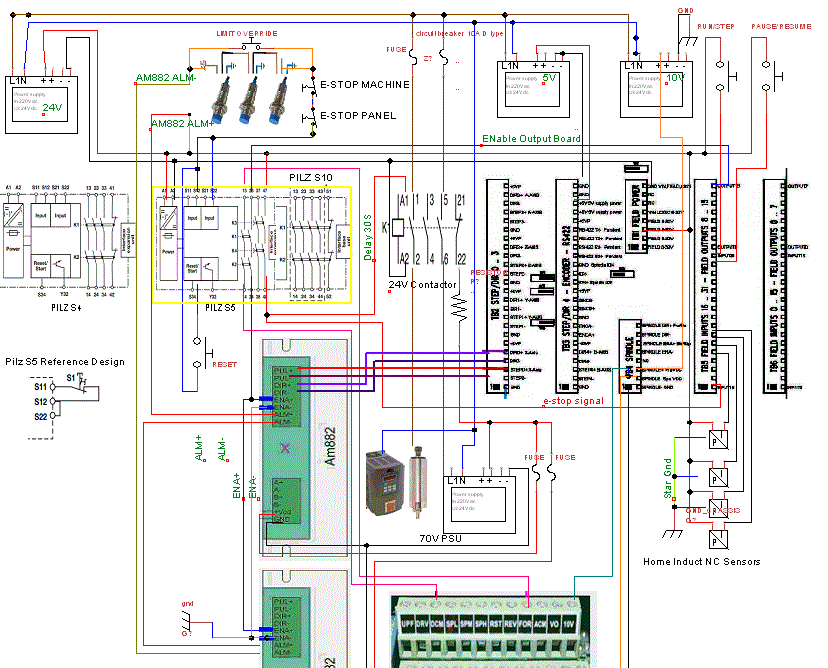
I ve still the problem of connecting the am882 alarm with a pilz if you have an idea it can help
Thanks
-
29-04-2019 #2
I am sorry to hear that, I hope the help come soon!
-
01-05-2019 #3
Have a look here;
http://www.mycncuk.com/threads/6565-...2213#post52213
Then I found the alarms were wired incorrectly and changed it here;
http://www.mycncuk.com/threads/6565-...7622#post57622
This all works well now.Last edited by EddyCurrent; 01-05-2019 at 02:57 PM.
Spelling mistakes are not intentional, I only seem to see them some time after I've posted
Thread Information
Users Browsing this Thread
There are currently 1 users browsing this thread. (0 members and 1 guests)
Similar Threads
-
Wiring up the Alarm output on Leadshine AM882
By Shinobiwan in forum Motor Drivers & ControllersReplies: 42Last Post: 01-08-2017, 02:07 AM -
AM882 Alarm and Enable Signal Question
By Gotty101 in forum Motor Drivers & ControllersReplies: 2Last Post: 24-11-2015, 11:07 PM -
First CNC build - VFD wiring question
By Bez in forum Gantry/Router Machines & BuildingReplies: 15Last Post: 06-03-2015, 10:44 PM -
Pilz Relay info
By manofgresley in forum General ElectronicsReplies: 5Last Post: 08-05-2014, 10:16 PM -
AM882 Alarm Circuit
By Wobblycogs in forum General ElectronicsReplies: 8Last Post: 28-03-2014, 06:06 PM



Reply With Quote

Bookmarks