Hybrid View
-
14-10-2018 #1
I have a nice Harrison M300 lathe, which I have fitted a single phase motor to.
I'd like to use all the exisiting switchgear, brake, fwd/rev lever etc.
Looking at the schematics, the contactor coils appear to run from 110v which is derived from a small transformer. This transformer has different input taps but not one for 240v, so if I replace the transformer with a 240 to 110, I should be able to use the exisiting switchgear with the single phase motor?
I haven't look at motor reversing in detail yet, but I am assuming this will need some re-wiring of the fwd/rev contactors.
Anyone else done this?
Cheers!
-
14-10-2018 #2
Without spending too much time on the schematic - yeah, looks to be picking a supply off two phases and transforming this to 110V (if the markings on the schematic are to be believed - no reason not to). So, yeah, get a 220-110V transformer of sufficient rating - it'll be right.
Reversing a single-phase motor is a case of reversing the starter windings. The usual three-position motor switches (On-Off-Reverse) provide the necessary switchgear.
-
The Following User Says Thank You to Doddy For This Useful Post:
-
15-10-2018 #3
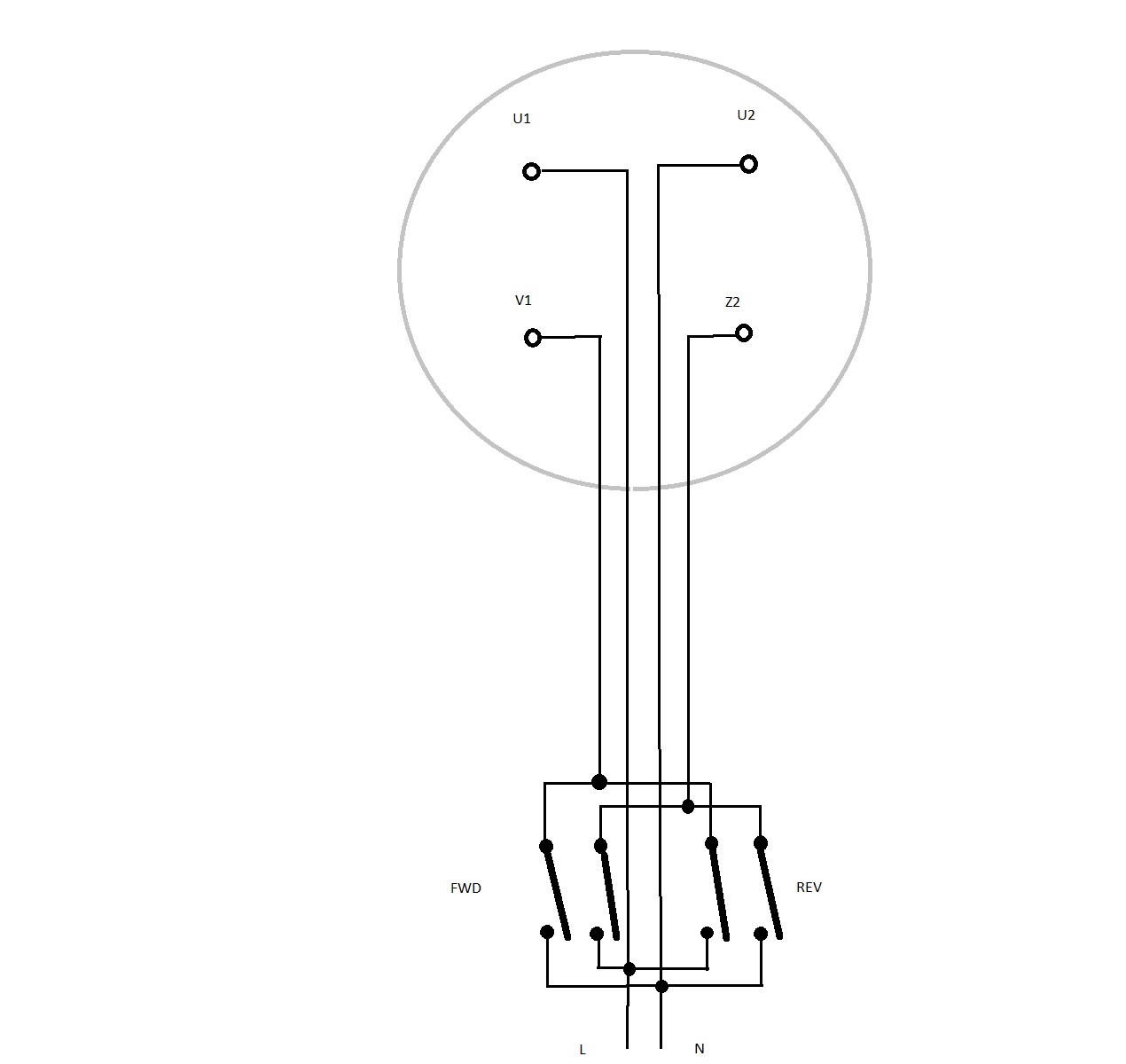
So this is what I think I need to reverse the single phase with the two contactors I have in the machine:
I took the lamp off, built like it's designed to survive a direct nuclear strike! Massive cast box with a 415v to 50v transformer, 4 fuses and isolator.
I'm sure I can replace with something simpler...
-
15-10-2018 #4
The schematic - yup, though I'd be interested in the 1c1/1c2 arrangement - these are contactors?, what actuates these? a mechanical forward/stop/reverse switch? in which case this can be re-used - which is what I think you're after?
The other thing is to look to see if you can only energise the start coil whilst the run coil is energised - again, can be done with the 1c1/1c2 arrangement, depending on it's behaviour.
-
15-10-2018 #5
My bad - 1C1/1C2 are the relays shown at the bottom of the schematic?
Then use two pairs of the 1c1/1c2 contacts to provide the change-over for the start coil, and the remaining contact for both 1c1 and 1c2 wired in parallel to provide the live supply to the motor run coil.Last edited by Doddy; 15-10-2018 at 04:46 PM.
-
15-10-2018 #6
Yes, 1c1 and 1c2 are the fwd/rev contactors operated by microswitches which are in turn operated by the motor control lever on the carriage. See bottom of schematic. Obviously they are never both closed!
You're right, I can use the third pair of contacts to switch the run coil on/off, which I haven't shown in my sketch.
Cheers!
-
15-10-2018 #7
-
07-06-2021 #8
Hi all.
I have a similar question regarding single phase to 3 phase 240v/415v with an xsy-at1 VFD inverter. My 415v 5hp motor 4kw 7.3A is wired in delta for the 240v supply that I have. I am struggling to get it running properly as I’m not sure exactly what the parameters need to be set to or even which ones. Any help from someone would be much appreciated
Thanks
Kirk
Thread Information
Users Browsing this Thread
There are currently 1 users browsing this thread. (0 members and 1 guests)
Similar Threads
-
FOR SALE: Denford Triac VMC with ATC / Servos / Mach 3 / Single Phase / CS Labs
By Chaz in forum Items For SaleReplies: 10Last Post: 28-08-2017, 10:15 PM -
FOR SALE: Interwood/Watford overhead router single phase £840
By rainboweyes in forum Items For SaleReplies: 0Last Post: 14-10-2016, 10:31 PM -
single and 3 phase motor sizing and mounting ?
By Musht in forum General ElectronicsReplies: 5Last Post: 27-10-2013, 09:58 PM -
Big single phase servos and drivers
By m_c in forum Stepper & Servo MotorsReplies: 0Last Post: 04-09-2013, 01:18 AM -
convert 3 phase to single phase?
By D-man in forum General ElectronicsReplies: 10Last Post: 06-04-2013, 12:16 AM



Reply With Quote


Bookmarks