-
14-10-2018 #1
I have a nice Harrison M300 lathe, which I have fitted a single phase motor to.
I'd like to use all the exisiting switchgear, brake, fwd/rev lever etc.
Looking at the schematics, the contactor coils appear to run from 110v which is derived from a small transformer. This transformer has different input taps but not one for 240v, so if I replace the transformer with a 240 to 110, I should be able to use the exisiting switchgear with the single phase motor?
I haven't look at motor reversing in detail yet, but I am assuming this will need some re-wiring of the fwd/rev contactors.
Anyone else done this?
Cheers!
-
14-10-2018 #2
Without spending too much time on the schematic - yeah, looks to be picking a supply off two phases and transforming this to 110V (if the markings on the schematic are to be believed - no reason not to). So, yeah, get a 220-110V transformer of sufficient rating - it'll be right.
Reversing a single-phase motor is a case of reversing the starter windings. The usual three-position motor switches (On-Off-Reverse) provide the necessary switchgear.
-
The Following User Says Thank You to Doddy For This Useful Post:
-
15-10-2018 #3
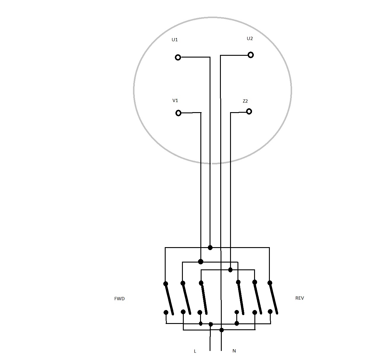
So this is what I think I need to reverse the single phase with the two contactors I have in the machine:
I took the lamp off, built like it's designed to survive a direct nuclear strike! Massive cast box with a 415v to 50v transformer, 4 fuses and isolator.
I'm sure I can replace with something simpler...
-
15-10-2018 #4
The schematic - yup, though I'd be interested in the 1c1/1c2 arrangement - these are contactors?, what actuates these? a mechanical forward/stop/reverse switch? in which case this can be re-used - which is what I think you're after?
The other thing is to look to see if you can only energise the start coil whilst the run coil is energised - again, can be done with the 1c1/1c2 arrangement, depending on it's behaviour.
-
15-10-2018 #5
My bad - 1C1/1C2 are the relays shown at the bottom of the schematic?
Then use two pairs of the 1c1/1c2 contacts to provide the change-over for the start coil, and the remaining contact for both 1c1 and 1c2 wired in parallel to provide the live supply to the motor run coil.Last edited by Doddy; 15-10-2018 at 04:46 PM.
-
15-10-2018 #6
Yes, 1c1 and 1c2 are the fwd/rev contactors operated by microswitches which are in turn operated by the motor control lever on the carriage. See bottom of schematic. Obviously they are never both closed!
You're right, I can use the third pair of contacts to switch the run coil on/off, which I haven't shown in my sketch.
Cheers!
-
15-10-2018 #7
-
15-10-2018 #8
-
15-10-2018 #9
-
16-10-2018 #10
Thread Information
Users Browsing this Thread
There are currently 1 users browsing this thread. (0 members and 1 guests)
Similar Threads
-
FOR SALE: Denford Triac VMC with ATC / Servos / Mach 3 / Single Phase / CS Labs
By Chaz in forum Items For SaleReplies: 10Last Post: 28-08-2017, 10:15 PM -
FOR SALE: Interwood/Watford overhead router single phase £840
By rainboweyes in forum Items For SaleReplies: 0Last Post: 14-10-2016, 10:31 PM -
single and 3 phase motor sizing and mounting ?
By Musht in forum General ElectronicsReplies: 5Last Post: 27-10-2013, 09:58 PM -
Big single phase servos and drivers
By m_c in forum Stepper & Servo MotorsReplies: 0Last Post: 04-09-2013, 01:18 AM -
convert 3 phase to single phase?
By D-man in forum General ElectronicsReplies: 10Last Post: 06-04-2013, 12:16 AM

Reply With Quote


Bookmarks