Thread: 2HSS86H Driver... AC or DC PSU?
-
13-09-2018 #1
Hi!
I’m currently in "PSU build mode".
My drivers (JMC 2HSS86H) can be run with 24-70V DC or 30-100V AC.
Whats the pros and cons by running them on AC?
Would the PSU look the same, with capacitors but without the rectifier?
I´ve got 4 drivers and 4 motors. 3 Nm Hybrid, 1,8 mH, slaved Y-axis.
Working plan resulted in components that would give the drivers 48V and a 600-700 W PSU.
Would it be a mistake running 2 switched PSU´s of 350W each instead of a DIY Thoroidal PSU?
It’s cheaper but how about ripple and back current?
Thanks
/J
-
13-09-2018 #2..Clive
The more you know, The better you know, How little you know
-
13-09-2018 #3
But if i choose to go AC there will not be any capacitors handling the back EMF from the motors right?
Last edited by JW1977; 13-09-2018 at 02:00 PM.
-
13-09-2018 #4
Last edited by Clive S; 13-09-2018 at 04:06 PM.
..Clive
The more you know, The better you know, How little you know
-
14-09-2018 #5
-
14-09-2018 #6
So yes you had it the wrong way round. I would up the toroidal transformer to 25- 0 - 25 which would give you about 70v dc when rectified . good vid here. https://www.youtube.com/watch?v=4OoQ...zD30sZjtp_VyqY
..Clive
The more you know, The better you know, How little you know
-
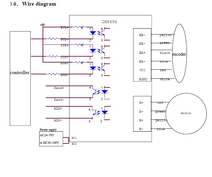
14-09-2018 #7
Ok, thanks but i don’t get where I’m wrong, could you please explain?
As i see it i have the choice to run them with AC and a PSU consisting of only a thoridal transformer.
The other alternative would be DC and a PSU with transformer, rectifer and caps.
The motors have 1,8 mH inductance so I figured a 48V PSU would be sufficient to get speed and reduce heat and back EMF.
Heres Another schematic where it says AC or DC as Power supply!?
Last edited by JW1977; 14-09-2018 at 09:58 AM.
-
14-09-2018 #8
Ok when I said you had it wrong I was referring to "My drivers (JMC 2HSS86H) can be run with 24-70V DC or 30-100V AC" you have the DC and AC transposed .
You indicated that you would be leaning towards DC.
You can have either a transformer with caps and a rectifier OR just a transformer.
Forget about the back EMF the caps take care of that ( there are caps in the driver as well) The heat is what you set the current to on the drive.
If you want speed for wood routing then a higher voltage PS is beneficial. I would go with 70V DC but your choice...Clive
The more you know, The better you know, How little you know
-
The Following User Says Thank You to Clive S For This Useful Post:
-
14-09-2018 #9
Ok, got it!

I´m gonna take your advice regarding the PSU and build a DC one with higher Voltage.
Thanks!
-
14-09-2018 #10
Ok don't worry about asking questions its cheaper than getting it wrong. Check out Joe's vid its a good guide.
This is a good place for a one stop shop https://www.rapidonline.com..Clive
The more you know, The better you know, How little you know
Thread Information
Users Browsing this Thread
There are currently 3 users browsing this thread. (0 members and 3 guests)
Similar Threads
-
HSS86 and 2HSS86H Closed Loop Drivers
By zorro in forum Motor Drivers & ControllersReplies: 2Last Post: 28-08-2018, 04:04 PM -
Jmc motor driver 2hss86h
By noyloj in forum Motor Drivers & ControllersReplies: 1Last Post: 02-01-2017, 08:38 PM -
Driver led's
By Duffman in forum Motor Drivers & ControllersReplies: 5Last Post: 16-01-2016, 02:41 PM -
Closed loop Step Servo Drive Driver 2HSS86H + 4.5N.M Motor + Encoder
By george uk in forum Motor Drivers & ControllersReplies: 20Last Post: 23-06-2014, 08:38 PM -
Stepper Motor Driver - cheap similar to ArcEuro 4.2A Bi-Polar Stepper Motor Driver
By craynerd in forum Motor Drivers & ControllersReplies: 1Last Post: 16-03-2014, 07:29 PM

Reply With Quote


Bookmarks