-
11-07-2019 #1
Hello peoplez.
Re-designing Y axis motor to shaft belted transmission for gt2 belts.
I need to accomodate existing shaft placement and need 40T pulley dimensions.
8mm shaft centre is ~30mm off the deck.
Looking for GT2 pulleys on ebay and no one lists external dimensions for the pulleys they sell.
Anyone got one to give me outermost diameter ? Flanges and all.
At the moment trying to do nema23 motor 20T(6.35mm shaft) to 40T(8mm Y drive shaft) 10mm GT2 loop belt transmission in place of inline nema17.
Dont have much space to play with...
-
01-08-2019 #2
Hiya,
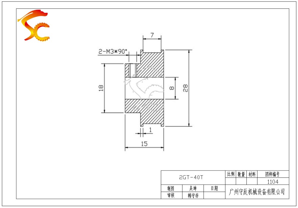
I think the problem your going to have is not every GT2 40T pulley is going to be the same exact dimensions, so can only suggest you get the one you want to use in your hands first and go from there.
Looking at what is out there, most seem to be in a close size range to each other, so attached is drawing you could use strictly as a guide to give you an idea of what you may need to accommodate.Lee
-
01-08-2019 #3
Recently i learned that GT2 pulleys are tricky in my case.
I need to get a pulley that is 40teeth/10mm wide belt/8mm bore. And i cant, for the life of me, find one.
It is either gonna be 6mm wide belt or 5mm bore... Starting to pull my hair out (whats left of it anyway).
I dont know anyone with a small lathe to bore it out, no point going back to 6mm belts as machine is supposed to be fast (not a 3d printer, that crawl.).
Its a "pick 2" triangle situation. Gah.
Thanks for the drawing, btw, thats all i needed - an approximation.
Since shaft center runs about 35mm above "floor" i can stick in whatever doesnt exceed 55-60mm in diameter.
-
01-08-2019 #4
No problem,
Is this not the perfect match for what your looking for: https://reprapworld.co.uk/products/...GT2 pulley (40 teeth / 9 mm belt / 8 mm ID)
£8.20 all in but only 19 in stock so you better be quick lol
And you do know someone with a lathe who can bore things for you, you have hundreds of members on this forum with lathes ready to help other members for a little bit of bear money, just put a RFQ up when you need one, see link:
Projects, Jobs & Requests
Do you need a part making, are you looking to start a project, please make your request for a quote in here.Lee
-
01-08-2019 #5
These are the guys I get my pulleys from:
https://www.beltingonline.com/40-too...h70ar358nm5ci3
Maybe not the absolute cheapest but service and quality is spot on. If you need to calculate belt lengths etc. go here:
http://www.hpcgears.com/n/left_menu/calc/calc.php
-
01-08-2019 #6
What is AT5 pulley ? Are they GT2 with different naming convention ?
-
01-08-2019 #7
Anyone can bore any pulley to any size.
Usually, UK suppliers charge 2-3 for boring to whatever.
Generally,
*You* cant get better or equivalent for same or less money, and typically end up paying a lot more for it.
Likewise;
We, or some of us in the industry,
make 5 axis parts for 10$ an hour, qty 1, or 2, and are very sure to do QC on their critical dims.
We have to do make-up parts, so we get the next 2000 part order at reasonable pricing.
-
01-08-2019 #8
Sorry I gave you a link I had stored - Beltingonline do a big range of different types of belt/pulleys and do give accurate dimensions and will bore to order so I thought they might be able to help. AT5 is a larger tooth pitch (5mm vs 2mm) than GT2 and I was advised that they're about the best for backlash at a sensible price. But with the larger tooth pitch, for the same number of teeth they'll be propotionately bigger diameter so you might have fit problems - and if the other pulley in the system is GT2 then you'd obviously have to change both.
Last edited by Voicecoil; 01-08-2019 at 10:57 PM.
Thread Information
Users Browsing this Thread
There are currently 1 users browsing this thread. (0 members and 1 guests)
Similar Threads
-
Simple Solution- Drive 1" Ball Screw Shaft with NEMA-23-Size Stepper Motor Shaft
By LoveLearn in forum Gantry/Router Machines & BuildingReplies: 5Last Post: 08-02-2012, 01:52 AM -
Belt drive and pulley sizes
By j2sip in forum Belt Drive, Pulleys & TimingReplies: 22Last Post: 20-06-2010, 10:44 AM -
Stepper shaft size and pulley bore size problem
By psiron in forum Linear & Rotary MotionReplies: 13Last Post: 15-06-2010, 04:11 PM -
Standard Drive Belt Size ?
By Lee Roberts in forum Belt Drive, Pulleys & TimingReplies: 2Last Post: 19-05-2009, 10:56 AM -
Re: Standard Drive Belt Size ?
By HS93 in forum Belt Drive, Pulleys & TimingReplies: 0Last Post: 18-05-2009, 03:30 PM

Reply With Quote


Bookmarks