Thread: stepper speed very slow
- 
	24-10-2009 #11Are all the axis free? no binding ? John S -
 
- 
	24-10-2009 #12yes john everything seems free without the screws attached light finger pressure will move them 
 
- 
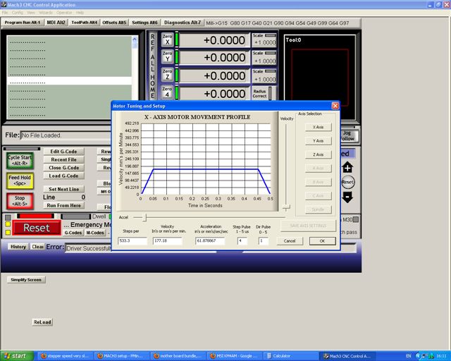
	24-10-2009 #13It is the velocity and acceleration figures that adjust the speed, what are they set to? 
 
- 
	24-10-2009 #14
 
- 
	24-10-2009 #15Right the maximum you can do with this is 177.18mm / min if it can get up to speed in time hence your 88mm/min or suchlike. 
 
 Leave the steps alone and increase the velocity to 2,000 to start and acceleration to about 150 as a start point.
 
 .John S -
 
- 
	24-10-2009 #16thanks john 
 so my steps are set right , will try the settings you suggest, i knew i should be able to get a bit more speed somehow, if i can even get to 1000mm a min i will be happy
 
- 
	01-11-2009 #17managed to get my speed up , wired the steppers bipolar single coil 
 at 2.5 amps the 3nm motors are down to about 2nm but the speed has increased quite considerably can get about over 1000mm/min
 
- 
	02-11-2009 #18If you increase speed, then the torque will inevitably go down. 
 
 What was the problem?
 
 (Glad you got it sorted!)
 
Thread Information
Users Browsing this Thread
There are currently 1 users browsing this thread. (0 members and 1 guests)
Similar Threads
- 
  Need to slow down a signal due to Safe Torque Off alarmBy corkcnc in forum General ElectronicsReplies: 0Last Post: 04-06-2014, 11:35 PM
- 
  Machine Slow on CurvesBy swisscheese in forum Computer SoftwareReplies: 31Last Post: 12-04-2014, 12:49 AM
- 
  HSM Advisor - High Speed Machining feed & speed calculatorBy magicniner in forum CAD & CAM SoftwareReplies: 2Last Post: 20-01-2014, 12:57 PM
- 
  Help! Steppers losing steps and making a racket under slow feed..By fasteddy in forum Stepper & Servo MotorsReplies: 23Last Post: 06-08-2011, 03:03 PM
- 
  Forum SlowBy pcstru in forum General DiscussionReplies: 3Last Post: 27-01-2011, 03:54 PM
 
                
 
						
					 
					
						 
		 
		 
 
 
				
				
				
					 Reply With Quote
  Reply With Quote 
						
					 
					
						 
						
					 
			
Bookmarks