Thread: Help with CNC 3018 from Banggood
Hybrid View
-
14-03-2020 #1
Good Morning Doddy,
Thank you for your reply. Just to inform you I am not very proficient in electronics, so it may be difficult for me to answer your questions.
My CNC works with GRBL and I use the free version of Easel at this time in order to practice……..not much practice has been done at this time.
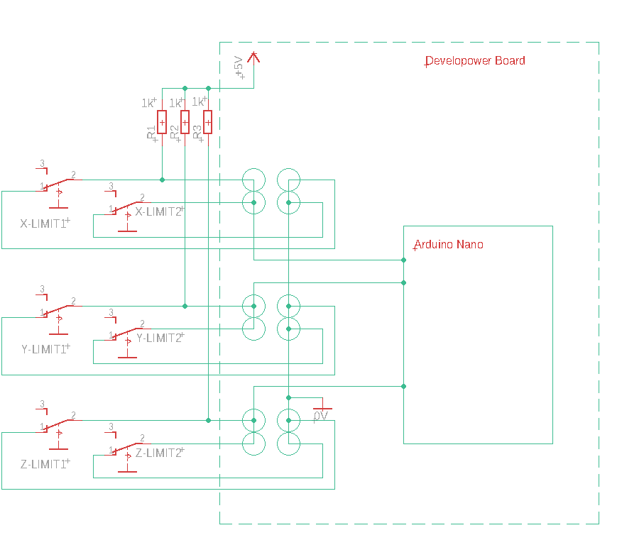
My switches are wired as NO and when I check the voltage across the + and - pins, I get ~2 volts and if press the micro switch, I get 0 volts. From all the information I gathered, the bottom row of pins are all to ground???? Before changing my switch wiring to shielded wires, I tried, as suggested on the internet, to add a .47µF capacitor across the micro switch………nothing.
Please find attached a picture of my board. It says: Developower V2.0
Thanks
-
14-03-2020 #2
JeanB - okay, that's fine. I'm just about to head out for a last night of drunken debauchery before our government clamps down on that - I'll get some detail to you tomorrow morning.
-
The Following User Says Thank You to Doddy For This Useful Post:
-
15-03-2020 #3
2v strongly suggests a lack of pull-up resistors which leaves the inputs floating as Doddy has suggested. The inputs are hovering in an indeterminate state and susceptible to every light switch and cosmic particle in the vicinity. No input to any electronics should be left like this and many devices include the pull-up resistors internally, typically 10 Kohms. Some microcontrollers allow inputs to be selected as floating or pulled-up from software.
An optimist says the glass is half full, a pessimist says the glass is half empty, an engineer says you're using the wrong sized glass.
-
15-03-2020 #4
<deleted>
-
15-03-2020 #5
-
15-03-2020 #6
Aha, thanks to Kitwn for making me realise that you're already well aware of the pin layout on the board - I'd missed that bit of your reply in my haste to reply. Hopefully you should be able to understand my earlier ramblings and ignore the bit about identifying the ground-returns on the board.
Thread Information
Users Browsing this Thread
There are currently 1 users browsing this thread. (0 members and 1 guests)
Similar Threads
-
3018 Pro has no connectivity on A5 pins.
By deepcut66 in forum Chinese MachinesReplies: 0Last Post: 29-02-2020, 10:48 AM -
3018 3 Axis Mini DIY CNC Router ONLY Ł125 with free shipping !!!
By Lee Roberts in forum Marketplace DiscussionReplies: 6Last Post: 09-01-2020, 09:00 PM -
3018 problem
By bazbalz in forum Machine DiscussionReplies: 8Last Post: 17-12-2019, 12:58 PM



Reply With Quote


Bookmarks