Thread: E stop wiring
Hybrid View
-
10-01-2022 #1
-
10-01-2022 #2
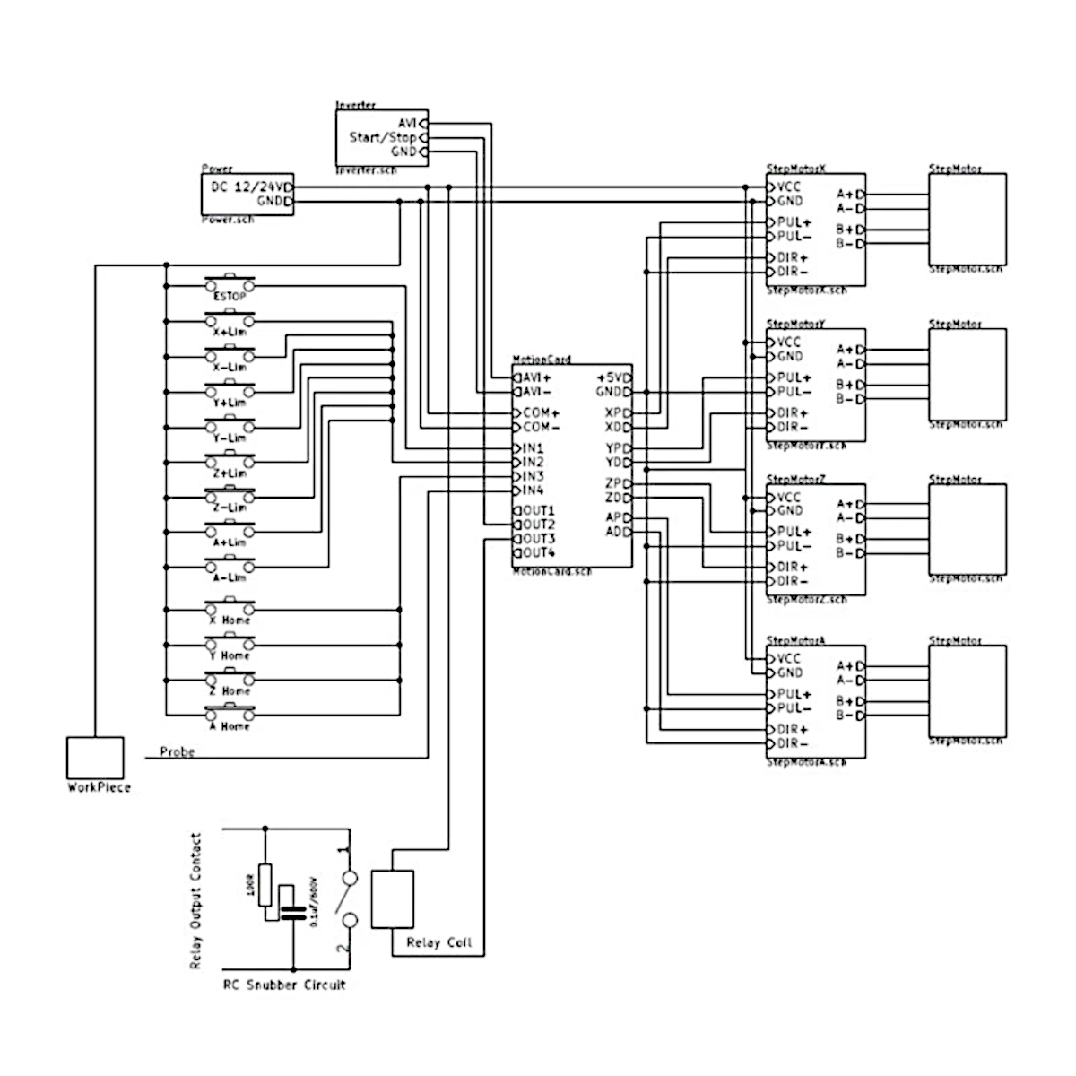
It looks like this board:
Breakout Board CNC USB MACH3
They have a wiring diagram which shows the E-Stop wired from the GND of the DC 12/24V power supply to input 1 of the board (IN1). But you could use any of the inputs (IN1,IN2,IN3,IN4). What control software are you using (e.g. Mach. LinuxCNC)?
With it wired like this it is just a software E-Stop (it relies on Mach to stop the machine for you). It's safer to also have a relay which can shut down your motors independently of the control software.Last edited by NB70; 10-01-2022 at 06:07 PM.
-
10-01-2022 #3
Thanks for the reply, managed to translate the Chinese instructions and get it sorted.
Thread Information
Users Browsing this Thread
There are currently 1 users browsing this thread. (0 members and 1 guests)
Similar Threads
-
Syil X4 Plus - E-stop issue
By Keith-h in forum Milling Machines, Builds & ConversionsReplies: 8Last Post: 03-12-2016, 05:53 PM -
E-Stop input problem
By eurikain in forum General ElectronicsReplies: 9Last Post: 21-02-2016, 08:31 PM -
Spindle Stop?
By manofgresley in forum Spindles & Drive MotorsReplies: 21Last Post: 08-01-2013, 06:37 PM -
wiring e-stop button
By deannos in forum General ElectronicsReplies: 10Last Post: 14-01-2012, 11:03 AM -
Wiring in power and E-stop on DIYCNC Board
By m.marino in forum General ElectronicsReplies: 2Last Post: 10-05-2009, 10:15 AM



Reply With Quote

Bookmarks