. .
Page 2 of 3 FirstFirst 123 LastLast
  1. #11
    You're doing well Doddy! I spent 16 years working out how to produce clear, easily understandable explanations of electronics stuff and it's not as easy as you think it is.

    Nemo1966,
    Never be embararrased to ask the simplest questions. I guarantee that there will always be a dozen or more other people thinking "I wanted to know that but was afraid to ask".

    The only thing I would add about open collectors is that they are designed to be flexible. Unlike an output which switches from 0-5V, 0-12V etc. which restricts the voltage used by the external device, an open collector (especially the more common NPN version) can be used with any external device within the voltage and current capability of the transistor regardless of the supply voltage used by the device containing it.

    Kit
    An optimist says the glass is half full, a pessimist says the glass is half empty, an engineer says you're using the wrong sized glass.

  2. #12
    OK - saw another diagram in the MB3 documentation that I *think* helped me. This is what I have:
    Do I need more? Or should the the 24v going to the controller be sunk to a ground like the cabinet chasis frame (with a relay)? Like the old 2 stroke motorbikes?
    Click image for larger version. 

Name:	wiring_nemo.jpg 
Views:	5282 
Size:	84.7 KB 
ID:	28751

    I am also struggling with:
    Click image for larger version. 

Name:	wiring_nemo_ground.jpg 
Views:	5139 
Size:	44.8 KB 
ID:	28752


    Any help is really appreciated

    Edit: I will be adding diodes to the 24v supply to driver as wrong polarity can damage it apparently.
    Last edited by Nemo1966; 29-08-2020 at 01:51 PM.
    Every time I am wrong - the World makes a little less sense.

  3. #13
    Doddy's Avatar
    Lives in Preston, United Kingdom. Last Activity: 2 Weeks Ago Has been a member for 9-10 years. Has a total post count of 1,364. Received thanks 188 times, giving thanks to others 66 times. Referred 1 members to the community.
    Your diagram is a little confusing - thoughI think I know what you're trying to do.

    It's F1 Qualifying on TV just now - and hour for me to snooze, I'll sketch something for you after that.

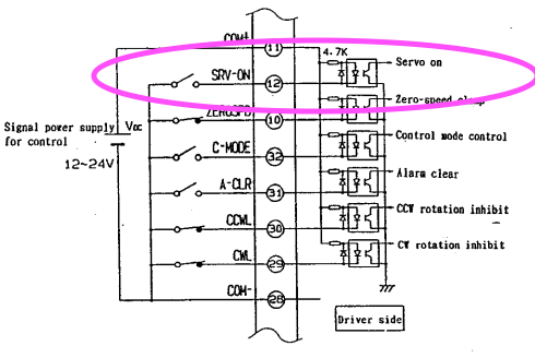
    The indicated dotted ellipse - that's indicating a screen on the cable to reduce EMI (often a braided sheaf under the first layer of insulation).

    The question on pin 12 - "Equiv to EN on servos" - kinda - but it's more the command to the servo controller to start/enable the servo. It looks to be pulled low to be active. Page 11 indicates the internal equivalent circuit - another example where you can use the open collector output from the MB03 directly (no need for a relay).

    EDIT:

    This is how I'd be connecting the MB3 to the servo controller...

    Click image for larger version. 

Name:	Screenshot 2020-08-29 at 15.40.01.png 
Views:	5211 
Size:	215.9 KB 
ID:	28757

    So, you have a common 24V supply to the Servo controller and the MB3 card. That's all good. The internal circuitry of the Servo controller, as page 11 ...

    Click image for larger version. 

Name:	Screenshot 2020-08-29 at 15.43.22.png 
Views:	5115 
Size:	52.6 KB 
ID:	28760

    Shows that pin 12 is connected to the side of the internal Opto isolator that needs to sink to ground to enable it - that's the signal path that you're providing with the MB3.

    So far you've discussed the servo enable line, step and direction signals, there's every chance you'll have to look at some of the other inputs as well, or you may need to ground them (read up about each of them).
    Last edited by Doddy; 29-08-2020 at 03:48 PM.

  4. #14
    Doddy's Avatar
    Lives in Preston, United Kingdom. Last Activity: 2 Weeks Ago Has been a member for 9-10 years. Has a total post count of 1,364. Received thanks 188 times, giving thanks to others 66 times. Referred 1 members to the community.
    Quote Originally Posted by Nemo1966 View Post

    Edit: I will be adding diodes to the 24v supply to driver as wrong polarity can damage it apparently.
    I'm curious what you meant by this - give us a sketch.

  5. #15
    As per pic... as I was going to add a relay to control what I thought was the equivilent of the Stepper "Enable" I was going to do the same
    I was looking at note 2 and 3
    Click image for larger version. 

Name:	wiring_nemo_relay.jpg 
Views:	5278 
Size:	105.6 KB 
ID:	28761
    Every time I am wrong - the World makes a little less sense.

  6. #16
    Doddy's Avatar
    Lives in Preston, United Kingdom. Last Activity: 2 Weeks Ago Has been a member for 9-10 years. Has a total post count of 1,364. Received thanks 188 times, giving thanks to others 66 times. Referred 1 members to the community.
    Okay, if you'll forgive the explanation. The information in the manual is accurate, but again, doesn't particularly try to educate the reader. I think you're looking at 2 + 2 and getting 5 - please don't be offended by that.

    Note 2 in the diagram ("Please pay attention for the polarity of VDC. Reversed polarity of the above fig. will damage the driver") is to ensure that you connect 11 and 28 to +V and ground, respectively. You *could* put a diode in series with one of these, but to get the diode right you pretty much have to have wired it correctly anyway. So to me the diode is a little superflouous.

    Note 3 in the diagram ("When you directly drive a relay with each output signal, please install a diode in parallel to the relay as the above fig. shows. If you do not install a diode or install it in reverse direction, the driver get damaged") refers to a completely different beast. Inductive loads (the relay coil is one) have a behaviour which, energised creates a magnetic field (in fact, that's how the relay switches - it's an electromagnet that attracts the contactor that provides the electrical switch). When the driving power is removed from the coil, the electromagnetic field collapses, inducing a voltage into the coil of the relay. This flows in reverse and is proportional to the speed at which the driving current is removed - fast = big voltage. This can present a voltage at the OUTPUT of the servo controller that far exceeds the 24V you've connected, and destroy the circuitry. The purpose of the diodes in the diagram you included essentially clamps that current flow between the coil and the diode - safeguarding the servo controller.

    So, in that diagram, the diodes are not really to protect wrong polarity, but to protect the servo controller from what's referred to as back EMF.

    Fun experiment: Get a relay, connect the coil to 12/24 V as appropriate. Put your fingers (on one hand if you want to be semi-safe) across the two pins of the relay coil, then remove the power from the relay coil. Make sure you're not within striking distance of anything fragile... or hard.
    Last edited by Doddy; 29-08-2020 at 04:38 PM.

  7. #17
    No offence taken in any way - glad to learn whatever I can.

    Thanks for the clarification - much appreciated.
    Every time I am wrong - the World makes a little less sense.

  8. #18
    Processing.....

    Seems I may reading more into the diagrams than needed.
    Every time I am wrong - the World makes a little less sense.

  9. #19
    So looking at the Servo On diagram you posted... then looking at this:
    Attachment 28763

    Then I just do the same for the other pins and make the hi or low accordingly?
    Every time I am wrong - the World makes a little less sense.

  10. #20
    Quote Originally Posted by Doddy View Post
    Okay, if you'll forgive the explanation. The information in the manual is accurate, but again, doesn't particularly try to educate the reader. I think you're looking at 2 + 2 and getting 5 - please don't be offended by that.

    Note 2 in the diagram ("Please pay attention for the polarity of VDC. Reversed polarity of the above fig. will damage the driver") is to ensure that you connect 11 and 28 to +V and ground, respectively. You *could* put a diode in series with one of these, but to get the diode right you pretty much have to have wired it correctly anyway. So to me the diode is a little superflouous.

    Note 3 in the diagram ("When you directly drive a relay with each output signal, please install a diode in parallel to the relay as the above fig. shows. If you do not install a diode or install it in reverse direction, the driver get damaged") refers to a completely different beast. Inductive loads (the relay coil is one) have a behaviour which, energised creates a magnetic field (in fact, that's how the relay switches - it's an electromagnet that attracts the contactor that provides the electrical switch). When the driving power is removed from the coil, the electromagnetic field collapses, inducing a voltage into the coil of the relay. This flows in reverse and is proportional to the speed at which the driving current is removed - fast = big voltage. This can present a voltage at the OUTPUT of the servo controller that far exceeds the 24V you've connected, and destroy the circuitry. The purpose of the diodes in the diagram you included essentially clamps that current flow between the coil and the diode - safeguarding the servo controller.

    So, in that diagram, the diodes are not really to protect wrong polarity, but to protect the servo controller from what's referred to as back EMF.

    Fun experiment: Get a relay, connect the coil to 12/24 V as appropriate. Put your fingers (on one hand if you want to be semi-safe) across the two pins of the relay coil, then remove the power from the relay coil. Make sure you're not within striking distance of anything fragile... or hard.
    I found this for a MB3 to a panasonic A series.
    Click image for larger version. 

Name:	new.jpg 
Views:	5207 
Size:	87.0 KB 
ID:	28764

    Seems literally just the "servo on" for that one - as you posted in the modified picture.
    Every time I am wrong - the World makes a little less sense.

Page 2 of 3 FirstFirst 123 LastLast

Thread Information

Users Browsing this Thread

There are currently 1 users browsing this thread. (0 members and 1 guests)

Similar Threads

  1. Replies: 2
    Last Post: 27-08-2020, 07:54 PM
  2. Cheap servo drives & motors 200w- 400w , sourcing ? Europe?
    By Boyan Silyavski in forum Motor Drivers & Controllers
    Replies: 9
    Last Post: 29-05-2015, 04:10 PM
  3. 400W servo - Leadshine ACS806 + ACM604V60 driver - PSU size?
    By dsc in forum Stepper & Servo Motors
    Replies: 10
    Last Post: 23-04-2013, 05:33 PM
  4. Panasonic 3 phase driver running on 1 phase?
    By gavztheouch in forum Motor Drivers & Controllers
    Replies: 2
    Last Post: 10-05-2012, 11:21 PM
  5. FOR SALE: 400w panasonic ac brushless servo motors and drives
    By gavztheouch in forum Items For Sale
    Replies: 3
    Last Post: 29-12-2011, 03:04 PM

Bookmarks

Posting Permissions

  • You may not post new threads
  • You may not post replies
  • You may not post attachments
  • You may not edit your posts
  •