Hybrid View
-
21-09-2020 #1
Well Doddy said I would be back - and here I am.
Some of my toolpaths take a day or so to run and I want to turn a compressor on for certain operations to blow away the swarf, hopefully using M8/M9. To slightly complicate things the compressor in the workshop is currently wired with a 2 way switch so it can be turned on and off from either upstairs or downstairs and I need to keep this fuctionality.
Can anyone suggest a wiring circuit that would enable my AXBB_E controller to seamlessly turn the compressor on and off?
Hope this makes sense and looking forward to suggestions.
Carl
-
21-09-2020 #2
Bypass the 2-way Upstairs/Downstairs switches entirely by using a relay, triggered from AXBB_E. That just means that AXBB can override the manual switches to power-up the compressor - and have the switches turned off in this mode. You could use another output from the AXBB and a M9999 macro to automatically isolate the manual switches when UCCNC starts up, if that tickles your fancy. All do-able, just need to understand the exact control logic that you're looking to implement.
-
21-09-2020 #3
Thanks Doddy - I did think this would be right up your street.
Regarding the logic I only need the compressor on certain parts so whatever I do I would like it to work in a way so I don't have to re-programme existing parts so don't think having UCCNC take control on startup would be the right way to go. Is there a relay available that when an M8 call is made the manual switches are isolated and power supplied to the compressor. If it makes any dfferece when an M8 call is made there will be at least 30 minutes before the compressor is turned off
EDIT: I have found this OMRON MK2P-S relay left over after my retro-fit. With my limited electrical knowledge I think it fits the bill?Last edited by ngwagwa; 21-09-2020 at 02:28 PM.
-
21-09-2020 #4
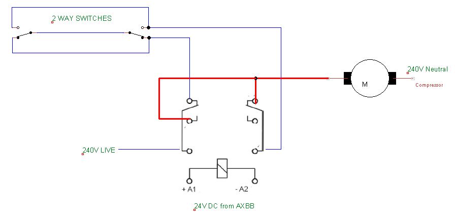
Something like
All depends on your use-case. In this example UCCNC simply bypasses the manual switches to force the compressor on. Set the M8 command pin/port on setup/spindle page.
You would still be able to turn on the compressor with the existing switches, but not turn off the compressor with the switches if enabled by the AXBB.
That relay?, if it's the right coil voltage and current to suit the AXBB?
EDIT: You could glam up the circuit but there's a certain KISS approach to the above.
-
21-09-2020 #5
-
21-09-2020 #6
The old way with household wiring was to use an "intermediate" switch . Could you not wire a relay to provide similar
http://www.lightwiring.co.uk/wp-cont...ng-diagram.jpg
-
22-09-2020 #7
-
22-09-2020 #8
Couple of caveats -
You don't 'need' to isolate the switch circuit. But doing so does no harm.
You'll be back - I reckon within a couple of weeks - to complain that, whilst under UCCNC control someone switched the compressor on accidentally, and after UCCNC has quit that the compressor has been left operating. That's a more complicated problem!
-
22-09-2020 #9
You could use a C/O contact on the relay to gate the building wiring into a contact that, if M8 is active, and the building wiring "live" (i.e. it would hold the compressor on after M9) that it illuminates a lamp or sounds an alarm, or something. But that would require that you isolate that circuit from the compressor under M8 control.
-
22-09-2020 #10
Doddy - is my circuit in post #5 feasible? If so UCCNC has control so the manual switches have no effect.
Regarding the compressor being left on I already have a signal lamp which comes on when the compressor is powered - this was put in before the 2 way switches as the compressor was often left running! The lamp is visible from our in workshop CCTV camera and we have a networked smart switch so the compressor can be turned off remotely
Thread Information
Users Browsing this Thread
There are currently 1 users browsing this thread. (0 members and 1 guests)
Similar Threads
-
BUILD LOG: Quite an Unusual one
By Boyan Silyavski in forum DIY Router Build LogsReplies: 205Last Post: 18-04-2023, 06:04 PM -
An unusual problem
By racerbear02 in forum Machine DiscussionReplies: 5Last Post: 10-01-2016, 11:45 AM -
Unusual Knife Block
By Christian Knuell in forum Woodworking Project ShowcaseReplies: 1Last Post: 10-09-2014, 11:28 AM -
Which air compressor?
By newtoid1986 in forum General DiscussionReplies: 7Last Post: 12-12-2011, 04:07 PM



Reply With Quote


Bookmarks