Thread: Help with G-Code Arc & Radius
-
28-02-2021 #1
Hi everyone
Currently I am programming Mazak machines
but I was assigned a new machine.
Where I use G-codes
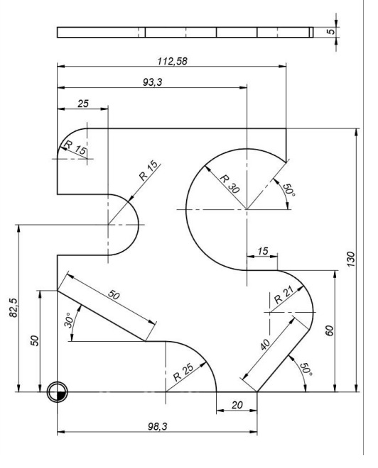
I have a problem with rays, arcs.
I made the first example myself using g2 / g3 / R
In the second example, I am supposed to use I, J
I am looking for some materials but they are hard to understand for me.
Does anyone have any material on using I, J for arcs and radius
Please write some code for this drawing
Use the I, J functions maybe then on this example I can understand how the commands work
Regards,
-
24-04-2021 #2
bump
Lee
Thread Information
Users Browsing this Thread
There are currently 1 users browsing this thread. (0 members and 1 guests)
Similar Threads
-
machineing radius edges
By charlieuk in forum Metalwork DiscussionReplies: 24Last Post: 14-11-2017, 10:29 PM -
Matching a radius
By kell in forum SolidworksReplies: 2Last Post: 01-12-2015, 11:18 AM -
Hole Radius
By benkat in forum Machine DiscussionReplies: 0Last Post: 03-03-2014, 05:29 PM -
Cambium Code Web Tools – Parametric G-code Generation
By CambiumMachines in forum Manufacturer NewsReplies: 0Last Post: 09-01-2013, 04:56 AM

Reply With Quote

Bookmarks