Thread: Denford Triac Spindle Issue
Threaded View
-
20-09-2021 #1
Having had some issues with connectivity, I’ve had some success… yay!
I can now connect to and drive the axis from the laptop.
This includes by home and jog functions.
I can operate coolant pump etc, so machine and laptop are talking.
I’m struggling with the spindle though…
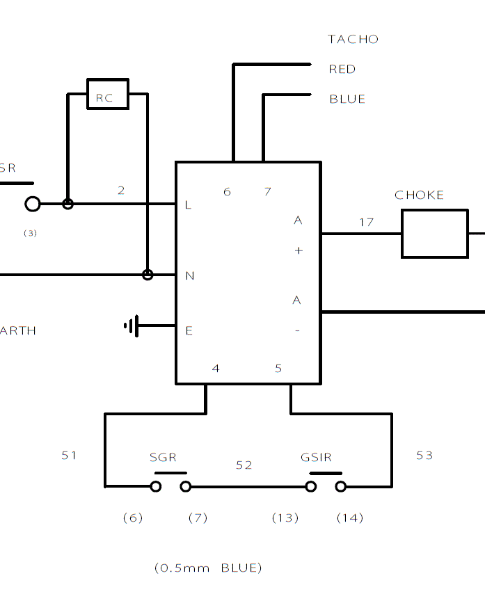
When activated, I can hear a solenoid/switch flick inside the control box, but nothing happens at the machine…
Any thoughts on where to start investigations??
Thank you
(Also posted on the Denford forum)
Thread Information
Users Browsing this Thread
There are currently 3 users browsing this thread. (0 members and 3 guests)
Similar Threads
-
Denford Triac Spindle Issue
By GingerNinja54 in forum Denford MillsReplies: 1Last Post: 21-09-2021, 10:58 PM -
WANTED: Denford triac lynx spindle drive board
By mark35gun in forum Items WantedReplies: 4Last Post: 10-01-2021, 02:38 PM -
Denford Triac Spindle control / ATC
By RocketBoy in forum Denford MillsReplies: 21Last Post: 24-01-2018, 12:35 PM -
3kw Chinese Spindle - ER20 denford triac question
By andy_con in forum Denford MillsReplies: 13Last Post: 03-11-2015, 10:14 PM -
Denford Triac Spindle Fault
By Sam_Smith in forum Denford MillsReplies: 5Last Post: 04-05-2011, 11:07 PM



Reply With Quote
Bookmarks