-
17-01-2026 #1
Hi All.
I have started to put my CNC router control circuit together, and I am concerned where in the circuit I should place an E Stop.
I have noticed the my PSU (240 vac > 36 vdc) transformer, on the 36 volt side stays powered for a few seconds, my initial thought was to place the E Stop in the 240 vac line to the PSU, If I am right this will not stop the motors dead will it due to the fact that there are Capacitors on the 36 volt rails keeping them live for a few seconds, or have I got it all wrong.
Regards.
Ray
-
17-01-2026 #2
If it's any help, here is a link to my schematics, https://www.mycncuk.com/threads/6565...2213#post52213
They have changed slightly since that post but the fundamentals are the same.
I used a PILZ PNOZ Emergency Stop Safety Relay which is much easier to use, they are quite reasonably priced on eBay for example.
Keep in mind you also have to stop the spindle.Spelling mistakes are not intentional, I only seem to see them some time after I've posted
-
17-01-2026 #3
Thanks Eddy Current.
My initial thought was to place one E Stop in the circuit, then power all 3, 36v outlets on my PSU through the E Stop, therefore having 3 outlets one to each Stepper Driver. My spindle is 240 vac therefore I will have to have a separate E Stop for it. The ARDUINO I am using has its own fused 9 vdc supply, plus the ARDUINO board carries it's own fuses.
Regards.
Ray
-
17-01-2026 #4
Just had a look at those PILZ relays, a bit steep for me.
Ray
-
17-01-2026 #5
There's a couple on eBay for around £20 also there are others such as Telemecanique Preventa.
My background is electrical by the way,
I think you need to develop a schematic before deciding what is required.. After that you need a 'box' to put it all in so a scale layout drawing is also required.Spelling mistakes are not intentional, I only seem to see them some time after I've posted
-
17-01-2026 #6
Hi, can you send me a link to the item?
Ray
-
17-01-2026 #7
This has been debated a few times on here, but there's not really a 'correct' way to do it.
Key thing is you want everything to stop in a controlled manner.
For a stepper driven machine, you want to cut power to the power supply, not between the supply and the drivers (modern stepper drivers dump power back into the power supply during deceleration, so if you disconnect the drivers, you risk them going overvoltage and releasing their magic smoke).
Spindle wise, you can cut power.
You also want the controller monitoring the e-stop as it should kill all the enable signals to drivers, which should have a far more immediate effect than waiting for the power to dissipate.
On a commercial machine, you'd likely do most of this with a dedicated emergency stop relay. Key features of them, are force guided contacts, which essentially ensure the relay is working and no contacts have stuck, and often a time delay feature, which gives the controller a few seconds to stop things in a controlled manner, before power is finally cut. However on a small machine with steppers, it's not really an issue.
It's more of an issue on bigger servo driven machines, where you want things stopped in a controlled manner, and in some cases you may not even cut the power to drives, as a freewheeling motor can be more of a risk than a motor held stationary on large machines.
For smaller machines in a non-commercial setting, a couple suitably sized relays should be satisfactory.
On the smaller machines I've built controls for, I have the E-stop 12/24vdc loop powering whatever relays/contactors I need for the various power supplies, with that 12/24vdc also going to an input on the controller.
The E-stop loop can combine various other switches. Some include limit switches (there's arguments for and against this!), driver error signals (again another argument, as you can just take them to the controller to be handled), any overtemp sensors, but if you have the controller inputs available, then you can wire those direct to the controller for easier fault finding.Avoiding the rubbish customer service from AluminiumWarehouse since July '13.
-
18-01-2026 #8
Thanks m_c, I am in unfamiliar territory here, can I be cheeky enough, do you have a schematic I could look over involving the 2 relays you mentioned?
Regards.
Ray.
-
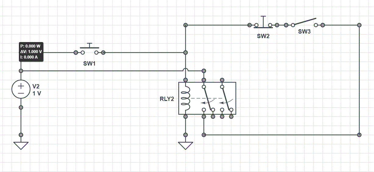
20-01-2026 #9
I've not got any wiring diagrams to hand, but here's a quick one I've thrown together.
I generally use DIN rail mounted 'ice cube' relays for this.
SW1 is an enable button, when pressed it energises the relay.
Then the loop through the relay contact and SW2/3 (whatever you want in the E-Stop loop) then provides power back to the relay coil to keep it enabled until either power is removed completely, or the E-stop loop is broken.
(And I've just realised that I should probably have drawn the diagram with the enable button feeding into the opposite side of the other switches, so that the relay can't be enabled if there is an active E-stop)
You can then use the other relay contact to power whatever you want powered. Either directly if the load is small enough, or to power further relay/contactors.Avoiding the rubbish customer service from AluminiumWarehouse since July '13.
Thread Information
Users Browsing this Thread
There are currently 1 users browsing this thread. (0 members and 1 guests)
Similar Threads
-
E stop wiring
By clivemgriffiths in forum Chinese MachinesReplies: 2Last Post: 10-01-2022, 06:10 PM -
-10V to 10v circuit
By vre in forum General ElectronicsReplies: 17Last Post: 15-01-2014, 12:15 AM -
E-STOP Circuit - will this cause any problems?
By birchy in forum General ElectronicsReplies: 34Last Post: 18-12-2012, 04:35 AM -
wiring e-stop button
By deannos in forum General ElectronicsReplies: 10Last Post: 14-01-2012, 11:03 AM -
Wiring in power and E-stop on DIYCNC Board
By m.marino in forum General ElectronicsReplies: 2Last Post: 10-05-2009, 10:15 AM

Reply With Quote


Bookmarks