Hybrid View
-
26-06-2010 #1
hey
there are two circuits using same transistor but one of them do not have diodes. i read
bout these diodes as following:
"The diodes are a feature typical of circuits that handle magnetic coils, that is inductive
circuits. In this context, the motor windings are the inductive element. Capacitors provide
a means for the storage of electrical charge, inductors provide a means for storage of
electrical current. The driving current causes a magnetic field to be built up in the coil.
As soon as the drive is removed, the magnetic field collapses and causes the inductor to
release its stored current. Semiconductors are particularly sensitive to these currents
(they briefly become conductors and then become permanent nonconductors!). The diodes
provide a mechanism to safely shunt these currents away and, thus, protect the transistors
and the computer."
but in second circuit there is not diodes. why. how much important to use these diodes. if
not to use diodes then which are general measures to protect the transistors from being
burnt as described in above sentence.
and there are some detail about connections of wire:
"You should also note that ground for the transistors must be made common between the
parallel port (say at pin 25) and the motor power supply. An additional wire with an
alligator clip can be used to provide access to the ground for the motor power supply. So,
on the motor side of the circuit we have six wires, one for each coil, one for ground and
one for the motor voltage on the shunt diodes. The motor (positive) voltage supply is
provided through the common coils."
how the motor coil's conman wire and the four diodes wires will be used.
and also tell me about connection of motor with circuit which has not diodes.

http://www.forth.org/fd/Step.html
-
26-06-2010 #2
the diodes are ther to protect the transistors from back emf which will produce very high voltages at the collector. The diodes have to have sufficient current carying capacity to remove the power in the back emf.
Diodes are usually cheaper than transistors.
peter
-
26-06-2010 #3
Diodes are required with bipolar transistors like the TIP120/122. Do not run it without them, it will only end in tears...
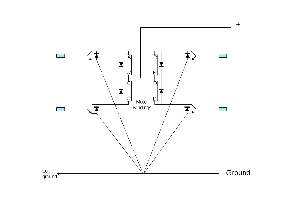
In a motor driver configuration you often see two diodes, one from the collector to the +ve rail and one from the ground rail to the collector - the first protects against back EMF from the motor and prevents the collector voltage going above the +ve supply rail. The second protects against the reverse polarity spike and prevents the collector being pulled below the emitter which can also cause transistor failure.
The diagram below shows these diodes and how the transistors should be wired. Note the common ground point for all the high current wiring and the typical 8-diode protection arrangement. The diodes across the transistors are not needed for TIP120/122 as these have built in diodes, but you do need the ones across the motor coils.
Thread Information
Users Browsing this Thread
There are currently 1 users browsing this thread. (0 members and 1 guests)
Similar Threads
-
Stepper Motor Driver - cheap similar to ArcEuro 4.2A Bi-Polar Stepper Motor Driver
By craynerd in forum Motor Drivers & ControllersReplies: 1Last Post: 16-03-2014, 07:29 PM -
Using TIP142 insteed of TIP120 to run stepper motor.
By musicworld1 in forum General ElectronicsReplies: 1Last Post: 10-09-2010, 07:39 PM -
Unipolar stepper motor with ULN2003?
By musicworld1 in forum General ElectronicsReplies: 10Last Post: 25-08-2010, 10:39 AM -
running stepper motor with printer data pcb board
By helow in forum Stepper & Servo MotorsReplies: 2Last Post: 17-06-2010, 12:55 PM -
UniPolar vs BiPolar
By Lee Roberts in forum Stepper & Servo MotorsReplies: 0Last Post: 19-10-2008, 01:17 AM



Reply With Quote

Bookmarks