Thread: The illusive Boxford 260vmc
Hybrid View
-
14-08-2010 #1
Here the hex code firmware for that PIC chip
http://www.jeffree.co.uk/revmaster/r...r-firmware.zip
-
14-08-2010 #2
Cheers George :)
Always bear in mind that your own resolution to succeed is more important than any other - Abe Lincoln
-
15-08-2010 #3
Last edited by Ricardoco; 15-08-2010 at 11:03 AM.
Always bear in mind that your own resolution to succeed is more important than any other - Abe Lincoln
-
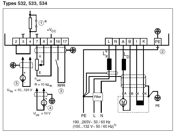
15-08-2010 #4
There is no brake resistor in this circuit but i dont think it will need it... the stop time from 3500rpm to 0rpm at the motor spindle is less than 2 seconds..
Always bear in mind that your own resolution to succeed is more important than any other - Abe Lincoln
-
15-08-2010 #5
Any light at the end of the tunnel yet?
-
15-08-2010 #6
Oh yes All axis installed and working perfectly with mach, spindle working with mach speed control (how much fun was that lol) just installed E-Stop Circuit, and spindle start switich and contactor, now about to start on the Fwd-Rev contactor, and then on to spindle start, fwd-rev relays with mach control, at the moment it is a manual start button for the spindle start
and direction.
Onward!!!
on a side note ive almost finished my chineese tacho as a stand in untill something better comes along lolAlways bear in mind that your own resolution to succeed is more important than any other - Abe Lincoln
-
15-08-2010 #7
With the spindle control done, Ive decided to tackle the Limit switches... there are proximity switches present on the machine of the type below:-
these were again connected to the old main logic board now thats gone does anybody recognise this type of switch, i know i could change them for micro switches but as they are going to be used for limit rather than Home switches i would like to utilise them if i could...So any ideas???
Label says 36vdc 200ma BN=L+, BK=OUT, BN=L-.Last edited by Ricardoco; 15-08-2010 at 04:37 PM.
Always bear in mind that your own resolution to succeed is more important than any other - Abe Lincoln
-
17-08-2010 #8
They could be Reed switches,Rick?
-
17-08-2010 #9
OK answered my own question... they are inductive proximity switches, easy to use with your opto-isolated inputs, just need to work out which polarity they are... is there a part # on them?
-
17-08-2010 #10
I doubt it, a reed switch wouldnt need a 36v supply. These are active devices.
Rick, is there a magnet or something to activate them? Or are they just activated by the table?
Thread Information
Users Browsing this Thread
There are currently 14 users browsing this thread. (0 members and 14 guests)
Similar Threads
-
The Boxford 260VMC as you probably never seen it before!
By rnr107 in forum Boxford Vertical MillsReplies: 36Last Post: 28-04-2021, 07:57 AM -
Boxford 260 VMC
By shoeswith in forum Boxford Vertical MillsReplies: 3Last Post: 10-04-2017, 06:20 PM -
boxford vmc 300
By bigred5765 in forum Boxford Vertical MillsReplies: 0Last Post: 22-04-2014, 04:22 PM -
Boxford mt2
By Hellfire in forum Boxford LathesReplies: 6Last Post: 03-08-2012, 08:46 AM -
Boxford 160 TCL
By Brinner in forum Boxford LathesReplies: 1Last Post: 31-03-2012, 09:11 PM



Reply With Quote


Bookmarks