Thread: spindle cross section view
Hybrid View
-
31-07-2010 #1
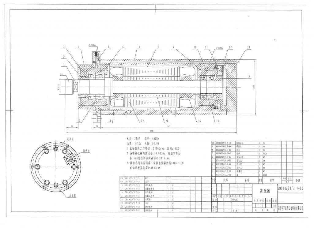
Some time earlier this year I was searching the internet for spindle drawings, prior to purchasing a ready made unit, just to see how they were made. Maybe I was looking in the wrong place as initially I didn't find much, but eventually I found this - might be helpful for those looking to make their own.
It's in Chinese, but the bits your can read suggest:
220v, 400Hz, 3.7Kw, 12.9A, (fairly powerful then), 24000rpm, 0.003mm spindle runout, 16mm collet (?) with 0.02mm runout (? not sure), and some figures which might be bearing preload (190+-10N and 150+-10N). Please correct me if I'm wrong!
You can see opposing pairs of angular contacts top and bottom, the motor in the centre, and what is likely to be water channels around the outside leading to the lower pair of bearings. Top cap appears to have the power supply, and the in/out water feeds.
-
31-07-2010 #2
If you look up the specs of an air die grinder tool you will see they are the same sort of layout (less the inbuilt motor and water cooling). It' just a case off finding an appropriate size collet chuck against motor with similar size spindle. Push out spindle and replace with collet chuck (collars etc). Thats what i am changing my spindle motor for. By the way the shank on a die grinder is really too short to be used like this unless the motor is mounted off the unit and belt. The chinese collet chucks can be got with a 14mm shank and 1/2" which match a lot of suitable size motors out ther (diasbled cart's/ buggy motors, DC and large spindles :-)). Pop in to your nearest mobility centre and you will see what i mean, may even sell you a secondhand motor for a few quid from there repair shops normally on site. Whilst you are there ask them for a speed controller, you change the current limiter (that's what stops the pavement road nights brigade from speeding). Maybe some ideas in there to save inventing the wheel???
If the nagging gets really bad......Get a bigger shed:naughty:
-
31-07-2010 #3
Was gonna suggest these...beaten to it
http://cgi.ebay.co.uk/STRIDE-MOBILIT...item3f01e7d169
http://cgi.ebay.co.uk/Mobility-Scoot...item4aa2d65822
-
31-07-2010 #4
On most Aldi power tools the motors are the brushless type,thing is they're heavy but very quiet...the power tools are cheap ie the tiler,table saw,ect but the motors are good.
A bit of adapting at the spindle shaft for collet nut and you have a decent spindle ie cut the first part of shaft off and then bore out center on a lathe.
-
31-07-2010 #5
How about a 3hp 180dc tread mill motor. :heehee:
http://cgi.ebay.co.uk/3-hp-dc-treadm...item45f44b81de
-
31-07-2010 #6
Thanks, I was struggling to find info as well, thats why I have gone to the manufactures.
I think point 2 is holding the inner races to the shaft and point 3 is the preload,It's in Chinese, but the bits your can read suggest:
220v, 400Hz, 3.7Kw, 12.9A, (fairly powerful then), 24000rpm, 0.003mm spindle runout, 16mm collet (?) with 0.02mm runout (? not sure), and some figures which might be bearing preload (190+-10N and 150+-10N). Please correct me if I'm wrong!
Thats the bit thats confusing me as there are plenty of designs like that but the manufactures say dont do it. The locked bearings should be at the bussiness end and free floating bearing at the other,You can see opposing pairs of angular contacts top and bottom

http://www.skf.com/portal/skf/home/p...ewlink=9_0_51b
still a little knowlege being a dangerous thing and all I'd better do some more research
I guess there are always compromises with any design and you just have to get it to suit your application
-
02-08-2011 #7
-
02-08-2011 #8
-
31-07-2010 #9
Great site SKF Ross, lots to read about. Shows the lengths required to make high end machines.
Take your point about double pairs of angular contacts - increased preload when the spindle expands. Perhaps water cooled is OK, or if you look at the Chinese machine the top bearings seem to be located with either a coil spring, or are these sliding bearings? Maybe they just apply a factory preload and you get so much life out of the unit.
As a bit of light relief, after all the time and energy you are putting into this spindle, make sure you don't do this . . .:surprised: :surprised:
http://www.youtube.com/watch?v=gPPp1A1gj2M
Makes you wince. . .
And now for something completely different!
http://www.youtube.com/watch?v=yln_I...eature=related
-
The Following User Says Thank You to routercnc For This Useful Post:
-
01-08-2010 #10
Interesting point about the die grinder, will free spin up to 24000 rpm, and will take all the loads. I did see one with an extended section, which might get around one of your points.
Note that I'm not looking to make one, I posted to lure Ross out with his spindle design progress. . . .
Anyone else tried to make something like this?
Thread Information
Users Browsing this Thread
There are currently 1 users browsing this thread. (0 members and 1 guests)
Similar Threads
-
Cross sectional dimensions for CAD drawings
By Husky in forum Gantry/Router Machines & BuildingReplies: 5Last Post: 24-02-2013, 06:19 PM -
Maximum size of box section, Stacking box section, Construction Angle
By andy586 in forum Gantry/Router Machines & BuildingReplies: 0Last Post: 01-02-2013, 05:29 PM -
Effect of Forces on Gantry Cross-Sections?
By WandrinAndy in forum Gantry/Router Machines & BuildingReplies: 37Last Post: 22-12-2012, 10:34 PM -
Help with name of aluminium section plz
By Fivetide in forum Milling Machines, Builds & ConversionsReplies: 2Last Post: 02-12-2012, 10:01 PM -
Aluminium box section
By martin54 in forum Gantry/Router Machines & BuildingReplies: 11Last Post: 28-10-2012, 01:13 AM



Reply With Quote


Bookmarks