Thread: help me for wiring
Threaded View
-
28-11-2010 #1
help me for wiring
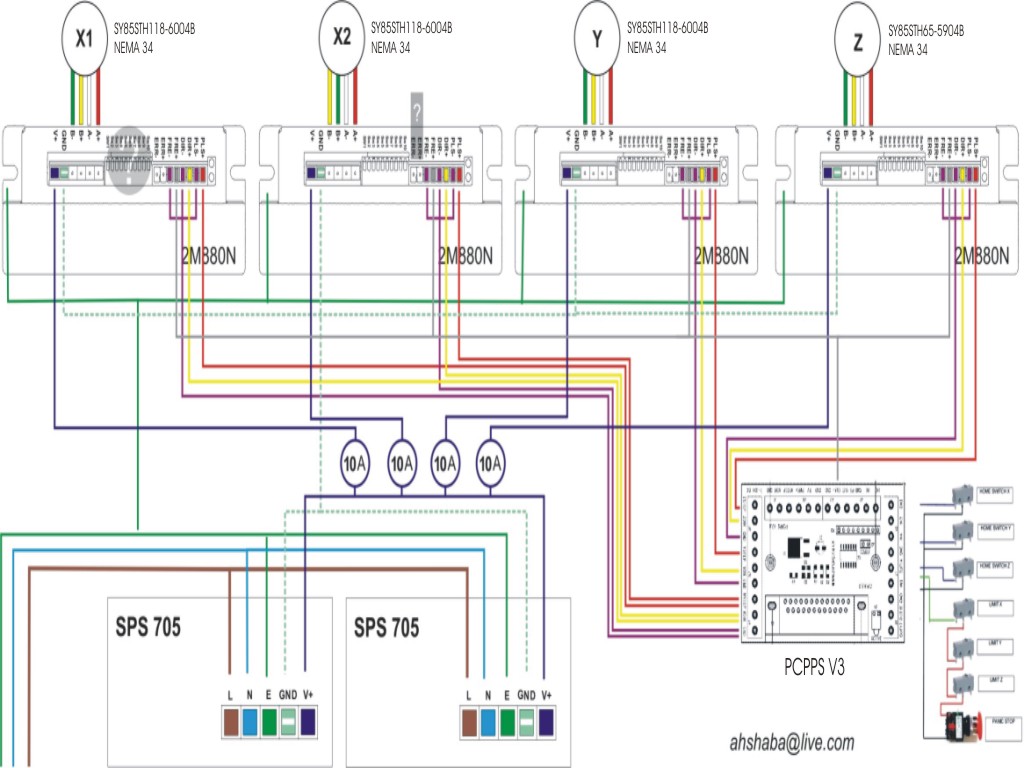
hello all
request help from knowledgeable people to correct and finish my wiring diagram
+ + + All equipment buy home automation zapp
thank you very much
Thread Information
Users Browsing this Thread
There are currently 1 users browsing this thread. (0 members and 1 guests)
Similar Threads
-
VFD to USB WIRING ????
By Stucncusb in forum Spindles & Drive MotorsReplies: 0Last Post: 23-08-2013, 07:06 PM -
cnc wiring
By crossleymarko in forum Gantry/Router Machines & BuildingReplies: 1Last Post: 09-04-2012, 09:35 PM -
wiring help
By deannos in forum Motor Drivers & ControllersReplies: 3Last Post: 08-06-2011, 02:20 PM -
Wiring Help
By Toddy in forum Motor Drivers & ControllersReplies: 8Last Post: 23-11-2010, 01:48 PM -
wiring help
By ste68blue in forum Stepper & Servo MotorsReplies: 6Last Post: 29-07-2009, 10:23 AM



Reply With Quote
Bookmarks