Thread: 3 Axis CNC router
Hybrid View
-
30-04-2017 #1
-
30-04-2017 #2
-
03-05-2017 #3
In the interests of completeness of my build log and in the hope that it may help demystify building your own power supply here are a couple of videos of my power supply build. Although it is obvious to me, I will point this out for any with less common sense - working with electricity, particularly mains can be very dangerous. If you want to build your own psu then you can take it from me, a totally amateur, that it is perfectly doable if you ask the right people the right questions. Please post your design and invite comment before embarking on a project like this. You need to consider what the right transformer, rectifier, capacitors and fuse will be before starting and do your research, because connecting it all up wrong will be disastrous. Thanks to Dean, Clive and Barry in particular (as always) for the tips and guidance. Ps any comments on my very basic explanation in the second video (about 12mins in) will be gratefully received although I except from the outset that it is basic!!
https://youtu.be/4OoQQg76ar4
https://youtu.be/WISDqx-e23M
Sent from my iPhone using TapatalkLast edited by JoeHarris; 03-05-2017 at 08:08 PM.
-
The Following User Says Thank You to JoeHarris For This Useful Post:
-
04-05-2017 #4
Hi Joe,
First off, thanks for the fantastic build thread and video logs - keep them coming please! I've been getting more seriously into the initial design phases, had made some starting choices, then came across your build. Looks to me like you've encompassed the majority of the good advice out there, and then some more! I suspect when I get to a final design, it won't look too dissimilar to your own :)
Secondly, enjoyed watching your video this morning over breakfast - very well explained. Hadn't ever considered that the voltmeter was measuring RMS so UK mains peak-to-peak is sqrt(2)*240V. Only comment is that sometimes the audio balance in your videos is off - loud music, quiet talking! May just be me!
-
04-05-2017 #5
-
04-05-2017 #6
-
19-05-2017 #7

Hi everyone, I've managed to get a working mockup of the e-stop circuit together... another little video:
https://youtu.be/OUgjcH8JGMs
As always any comments gratefully received!
-
20-05-2017 #8Very nice Vid Joe, If I might make a very small comment for the benefit and clarity of others. Re the switches and the schematic it would be nice to show that they have leds inside.Hi everyone, I've managed to get a working mockup of the e-stop circuit together... another little video:
https://youtu.be/OUgjcH8JGMs
As always any comments gratefully received!
I realise on the vid you can see that you mentioned them. But as drawn it looks wrong because the leds are not shown on the drawing.
Having said that it is superb and will help a lot of people with the Estop and restart circuit.
Last edited by Clive S; 20-05-2017 at 07:24 AM.
..Clive
The more you know, The better you know, How little you know
-
20-05-2017 #9
Yes fair point! I realised I had also forgot to draw the contacts on the relay 'switches' too which would have aided clarity. Hope it helps people just to understand what some of these things do. I had never heard of a pilz or a contractor before starting this project so this was a bit of a curve for me. Basic info has been what I've craved from the start!
-
19-05-2017 #10
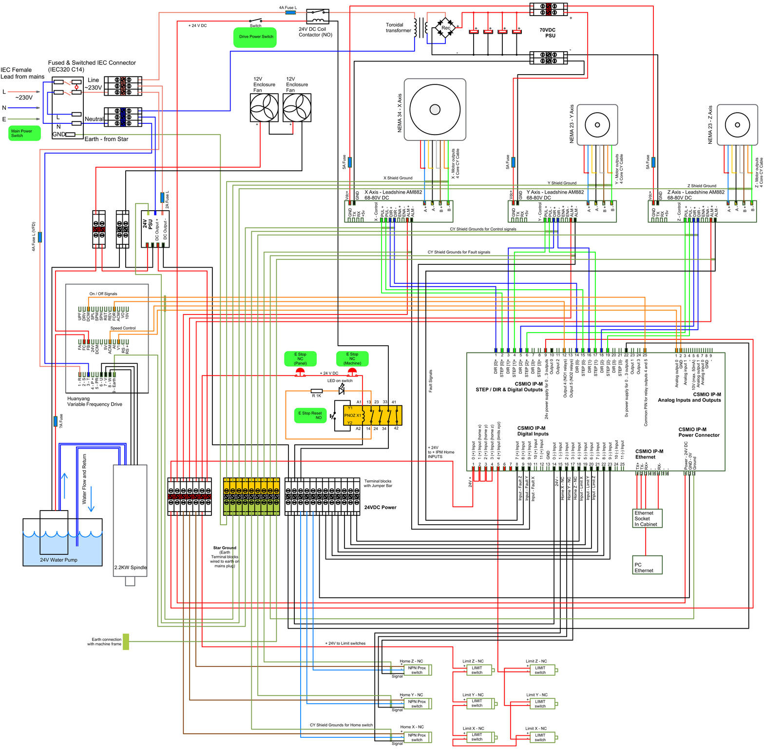
Can anyone explain what this is??

Thread Information
Users Browsing this Thread
There are currently 10 users browsing this thread. (0 members and 10 guests)
Similar Threads
-
BUILD LOG: 3 Axis Router
By GTJim in forum DIY Router Build LogsReplies: 8Last Post: 22-06-2020, 08:49 AM -
3-Axis CNC Router - For Helices.
By Dalmango in forum Gantry/Router Machines & BuildingReplies: 4Last Post: 08-02-2014, 07:27 PM -
BUILD LOG: Wobbly: my first 3-axis router
By Sodster68 in forum DIY Router Build LogsReplies: 8Last Post: 20-01-2013, 10:28 AM -
3 axis cnc/router bed
By dudz in forum Marketplace DiscussionReplies: 23Last Post: 28-12-2012, 09:38 PM -
Need 6' x 4' bed, 4 axis router design.. Help..!
By fasteddy in forum Gantry/Router Machines & BuildingReplies: 29Last Post: 17-09-2010, 12:56 PM




Reply With Quote

Bookmarks