Thread: Spindle to uniport
-
24-07-2012 #11
Had a word with a mate and between us think we have sussed it but give me 30mins to explain or write how to do it. It's easy thou I think.? but without vfd you'll have to do the testing.!!
-
24-07-2012 #12
Top guy(s) appreciate it!
-
24-07-2012 #13
Please make it read like a child's book as I'm new to all the electrics malarkey haha
-
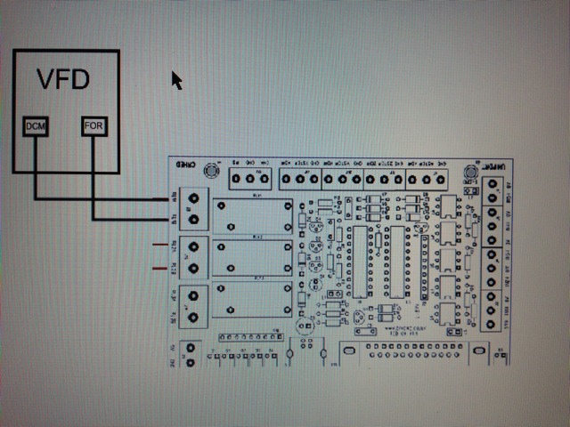
24-07-2012 #14
Ok here goes.!!
Wiring first.!
Take a wire from the DCM terminal on VFD and run thru the normally open (NO) contact of relay one(No1) on uniport and return to the FOR terminal on the VFD.
VFD Setup:
Set PD01 = 1
PD02 = 0
PD44 = 01
The speed or frequency will need to be set manuely using the key pad.
Mach setup.:
Port & pins - output signals-output#1 = port 1 pin 16
Spindle setup - relay control- untick check box
Spindle setup - relay control- clockwise (M3) output# = 1
Spindle setup - relay control- CCW (M4) output# = 2 (but wont be used)
That should be it.? You may need to toggle the active high/low in output #1 if the relay turns on when it should be off.
Then when mach see's M3 in the code it will turn the relay on which in turn lets the signal from DCM thru it's contacts to the FOR input starting the VFD untill the signal drops then it will turn off.? This will be done when Mach see M5 and turns the output off which in-turn shuts the relay off and signal drops to the VFD.
Hope it works.? ( If it does then you need to thank AudioAndy not just me.!! . . . If it doesn't work then it's all Andy's fault. . Lmao)Last edited by JAZZCNC; 24-07-2012 at 10:42 PM.
-
24-07-2012 #15
-
24-07-2012 #16
-
24-07-2012 #17
-
24-07-2012 #18
-
24-07-2012 #19
ok Jazz i will try that tomorrow afternoon when i get back from Scotland and let you know how much smoke my VFD makes :p
Thanks a lot guys!!
-
25-07-2012 #20
Hey Jazz, your "tutorial" worked perfectly!! Thanks a lot!!
However I have a couple questions.
The spindle is in the bed before it starts to spin. In other words it's the machine is doing the cycle and then the spindle comes to life - is the some sort of delay I could toggle with?
Emergency stop - when I hit the E/Stop the machine stops and there is also a delay on the spindle shutting Down, but perfect when I hit stop in Mach3. Any ideas?
Thread Information
Users Browsing this Thread
There are currently 4 users browsing this thread. (0 members and 4 guests)
Similar Threads
-
Chinese 300W DC spindle - is the spindle shaft grounded?
By HankMcSpank in forum Spindles & Drive MotorsReplies: 44Last Post: 26-11-2016, 07:25 PM -
CNC Spindle Repair and Spindle Replacement for any Machine of any Manufacturer
By spindeldoctor in forum Manufacturer NewsReplies: 0Last Post: 13-11-2013, 07:50 PM -
eBay: uirobot stepper drivers and uniport 2 board
By andrewuk in forum Items On eBay UKReplies: 0Last Post: 11-09-2013, 09:47 AM -
Spindle lock mechanism for 2.2kW china spindle
By Jonathan in forum Generic Chinese SpindlesReplies: 8Last Post: 13-08-2012, 08:39 PM -
Uniport and limit switches.
By D-man in forum General ElectronicsReplies: 14Last Post: 13-02-2012, 11:37 PM

Reply With Quote


Bookmarks