Threaded View
-
29-11-2012 #1
hi,
im looking for a precision engineer / cnc'er for a projects im working on and on going stuff i need doing.
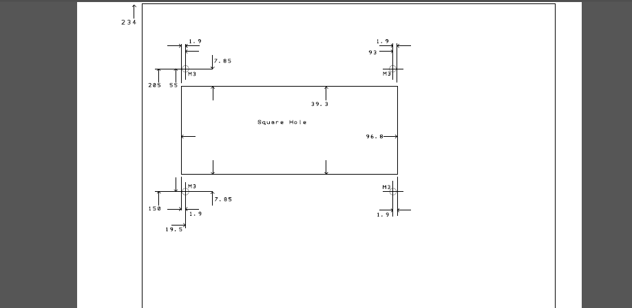
ive developed a few things that fit into plastic inclosures so need holes cut out of the llids 3mm thick first thing i need doing see pic, is 2 off then batches of 10 off.
please do contact me if anybody is interested and we can talk further, be great if someone is close to andover / basingstoke.
thank you
Last edited by jonisonvespa; 29-11-2012 at 07:34 PM.
Thread Information
Users Browsing this Thread
There are currently 1 users browsing this thread. (0 members and 1 guests)
Similar Threads
-
production engineer in Tamworth
By Indah in forum Opportunities Available & SoughtReplies: 0Last Post: 01-08-2011, 09:02 AM -
Production Engineer / CNC Machinist
By merit recruitment in forum Opportunities Available & SoughtReplies: 0Last Post: 10-05-2011, 11:07 AM -
CMM Programmer/Quality Engineer
By Excel in forum Opportunities Available & SoughtReplies: 0Last Post: 22-02-2011, 05:57 PM -
Maintenance Technician/Engineer
By mvolt in forum Opportunities Available & SoughtReplies: 0Last Post: 16-02-2011, 10:38 AM -
Sometimes Engineer's Squares aren't
By routercnc in forum Tool & Tooling TechnologyReplies: 7Last Post: 25-07-2010, 09:59 PM



Reply With Quote
Bookmarks