Threaded View
-
15-12-2012 #1
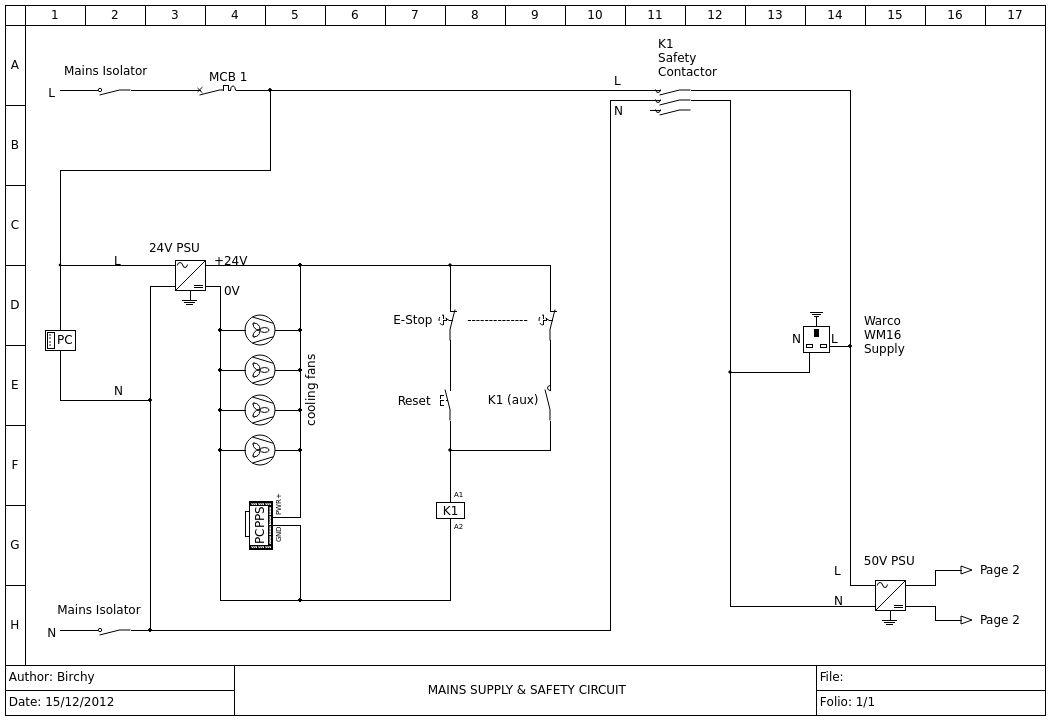
I have a 3-axis CNC kit from Zapp which consists of 3Nm steppers, M542 drives, 50V PSU and a PCPPS V3 interface board. Bought it some time ago but only just getting on with it. You know what these projects are like...

For the E-Stop circuits, I'm going to use a Telemecanique contactor with a latching circuit and a reset button. Obviously all the stop buttons will be wired in series with dual N.C. contacts on each. I was planning to maintain a constant 24V DC supply for the safety circuit and then drop all remaining AC supplies which would be the Milling machine I'm converting, the 50V PSU and the PC. The PCPPS board would still be powered as it will be connected to the 24V DC supply. Will this setup cause any problems or risk buggering any of the components? I can probably cut the 24V to the PCPPS as well but may not have a N.O. aux available on the contactor.
Thread Information
Users Browsing this Thread
There are currently 1 users browsing this thread. (0 members and 1 guests)
Similar Threads
-
-10V to 10v circuit
By vre in forum General ElectronicsReplies: 17Last Post: 15-01-2014, 12:15 AM -
Spindle Stop?
By manofgresley in forum Spindles & Drive MotorsReplies: 21Last Post: 08-01-2013, 06:37 PM -
I promise I will stop asking daft question soon. Ish.
By D.C. in forum Gantry/Router Machines & BuildingReplies: 27Last Post: 15-10-2012, 11:37 PM -
wiring e-stop button
By deannos in forum General ElectronicsReplies: 10Last Post: 14-01-2012, 11:03 AM -
End mill depth 'stop' rings
By HankMcSpank in forum Tool & Tooling TechnologyReplies: 10Last Post: 24-02-2010, 02:03 AM



Reply With Quote
Bookmarks