Threaded View
-
16-12-2012 #24
Its always best to refer to the electrical machinery regulations for the latest interpertation of good practice re estops and safety circuity.
I would paste the link but Im not quite In control of this tablet yet :)
Just google It
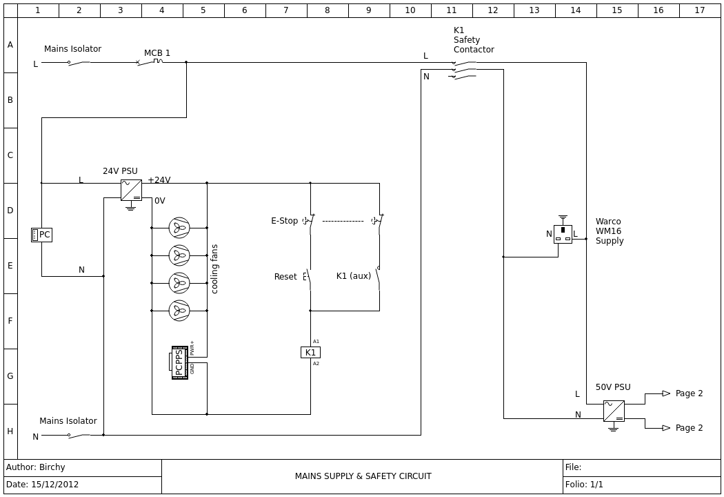
QUOTE=birchy;39536]I would much prefer to kill the power and re-zero rather than rely on software. At the end of the day, it's a safety circuit. I'm not going to add spindle speed control at this stage, however I may add it in the future if I need to replace the motor and/or upgrade to an inverter drive. Latest drawing is attached. Please let me know if you see any mistakes or can suggest improvements!
[/QUOTE]
Thread Information
Users Browsing this Thread
There are currently 1 users browsing this thread. (0 members and 1 guests)
Similar Threads
-
-10V to 10v circuit
By vre in forum General ElectronicsReplies: 17Last Post: 15-01-2014, 12:15 AM -
Spindle Stop?
By manofgresley in forum Spindles & Drive MotorsReplies: 21Last Post: 08-01-2013, 06:37 PM -
I promise I will stop asking daft question soon. Ish.
By D.C. in forum Gantry/Router Machines & BuildingReplies: 27Last Post: 15-10-2012, 11:37 PM -
wiring e-stop button
By deannos in forum General ElectronicsReplies: 10Last Post: 14-01-2012, 11:03 AM -
End mill depth 'stop' rings
By HankMcSpank in forum Tool & Tooling TechnologyReplies: 10Last Post: 24-02-2010, 02:03 AM



Reply With Quote
Bookmarks