-
06-01-2013 #1
Hey folks,
I'm wanting to double check I've got this right before wiring it up.
The AM882 has an alarm signal output that triggers when the driver goes into a fault state. The object here is I want that signal to be picked up on one of the BOB inputs so Mach can trigger an estop and halt the other drivers.
Here's the an image of what Leadshine suggests in the manual.
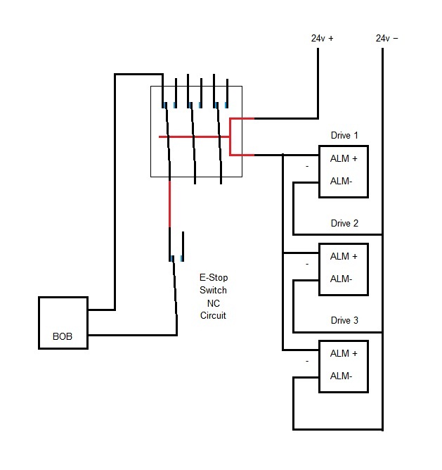
And here's a crude wiring drawing that I've knocked up to stick on the inside of the control box for quick reference (please ignore the extra details such as the relays and stepper wiring)
Will that work?
-
06-01-2013 #2
Loose the brown link wire to alarm.
you are feeding it V+ from this and then to ground. when it triggers it will be a dead short.
You want e stop to go to one alarm terminal then to ground.
Basically alarm is in series with the estopJohn S -
-
The Following User Says Thank You to John S For This Useful Post:
-
06-01-2013 #3
Thanks John.
Not sure I completely understand but had a go at updating.
Is this what you were getting at?
It should be noted that the Alarm+ outputs 30v 100mA and Alarm- is 0v so I don't think I've done this right.
-
06-01-2013 #4John S -
-
The Following 2 Users Say Thank You to John S For This Useful Post:
-
06-01-2013 #5
The alarm terminals don't output any power. It's an open collector output capable of switching 100mA at 30V.
So you still need a relay as per John's suggestion to connect into to the Estop circuit, but you need to provide the power to the relay, then connect the relay to ground via the alarm terminals. You could also have the relay in circuit after the alarm terminals, but it's usually better practice to switch the ground side in electronics.
-
The Following User Says Thank You to m_c For This Useful Post:
-
07-01-2013 #6
Thanks guy, I think I'm starting to understand now.
Based on what's been I've changed things around and attached the updated diagram.
Is this looking OK now?
-
07-01-2013 #7Always bear in mind that your own resolution to succeed is more important than any other - Abe Lincoln
-
07-01-2013 #8
Ohh thought I'd got it then. I'm missing something here so would someone be kind enough to just put me out my misery and scribble the correct way over the top my drawing please.
-
07-01-2013 #9Always bear in mind that your own resolution to succeed is more important than any other - Abe Lincoln
-
The Following User Says Thank You to Ricardoco For This Useful Post:
-
07-01-2013 #10
Thanks Rick,
Have I interpreted it correctly?
Thread Information
Users Browsing this Thread
There are currently 1 users browsing this thread. (0 members and 1 guests)
Similar Threads
-
Leadshine website and AM882
By EddyCurrent in forum General ElectronicsReplies: 12Last Post: 24-08-2018, 01:59 AM -
Need to slow down a signal due to Safe Torque Off alarm
By corkcnc in forum General ElectronicsReplies: 0Last Post: 04-06-2014, 11:35 PM -
AM882 Alarm Circuit
By Wobblycogs in forum General ElectronicsReplies: 8Last Post: 28-03-2014, 06:06 PM -
Output direct to machine
By picyman in forum VectricReplies: 4Last Post: 16-02-2014, 11:04 PM -
HPGL driver output
By 2006Nobull in forum Computer SoftwareReplies: 6Last Post: 07-10-2012, 08:49 PM

Reply With Quote


Bookmarks