Hybrid View
-
13-01-2016 #1
Hi, I'm Andrew from The Netherlands...
It's About a Emco F1-p Mill ((mach3 convertion)(spindle motor problem)),
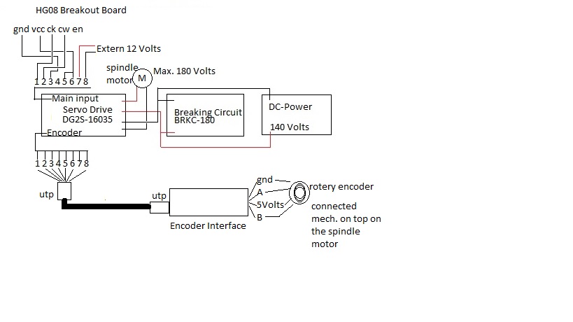
my problem is a mystery to me, I have, to my knowledge, tried everything to get my running spindle motor. The spindle motor is a DC motor max. 180 volts, placed on the spindle motor is a Rotery encoder with the outputs A and B and Z (Z but I do not use). The breakout board (5-axes) is a Mach3 HG08, ordered (CNC4YOU) Axes X, Y, Z, A, work perfectly. The B input is used for the spindle motor. Inputs are: GND, Vcc, CK, CW, EN (EN not connected). The first 5 are connected to a DG2S-16035 Servo drive (with 8 inputs total) via a UTP cable. Input 1 (CK) 2 (CW) 3 (GND) 4 (NOT USED) 5/6 (VCC) 7 (external DC power) 8 (External DC gnd). Encoder input of the DG2S-16 035 is connected via a UTP cable to an encoder interface, and the encoder interface is reconnected to the Rotery Encoder on the spindle motor. summarized: I have all the wires, cables, checked for fractures, but all cables are good. The settings in Mach3 (see photos). I have to be sure all components exchanged with new components, ie, the DG2S-16 035, the External Braking Circult Connector, Encoder Interface, and even the Breakout board (HG08), the Rotery Encoder, on The spindle motor, the result was the same, no rotating spindle.
greetings Andrew
Last edited by andre13442; 13-01-2016 at 06:42 PM.
-
13-01-2016 #2
Andrew You mention photos in your post but they have not uploaded you might be able to edit the post and upload, if not just upload in a new post.
Last edited by Clive S; 13-01-2016 at 06:32 PM.
..Clive
The more you know, The better you know, How little you know
-
The Following User Says Thank You to Clive S For This Useful Post:
-
13-01-2016 #3
-
13-01-2016 #4
You have no port number assigned to Spindle.
Can you show the drive because it may need to be enabled.
-
The Following User Says Thank You to JAZZCNC For This Useful Post:
-
13-01-2016 #5
the settings in the photos are of the one from whom I bought the machine. I myself had already both "Step Port" and "Dir Port 'changed from 0 to 1. So" step Port "is one and" Dir Port "is 1 but the result remained the same, no rotating spindle motor . I also have afther the change this, Mach3 restarts.
but thanks for your respons.....
-
14-01-2016 #6
So what about the enable pin on the drive.?
Unlike Steppers drives Servo drives need to be enabled. You say it's not connected. If not then this will most likely be why it's not working.Last edited by JAZZCNC; 14-01-2016 at 11:14 AM.
-
The Following User Says Thank You to JAZZCNC For This Useful Post:
-
13-01-2016 #7
I have placed Some picture, Clive...
Thread Information
Users Browsing this Thread
There are currently 1 users browsing this thread. (0 members and 1 guests)
Similar Threads
-
X2 Mill motor Problem
By A11an in forum Milling Machines, Builds & ConversionsReplies: 18Last Post: 20-01-2022, 12:26 PM -
Removing stepper motor problem from sherline mill
By Neeps in forum Sherline MillsReplies: 1Last Post: 12-04-2015, 12:09 AM -
AC servo motor to replace a 3 phase induction motor on a mill spindle.
By rnr107 in forum Spindles & Drive MotorsReplies: 2Last Post: 23-04-2014, 03:14 PM -
Emco C5 spindle motor control
By GeoffV in forum Motor Drivers & ControllersReplies: 2Last Post: 19-03-2014, 04:20 PM -
FOR SALE: Mini Mill spindle motor + controller etc
By pjm in forum Items For SaleReplies: 1Last Post: 22-06-2010, 07:34 AM



Reply With Quote

Bookmarks