Thread: Resistor Question
Hybrid View
-
07-04-2013 #1
This question may be truely stupid but I have to ask.
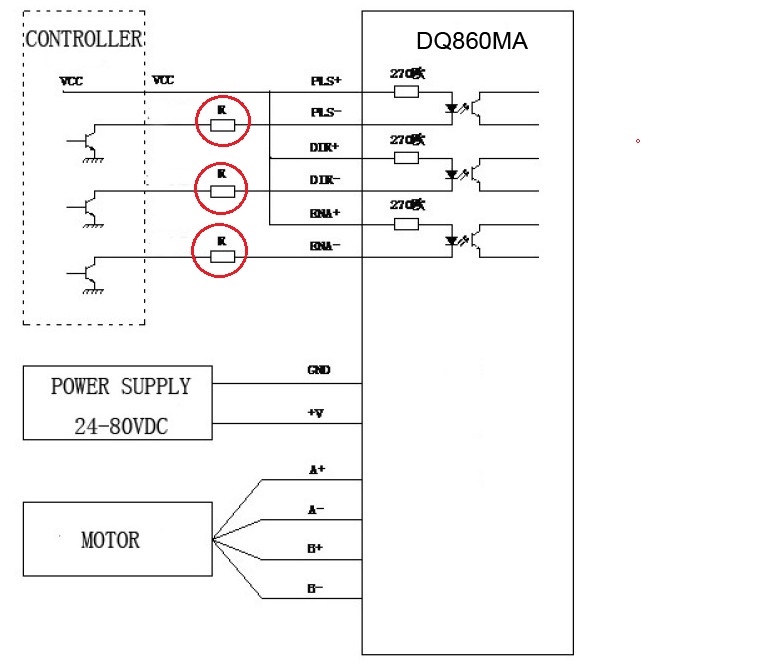
What does the resistor do that I have circled in red and is it something I need to add to the circuit?
I thought you would directly conect the Breakout board to the drive.
Jim
-
07-04-2013 #2
Note: When VCC=5V, R=0
When VCC=12V, R=1K, >1/8W
When VCC=24V, R=2K,>1/8W
R must connect in the control signal part .
When using a BOB from a pp they are 5V output to the driver and therefore R = 0 and not needed if a controler is used that outputs a higher voltage then you have you use a current limiting R in the line...Clive
-
The Following User Says Thank You to Clive S For This Useful Post:
Thread Information
Users Browsing this Thread
There are currently 1 users browsing this thread. (0 members and 1 guests)
Similar Threads
-
Resistor Calculator
By Lee Roberts in forum General ElectronicsReplies: 2Last Post: 17-04-2012, 05:22 AM -
To usb,or not to usb,that is the question.
By Jumbo in forum General DiscussionReplies: 11Last Post: 17-10-2011, 09:21 PM -
ATX power supply - load resistor - do I need one ?
By rckeith in forum General ElectronicsReplies: 4Last Post: 18-08-2010, 03:21 PM -
question ...
By Wobblybootie in forum General DiscussionReplies: 6Last Post: 04-01-2010, 12:04 AM -
What type of resistor?
By Smiler in forum General ElectronicsReplies: 4Last Post: 05-12-2008, 10:04 PM



Reply With Quote

Bookmarks