Threaded View
-
07-04-2013 #1
Hi guys if anyone has the time could they look at PItank there are 3 ristors metioned and if you could tell me what I need to buy or even better find a link for them on RS (I'm already going to order the other parts from there) I would be forever in your debt :)
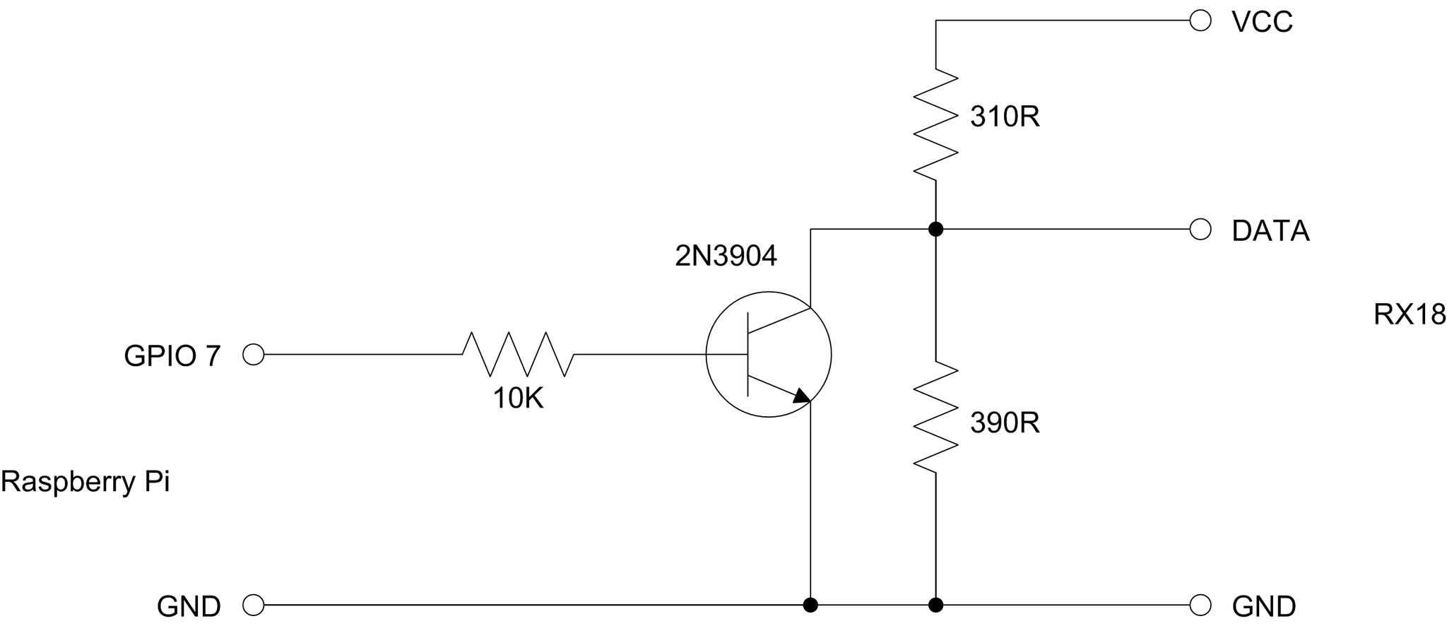
"The 2N3904 transistor has a high enough slew rate and hfe that we can choose a relatively high value for the resistor between the GPIO pin and the transistor — in this case, 10K. This really cuts down on the current being drawn from the GPIO pin, protecting the Raspberry Pi. On the other side of the transistor, a potential divider created with the 310R and 390R resistors creates a 4V level from the 7.2V power line."
More Info
"The resistor values in this circuit don’t have to be exactly the same as mine – anything roughly similar will do. The potential divider created by the 310R and 390R resistors ensures that when the transistor is off, the output is roughly 4V, but this 4V is fed into the RX-18 which isn’t particularly picky about its input levels. In fact, even with my resistors, the output is rarely exactly 4V as VCC varies between 6 and 8 volts depending on how full the battery is.
So long as you get a resistor close to 310 Ohms — 330 will be absolutely fine — you shouldn’t run into any problems."
Fiction is far more plausible when wrapped around a thread of truth
Nothing great was ever achieved without enthusiasm.
Ralph Waldo Emerson
Thread Information
Users Browsing this Thread
There are currently 1 users browsing this thread. (0 members and 1 guests)
Similar Threads
-
a 4th axis... and quick
By kingcreaky in forum Marketplace DiscussionReplies: 5Last Post: 29-10-2013, 11:34 AM -
quick reply box
By wilfy in forum General DiscussionReplies: 3Last Post: 01-03-2013, 11:10 AM -
Quick Advice Needed - F&S
By Tenson in forum Tool & Tooling TechnologyReplies: 1Last Post: 01-01-2013, 06:38 PM -
Quick cable question
By PWD in forum General ElectronicsReplies: 18Last Post: 11-12-2012, 09:25 PM -
Quick question
By m.marino in forum General DiscussionReplies: 2Last Post: 18-02-2011, 04:30 PM



Reply With Quote
Bookmarks