Thread: Eagle CAD problem
Hybrid View
-
03-05-2013 #1
Hi Guys,
I'm trying to make a very simple circuit board for my PI tank the first thing I want to add to it is the GPIO interface which is just this..
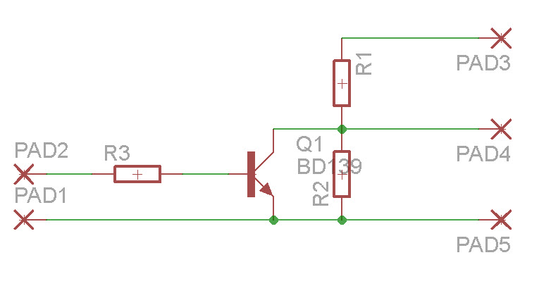
So I download Eagle CAD watched some tutorials and came up with this replication
But as you can see when I go to circuit layout it doesn't attached or route the parts the same as the one above .. anyone know why please ?
Am I just being dumb and this is the correct routing ?
Because it doesn't look like that on Ian's ?
I want to add all the small circuits on the diagram into one board so I can house it in a box.
Last edited by Fivetide; 03-05-2013 at 07:29 PM.
Fiction is far more plausible when wrapped around a thread of truth
Nothing great was ever achieved without enthusiasm.
Ralph Waldo Emerson
-
03-05-2013 #2
fivetide,
Unless I am missing something,and probably am,
this one shows the "air routed lines" and you can still move the various "parts" such as pads to different physical locations on the board by click and dragging where you want. Then hit the "ratsnest" icon and it will reroute the air lines in case you have a mess. Then you can to the final routing either by auto route or manual routing to get the "blue traces" that are the actual traces you want on the board.
Hope this helps.Art
AKA Country Bubba
(Older than Dirt)
-
03-05-2013 #3
Hi Bubba, it was more the fact that R1 is routed to the center pin on the NPN , because that don't follow what I thought I had sketched .. or is the right pin the center pin when you go to the PCB layout ?
Fiction is far more plausible when wrapped around a thread of truth
Nothing great was ever achieved without enthusiasm.
Ralph Waldo Emerson
-
03-05-2013 #4
fivetide,
I "think" your confusing the schematic symbol and the physical symbol. From the data sheet that I pulled, you can see the "base" is pin 3 and from what I am understanding your concern, you think the base should be pin 2? I believe you have things shown correctly per the schematic that you put up. And here is the full cutsheet http://www.kitsandparts.com/BD139-16.pdfArt
AKA Country Bubba
(Older than Dirt)
-
03-05-2013 #5
Hi Bubba thanks for your reply's .. the part I'm using is RS-Part is it still the same layout ? Only the picture of the board Ian did looks like it follows the same tracks in real life ? if your right then what looks like the center pin is the right pin ?
Fiction is far more plausible when wrapped around a thread of truth
Nothing great was ever achieved without enthusiasm.
Ralph Waldo Emerson
-
03-05-2013 #6
fivetide,
I looked at your schematic to find the part number BD139 and then did a google on that number. This is an industry standard part number. HOWEVER, I just looked up the part number you referenced above and it is a 2N3904.
Now looking at its pinout, and I can see the confusion!. It indeed does have the base in the center pin! You need to change the part no in your schematic to the correct one for the transistor that you have.
Here is the url to the cut sheet that I have ref'd:
http://www.fairchildsemi.com/ds/2N/2N3904.pdf
HTHArt
AKA Country Bubba
(Older than Dirt)
Thread Information
Users Browsing this Thread
There are currently 1 users browsing this thread. (0 members and 1 guests)
Similar Threads
-
Powertran VFD problem
By phill05 in forum Spindles & Drive MotorsReplies: 7Last Post: 29-10-2013, 07:59 PM -
The Eagle has landed or rather "The ISEL has landed".
By GEOFFREY in forum Machine DiscussionReplies: 4Last Post: 04-09-2013, 01:33 PM -
Eagle Cadsoft help please
By Fivetide in forum General ElectronicsReplies: 6Last Post: 17-07-2013, 05:24 PM -
Problem with X
By gorbo in forum General DiscussionReplies: 17Last Post: 24-02-2011, 05:33 AM -
Z Problem
By airwolf in forum Machine DiscussionReplies: 2Last Post: 10-11-2009, 08:08 AM



Reply With Quote

Bookmarks