Thread: AC servo motor help !
Hybrid View
-
28-12-2013 #1
Some more questions..
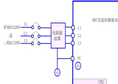
How to connect the single phase to L1/L2/L3 of driver ? phase -> L1 , neutral -> L2 , phase -> L3 OR neutral -> L1 , phase -> L2 , phase -> L3 OR it doesn't matter ?
If 1 or 2 of rectifiers fails what other failure can be happen in the drive ?
Must change the rectifiers with bigger current rectifiers ? how much bigger ?
(I have an oscilloscope so i can see if voltage is smooth when i add extra caps)
My driver specs (from here http://item.taobao.com/item.htm?id=1...catid=50006522 ):
AASD 30A servo motor parameters
Rated current :0 - 10A
Rated Power :0 - 3KW
Rated line voltage: 220V
Peak Current: 30A
Rated speed :0 - 3000Last edited by vre; 28-12-2013 at 04:04 PM.
-
29-12-2013 #2
I am at the point of buying the same servos. At the manual it states it works both on one phase and 3 phase, but nothing more. By the way if you don't have the manual i can mail it to you.
I will follow how this develops, hopefully it will work.
-
29-12-2013 #3
please send me (check your pm)
thank you.
-
29-12-2013 #4
Hi just send you the message with the manual. I believe there is should be enough capacitance and the drive to be prepared for the single phaze.
Look at the snip from the manual below and from another similar Chinese drive:
It seems the connection should be between L1 and L3/ judging from 3rd picture where they are named R and T/- i mean the phase and the middle one to be 0.
But dont trust me on this, just open it and see whats there and thinkLast edited by Boyan Silyavski; 29-12-2013 at 02:57 PM.
-
29-12-2013 #5
Thank you!
Ιam searching 2 days and i haven't found it!
Where you found it ? respect!!!!!!!!!!!!
I have also read (in chinese with translator) that these drivers is imitated (good imitation) but which is the original to download manual in
English from original manufacturer ?
Some photos of this drive:
(You can see the big smoothing caps, the 2 rectifiers which are down from caps also you can see that pcb supports
CN1 connector but missing this connector and some smd components near it.
I believe that is rs232/485 connector. Has someone schematic to add the extra components ? )
Last edited by vre; 29-12-2013 at 08:24 PM.
-
29-12-2013 #6
Hi,
Fred from BST automation / Aliexpress/ send it to me as i am at the point of buying from him the major mechanical and electrical components.
I am not sure but it seems from the 1st photo that L1 and L3 as i suggested are where the phase will go, judging from the fuses. But when in doubt i go to a local electronic repair shop and for 1 min the guy solves my doubts with advice, so that will be the wise choice to do.
I believe they should be Mitsubishi most possibly. But- bear in mind that every copy is a thing on its own, just use the manual i send you. yeah, i know, the crappy Chinese English translation.
-
30-12-2013 #7
-
30-12-2013 #8
Not that i am an expert, but common sense tells me that by the way Lauren connected his drive he achieved nothing more than using only 1 rectifier, assuming his drive has similar schematic.
From what i see the way to use the 2 rectifiers will be to connect /phase and ground/ to each rectifiers 2 legs /s and s / in parallel which means the rect 2 s and s inputs MUST be un soldered or the path cut with exacto knife so that they are not together
It probably will work without problem with 1 rectifier.If is not possible to unsolder the rectifier legs or split the path with exacto knife, having in mind that on ebay are selling big heavy duty rectifiers for dirty cheap, just 1 bigger rectifier and forget about connecting the second.
PS. Dont mess adding components, what is written on a board and is missing, does not mean you can add it without understanding what you are doing.Last edited by Boyan Silyavski; 30-12-2013 at 01:35 AM.
-
29-12-2013 #9
Thank you i will check it.
Look and other sellers BST automation is not the cheaper...
-
29-12-2013 #10
You are wrong there. Dont look only the prices stated there. He is the one of the cheapest and very reliable+ speaks good English. He and Chai from linearmotionbearing . He gives extremely good prices for ball screws and rails, especially if you buy all from him. and there is a great choice. One very important thing is that he can provide almost anything you see on Aliexpress, just ask him. And is speedy with the answers.
For now he is my best choice of supplier from China.
Thread Information
Users Browsing this Thread
There are currently 1 users browsing this thread. (0 members and 1 guests)
Similar Threads
-
AC servo motor to replace a 3 phase induction motor on a mill spindle.
By rnr107 in forum Spindles & Drive MotorsReplies: 2Last Post: 23-04-2014, 03:14 PM -
What size servo motor do I need.
By Jonathan in forum Stepper & Servo MotorsReplies: 1Last Post: 31-03-2014, 09:16 PM -
2.2kw servo motor for spindle
By blayde in forum Spindles & Drive MotorsReplies: 1Last Post: 01-01-2014, 04:48 AM -
Servo motor sizing?
By gavztheouch in forum Stepper & Servo MotorsReplies: 1Last Post: 18-04-2013, 11:40 PM -
servo motor as spindle motor
By Scott in forum General DiscussionReplies: 1Last Post: 03-10-2010, 06:42 PM



Reply With Quote


Bookmarks