-
12-08-2013 #11
Hi irving
If i was making the handle assembly i would manufacture from one piece of ally with an interference fit for your two bearings. also make the 150mm length 22mm Dia & then you can fit some proper cycle handlebar covers.I bought that ring gear just to see if i could work out the gear form(probable modular) don't know if the required wheel size will mesh though as the mating components from the hub it came from are rather small.
Take care M8
-
12-08-2013 #12
Thanks for your input.
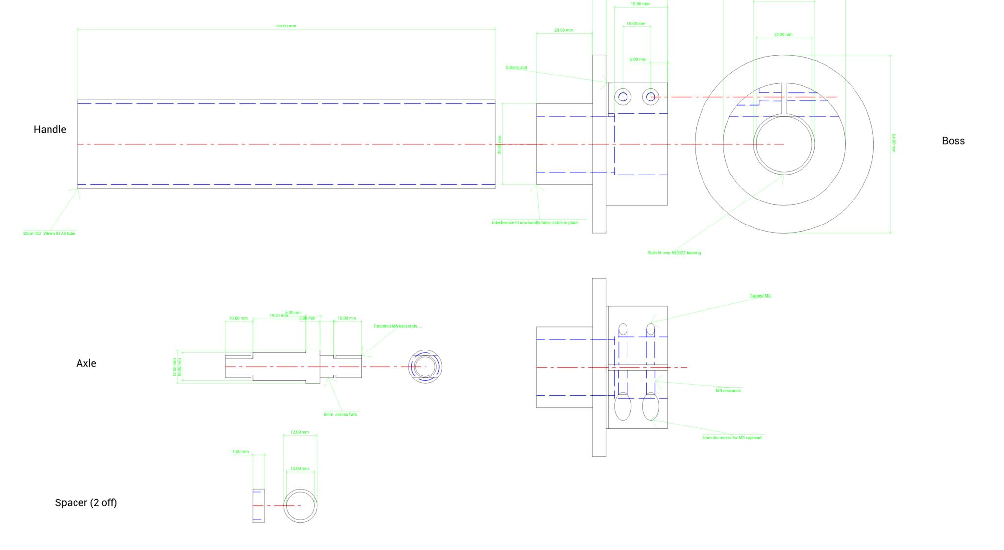
I had considered machining it from the solid but thats a huge amount of wastage of a 65 or 70mm bar x ~350mm. Thats over £50 +p&p on ebay to throw 50% away! However if someone wants to provide the stock for free then I'm not proud
Not sure a pure interference fit would be stable enough and all the designs i looked at use a clamp arrangement with either one or two clamp bolts. Two bolts might be overkill tho.
The diameter of the grip needs to be much bigger than a normal cycle handle bar as I cant wrap my fingers that tightly. The 32mm dia is the same size as the one I use at the rehab unit and will be wrapped in bar tape or sleeved with rubber tube heatshrunk on.
-
12-08-2013 #13
-
12-08-2013 #14
-
12-08-2013 #15
If made from solid you could place one bearing in the centre of the handle and one @ the end
-
12-08-2013 #16
My original design was like that but with a bearing insert at the far end of the tube, means a longer axle of course. But none of the commercial units are like that as they offer a range of handle shapes (i.e. bent tubes) for different disabilities so really I'm copying a tested approach.
-
12-08-2013 #17
Understand now but if you do not intend to add various extensions your first idea is a better/stronger design,also you would not need the pinch bolts and the slot that is going to weaken the assembly @ the point of most strain, making a shaft with a step to locate the bearings so they are captive on the shaft. if that makes any sense, unfortunately i am not proficient with sketchup as i could better explain with a drawing.
regards
Mike
-
13-08-2013 #18
Personally I'd have gone for solid and let me take the weight out of it by boring.!
Regards clamps bolts then probably 2 has it will clamp more even. How many bearings are you planning on using.?
Also the specs for 6900zz are 22x10x6 and if this is being assembled like I think (see pics) then you have allowed for 2 bearings @8mm is this correct.?
See pic6 and you'll see what I mean with 6mm bearing and 4mm spacer between, it leaves shaft sticking out.!
Let me know if I'm wrong and if this is the final drawing.
cheers
Dean.
-
13-08-2013 #19
Dean,
If you prefer to machine from solid and dont mind the wastage feel free
I went for the lowest cost approach.
When you say 'shaft sticking out' I assume you mean the inner end of the axle? Thats why there are 2 spacers, the second goes on the end of the axle and a standard M8 nyloc nut & washer bears against it. I did it this way as in the past i found a M8 nut is too large and fouls the bearing outer race (da max for bearing 12mm, A/C for nut is 15mm) and turning an M8 washer down to 12mm is fiddly.
But if you have a better solution....
-
13-08-2013 #20
Ok will do not a problem just small delay on material, which I've sorted. I Should have material for weekend so will do it then.
Ah ah my mistake didn't see x 2. . . . Lol . . . . Thou think it better to space the bearings far apart has possible so I'd be inclined to make a washer, so I'll do that if you don't mind. I'll make wider spacer and turn a washer down, turning washer down is easy enough so no problem.
Like this.
Thread Information
Users Browsing this Thread
There are currently 1 users browsing this thread. (0 members and 1 guests)
Similar Threads
-
Second hand machines & their features
By navins in forum Machine DiscussionReplies: 5Last Post: 19-03-2014, 11:01 AM -
Hand Ergometer
By irving2008 in forum General DiscussionReplies: 50Last Post: 11-08-2013, 05:55 PM -
75 mm HAND WHEEL
By Lee Roberts in forum Programmers CornerReplies: 18Last Post: 19-03-2012, 02:58 PM -
NEW MEMBER: want buy new or second hand cnc
By buildwood in forum New Member IntroductionsReplies: 8Last Post: 20-10-2011, 05:36 PM -
NEW MEMBER: second hand machine
By steve r in forum New Member IntroductionsReplies: 1Last Post: 18-11-2009, 09:00 PM

Reply With Quote


Bookmarks