Thread: Hardinge KL-1
Threaded View
-
10-09-2013 #1
Hello,
I have fairly recently been lucky enough to get hold of a Hardinge KL-1 lathe, and though it would be good to share some of my experiences with it.
I know the history of the machine for most of it's life as it came from the company at which I work, so most of what I plan to write about is, at least initially, about getting it to function.
I hope this will also be a record for myself as well for what I did, so I apologise if some of the things I write about have already been covered!
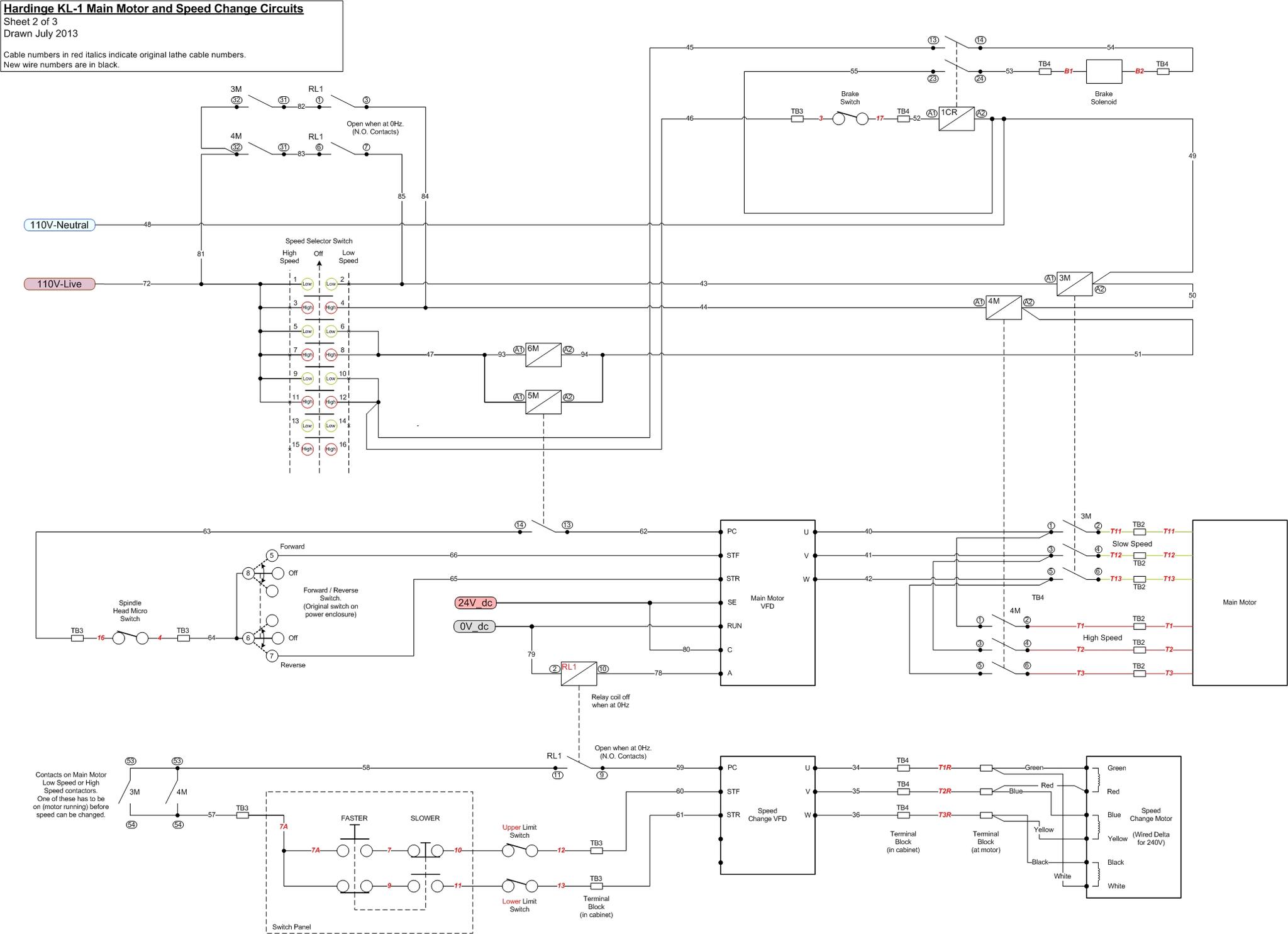
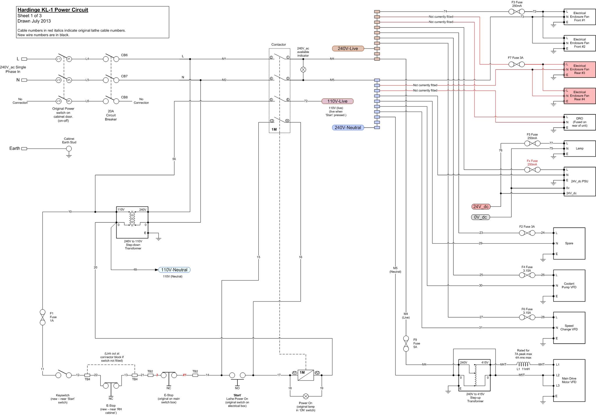
This is going in my garage, so no 3-phase there. It's the conversion to single phase - that's the first job.
Here is the lathe:
I'm not entirely sure of the manufacture date, as the serial number lists seem to be for US versions, not UK versions.
Searching the various forums tells me:
The main motor is a dual speed 0.5hp/1.5hp 415V_ac 3 phase motor.
The speed change motor is a dual voltage (240V_ac/415V_ac) 1/20hp three phase motor.
The coolant pump motor is also a dual voltage (240V_ac/415V_ac) three phase motor.
The carriage feed motor is a 90V_dc motor.
My initial aim is to power the dual speed main motor, really just to prove that the lathe is actually functioning, and there’s nothing seriously wrong with it.
Paul.Last edited by pauly45; 10-09-2013 at 07:26 PM.
Thread Information
Users Browsing this Thread
There are currently 2 users browsing this thread. (0 members and 2 guests)
Similar Threads
-
REBUILD: Renovating a Hardinge HLV-H
By BillTodd in forum Lathe Rebuild LogsReplies: 100Last Post: 09-01-2020, 04:47 PM -
REBUILD: Hardinge HC rebuild
By northumbrian in forum Lathe Rebuild LogsReplies: 29Last Post: 21-02-2017, 12:07 PM -
WANTED: Hardinge hlv-h or Feeler 618
By cookie in forum Items WantedReplies: 1Last Post: 26-02-2011, 09:09 PM -
NEW MEMBER: Hardinge HLV-H Lathe
By Roger Williams in forum New Member IntroductionsReplies: 1Last Post: 25-08-2009, 01:56 PM -
Hardinge HLV-H manuals
By BillTodd in forum Milling Machines, Builds & ConversionsReplies: 13Last Post: 10-02-2009, 12:22 AM



Reply With Quote
Bookmarks