Thread: Ready Steady Eddy
-
16-11-2013 #61
Sometimes i am not sure what happens, so i just hit the pause / feedhold/ button, instead of the estop. Spindle still rotates and i check. if everything ok, i hit the "cycle start" button which is also at the machine, so everything continues, as if nothing have happened.
The keyboard is 2m away in my case, so its not easier.
I do this if i want to check if the material has loosened on the fixture, clean some bearings, remove sticks from the vacuum shoe and so, without further interrupting the process.
On next machine i will have flood and vacuum buttons also. Sometimes when i want to do something with the keyboard i accidentally touch the wrong buttons. last time somehow i zeroed the machine coordinates. So had to stop, go to home, zero again, get out of Mach3,save fixture, then again in, zero on the work piece and start again the job.
-
17-11-2013 #62
Excellent doc eddy, spot on. Also very handy as it details hooking up a AB msr138dp which I have just bought on ebay for £30! After looking into the specs there are 10 different varieties (various voltages/delay ranges) and I think this is the right one/most useful (hope so, I've bought it now!) - 440R-M23143 (24v - 0.15 - 3 seconds delay)?
Also, I spoke to the guy and he said he has another which he is willing to sell for the same price. Let me know if you are interested eddy and I will pass on his number
Cheers.
-
17-11-2013 #63
Eddy,
what is this one: *spindle over temperature switch activated ?
Where did you find a cheap temperature sensor with digital display that has a contactor or signal at programmed temperature?
I have bought a cheap 7eur battery one with temperature alarm, and thought of using the alarm output ~3v to connect to the BOB, but forgot about this project.
Once i accidentally switched off the water pump and spindle worked all day before i touched it and saw it was hot. Nothing happened. Still works. Though was just V carving.
-
17-11-2013 #64
Good timing lads !
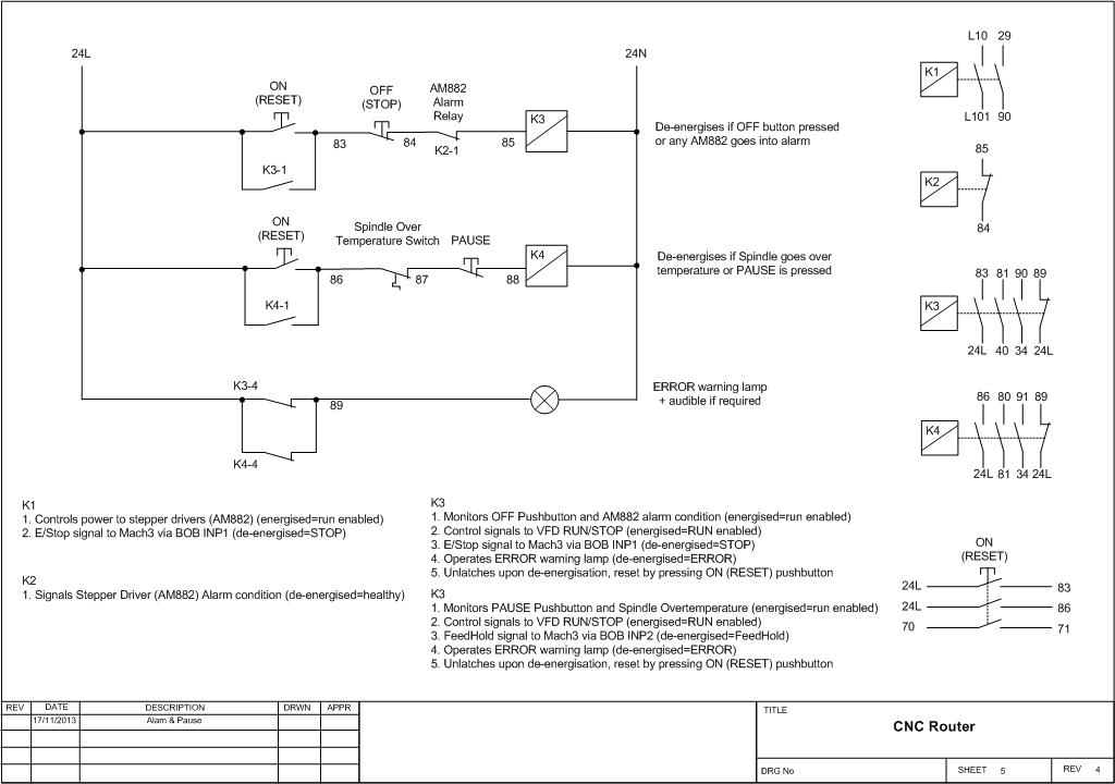
@silyavski, the temperature switch was already built into my spindle, it is closed normally and opens at high temperature.
@cncJim, see latest drawings
Here are my latest drawings
Features
---------
Strategy 1
* Emergency stop immediately signals VFD to stop and several seconds later (time to be assessed but possibly 6 seconds) delayed contacts of Guardmaster safety relay open to operate STO (Safe Torque Off) feature of VFD which disables control voltage and power semiconductors.
* Power removed from Stepper Drivers via Guardmaster safety relay and K1
* Stop command issued to Mach3 via K1 (even if Mach was still active the VFD and Stepper Drivers would still be disabled)
Strategy 2
* Stop signal sent to VFD via K3 relay
* Stop command issued to Mach3 via K3
* Enable (ENA) signal activated via Mach3 and BOB to disable stepper drivers
Strategy 3
Not implemented - same as Strategy 2
Strategy 4
* Stop signal sent to VFD via K4 relay
* FeedHold command issued to Mach3 via K4
* Enable (ENA) signal activated via Mach3 and BOB to disable stepper drivers
Strategy 5
Not implemented
Notes:
Strategy 3 could be implemented by incorporating a relay contact from K3 into K1 coil circuit however because all 4 contacts of K3 are being used another single contact relay would have to be connected in parallel with K3.
Strategy 5 could be implemented by removing the Pause push button and having only K4-4 contacts operational.
* A PAUSE push button has been added, this will stop the VFD and send a FeedHold signal to Mach3, to continue the ON (RESET) push button is pressed.
* A Charge Pump relay has been added to the Emergency Stop circuit this so the system can initiate an Emergency Stop if the software stops or communication is lost.
* If the Circuit Breaker for the Stepper Drivers trips then K1 will de-energise and send a STOP signal to Mach3.
* ENA signal now connected from BOB to all Stepper Drivers
( ** As yet I have not cobbled together the Charge Pump relay but I think a small 5v coil one will do the job as my BOB can source 20mA. **)
Relays K2,K3 and K4 are these
http://www.ebay.co.uk/itm/1set-Base-...item5d388b7d84Last edited by EddyCurrent; 18-11-2013 at 09:22 AM.
-
18-11-2013 #65
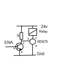
I'm thinking this is going to be my Charge Pump relay circuit. My BOB ENA signal is active low so the relay will be in the 'healthy' state when de-energised, this is not fail safe and I could have inverted the signal but it's going to do. The BOB is supplied by 24vdc and so GND is common to the 5v and the 24V.
Last edited by EddyCurrent; 18-11-2013 at 10:45 PM.
-
18-11-2013 #66
-
19-11-2013 #67
-
19-11-2013 #68
Good stuff EddyCurrent, I'm still working my way through your diagrams trying to fully understand :) - Do you have any provision for activating your estop circuit from the controlling software? I suppose the argument could be made that its not needed unless the pc a distance from the machine?
I have just acquired 10 of these from a control panel I stripped down (7x 24v and 3x 230v) which seem to be a similar spec to yours:-
Finder TYPE 55.34
The 5A rating, is that for the entire relay or for each contact?
There are also 4 contactors which I haven't taken out yet. Are there any practical/safety differences between a relay and a contactor?Last edited by cncJim; 19-11-2013 at 06:39 PM.
-
19-11-2013 #69
that'll do it. i'd put a series resistor between BOB and base of transistor, value depends on pull-up on BOB. If there is no pull-up (i.e. its an o/c output) use 10k to 5v rail.
R needs to be something like 2k7 0.5W rating if connected to 24v, or 470R 0.125W if connected to 5v rail.
BD679 is fine as output transistor if a bit of an overkill. Any small signal NPN with a gain >50, Vce >40v and Ic >200mA will do for the input transistor e.g 2N3904, BC337 or similar
-
19-11-2013 #70
Last edited by Jonathan; 19-11-2013 at 01:04 PM.
Thread Information
Users Browsing this Thread
There are currently 10 users browsing this thread. (0 members and 10 guests)
Similar Threads
-
traveling steady, turning 1/2 bar down over 10".
By graffian in forum Metalwork DiscussionReplies: 3Last Post: 08-05-2013, 07:59 PM -
NEW MEMBER: Hello all, finally ready to start a build log.
By Iwant1 in forum New Member IntroductionsReplies: 11Last Post: 25-12-2012, 06:03 PM -
eBay: Boxford 125 TCL Mach3 Ready
By rnr107 in forum Items On eBay UKReplies: 1Last Post: 25-07-2012, 07:29 AM -
Anyone have experience of ready made machines
By bogstandard in forum Milling Machines, Builds & ConversionsReplies: 9Last Post: 07-04-2010, 07:44 PM -
Windows 7 RTM Confirmed & Ready !
By Lee Roberts in forum Computer SoftwareReplies: 8Last Post: 29-07-2009, 03:33 PM


Reply With Quote

Bookmarks