Thread: Hardinge HC rebuild
Hybrid View
-
01-11-2012 #1
Post number two it might as well be my new baby.
Bought this Hardinge HC off ebay, it runs, but the brake and the power feed are buggered.
It is also, absolutely filthy, which has prompted me reading the Hardinge/Feeler rebuilds on here to do the same. Pull it to pieces and rebuild it properly.Last edited by northumbrian; 01-11-2012 at 11:46 AM.
-
01-11-2012 #2
The turret is not an automatic indexer, you have to turn the turret by hand then lock it in place with the handle.
The serial number is on the flat around the spindle lock, and is 1020/1 if I have it correct it may be from the early half of the 1930's
The machine was originally owned by Flight Refuelling Ltd, which make air to air refuelling equipment for military aircraft, I wonder which parts this machine made.
For the last ten years it has been used by a small engineering company in Reading, for small runs of parts.
More pics to follow
-
01-11-2012 #3I doubt it's that old. HLV's that had a similar hand-wheel speed control and bed-design date from the late 1940's to 1960 when the HLV-H was introduced. I'd guess yours is not older than the mid 1950's and maybe as late as the 1960's.The serial number is on the flat around the spindle lock, and is 1020/1 if I have it correct it may be from the early half of the 1930's
It looks in pretty good condition for an HC; they tend to have a hard life - I repaired a couple of handles on a pair of late 70's vintage HC's a week or two ago that looked far worse. (The plastic carriage handles had worn right through their spindle - How many time must the carriage been up and down to do that???)
The turret should spin to the next index as the lever is opened - There's a lever and ratchet system under the turret that is either worn, broken or, most likely, gummed-up with congealed coolant.
[edit]
I believe the brake is similar to the HLV-H i.e. a solenoid operated lever with a cork pad onto the motor.
Does the solenoid operate? (you'll hear it go clunk as the motor is powered) Or is there no braking? (replace the cork)
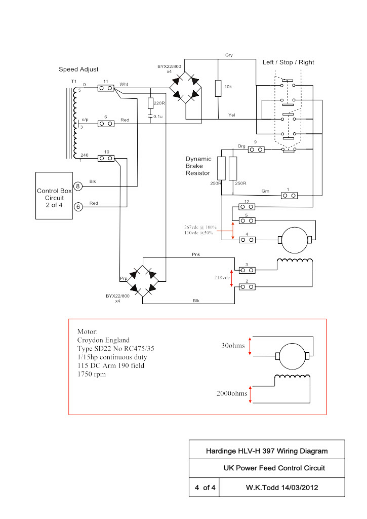
The power feed is the same as my one by the look of it - They're easy enough to fix, if the motor is OK. Check the motor brushes and winding resistances first.
BillLast edited by BillTodd; 01-11-2012 at 02:39 PM.
-
01-11-2012 #4
-
The Following User Says Thank You to northumbrian For This Useful Post:
-
20-02-2017 #5
i have a question based on your pictures. my turret has backlash in some stations, how can i adjust any backlash. adjustments or rebuild.
-
21-02-2017 #6
Hi, I have just sold my HC, but thanks for your question.
From what you ask, it seems that the backlash is located at the small pads on the turret.
If I remember correctly, these pads are adjustable by screwing them in or out. There may be a small grub screw to stop the pad from screwing itself out.
I would make the adjustment at mid-point on the turret-lock taper.
I hope this helps. .... Steve
-
01-11-2012 #7
I am inclined to agree with you, regards the age of the machine... BUT
There are too many "hang on a minute" moments, firstly they're is no ratchet for the turret I have taken plenty of pics and I will upload them as soon as they transferred from the camera.
The two bearings for the turret are ball races, as per later versions if I recall correctly, but the friction surface upon which it rotates, looks to me like bakelite
The Brake is as you say, solenoid actuated lever with a cork, and it looks like both solenoid & cork are buggered.
The powerfeed is I believe just the motor, I have had a look in the control box and everything in there looks OK, biggest pot I have ever seen, didn't know they made that big
Anyway piccies coming
-
01-11-2012 #8
I thought all Hardinge turrets were self indexing, these were made for fast production (I could be wrong) so perhaps there are parts missing???
[edit - having seen your pictures] Oh yes, that looks like it just has a ball-bearing detent
You probably want to hope that it's not the motor :( I doubt they are available from Hardinge for less than an arm & leg and second hand ones from HLV's are almost as rare as originals. Peter Coleman (Yahoo Hardinge group etc.) had to replace his with a three-phase motor (I don't think it was such a huge success)The powerfeed is I believe just the motor, I have had a look in the control box and everything in there looks OK, biggest pot I have ever seen, didn't know they made that big
The 'pot' is a variable transformer or 'variac' - it varies the voltage (rectified to DC) to the armature .
Check the solenoid continuity (it may be just a mechanical problem - It has happened to my HLV-H )it looks like both solenoid & cork are buggered.
-
01-11-2012 #9
They scrub up quite nicely don't they
-
01-11-2012 #10
Looking at the turret I cannot see anywhere a ratchet system could be, it looks very basic indeed.
Here's the Bakelite ring, I don't actually know if Bakelite is still used or not?
Thread Information
Users Browsing this Thread
There are currently 1 users browsing this thread. (0 members and 1 guests)
Similar Threads
-
REBUILD: Renovating a Hardinge HLV-H
By BillTodd in forum Lathe Rebuild LogsReplies: 100Last Post: 09-01-2020, 04:47 PM -
Hardinge KL-1
By pauly45 in forum Conversion Build LogsReplies: 22Last Post: 18-10-2013, 07:31 PM -
WANTED: Hardinge hlv-h or Feeler 618
By cookie in forum Items WantedReplies: 1Last Post: 26-02-2011, 09:09 PM -
NEW MEMBER: Hardinge HLV-H Lathe
By Roger Williams in forum New Member IntroductionsReplies: 1Last Post: 25-08-2009, 01:56 PM -
Hardinge HLV-H manuals
By BillTodd in forum Milling Machines, Builds & ConversionsReplies: 13Last Post: 10-02-2009, 12:22 AM



Reply With Quote


Bookmarks