Threaded View
-
24-12-2013 #1
HelloEveryone,
Ihave been lurkingon the side lines for a few months now reading posts and designing a3 axix, gantry style router. The design work is pretty much done andI have started on the build, hopefully I get to post some images ofmy progress soon.
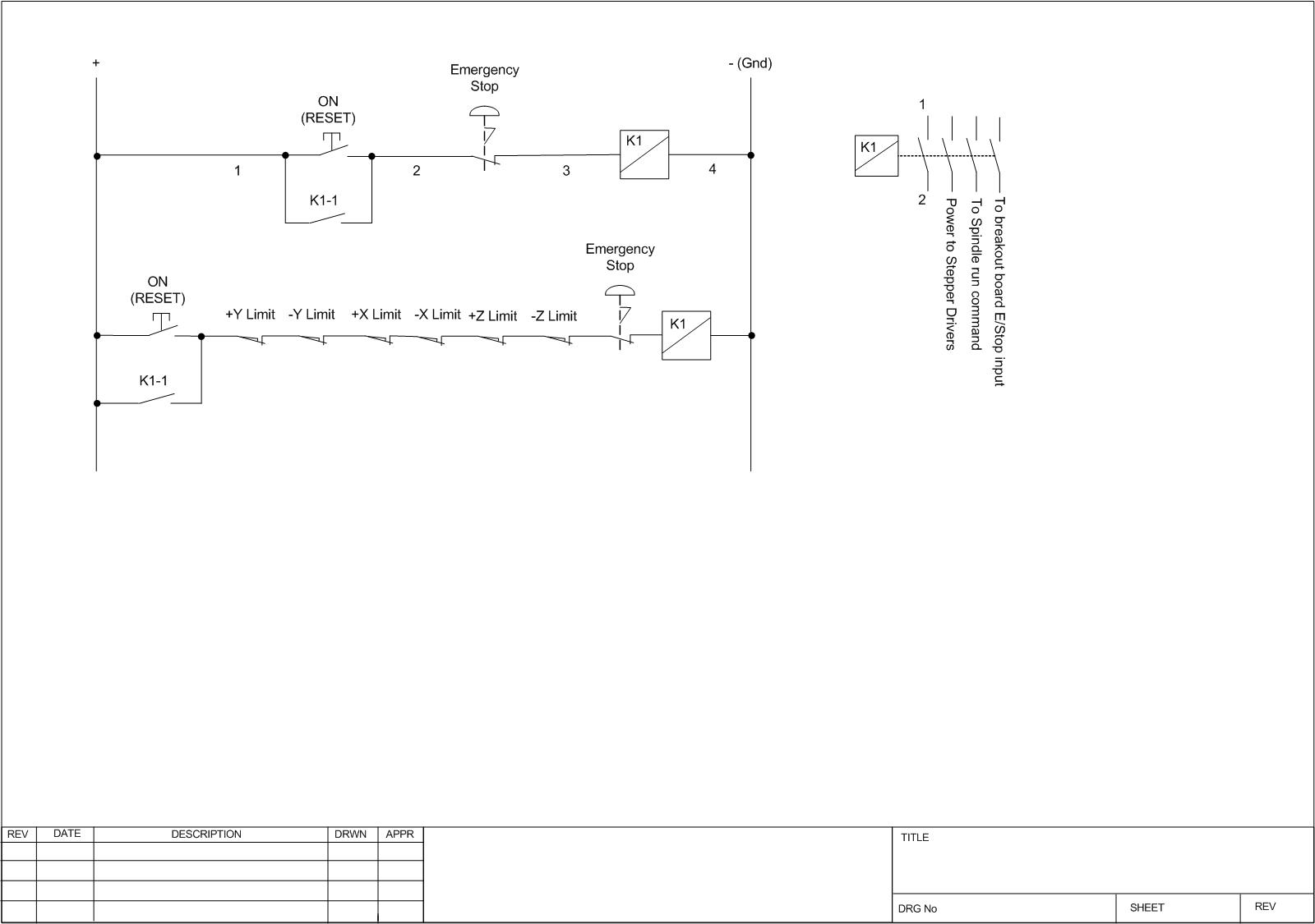
Myquestion lies with the circuit around limit and home switches. I haveattached an image showing the circuit so far but I have a fewunknownsbefore i can commit to wiring. I will be using a PNP proximity switch(LJ12A-4-ZB/Y) and the BOB HG07 from CNC4YOU. I am not great withelectronics so this is the area I would appreciate some help.
1.I am not sure if I have got the wiring right for the LJ12A's?
2.Is it ok to collect together the LJ12A's for the Y and X axis fromboth an electronics point of view and a MACH3 angle?
3.Will the LJ12A appear to the BOB like a microswitchand if so will it be N/C or N/O?
4.I would like to open a relay with the emergency button circuit sothat i can turn power off to a few items. Can someone suggestsomething suitable.
5.Do the LJ12A's work effectivelyboth in axially approach as passing by?
Ican't find very much information on the HG07 BOB input pins alongwith my lack of knowledge of electronics means I can't be certain ofthe circuit I came up with. I appologise for the diagram but itstarted out with me trying to work out how many wires I need and ifthey would fit into the drag chains!
Anyhelp would be much appreciated. Wishing everybody a Happy Christmasand here's to a little time off work to fiddle with CNC's
RegardsSimon
Thread Information
Users Browsing this Thread
There are currently 1 users browsing this thread. (0 members and 1 guests)
Similar Threads
-
EMC2 home/limit switches... only acting as limit?
By vputz in forum LinuxCNC (EMC)Replies: 4Last Post: 15-10-2014, 09:51 AM -
Limit and Home Switch Choice
By Wobblycogs in forum General ElectronicsReplies: 25Last Post: 02-12-2013, 06:16 PM -
FOR SALE: Z axis with Home/limit switch and Nema 23 3nm
By Shinobiwan in forum Items For SaleReplies: 6Last Post: 02-02-2013, 10:54 AM -
Limit switch wiring question ...
By Wobblybootie in forum General ElectronicsReplies: 20Last Post: 31-10-2010, 11:06 AM -
Limit switch's - best configuration?
By HiltonSteve in forum General ElectronicsReplies: 16Last Post: 13-08-2009, 01:26 PM



Reply With Quote
Bookmarks