Thread: Tonsen 4 Axis Controller/Bob
Hybrid View
- 
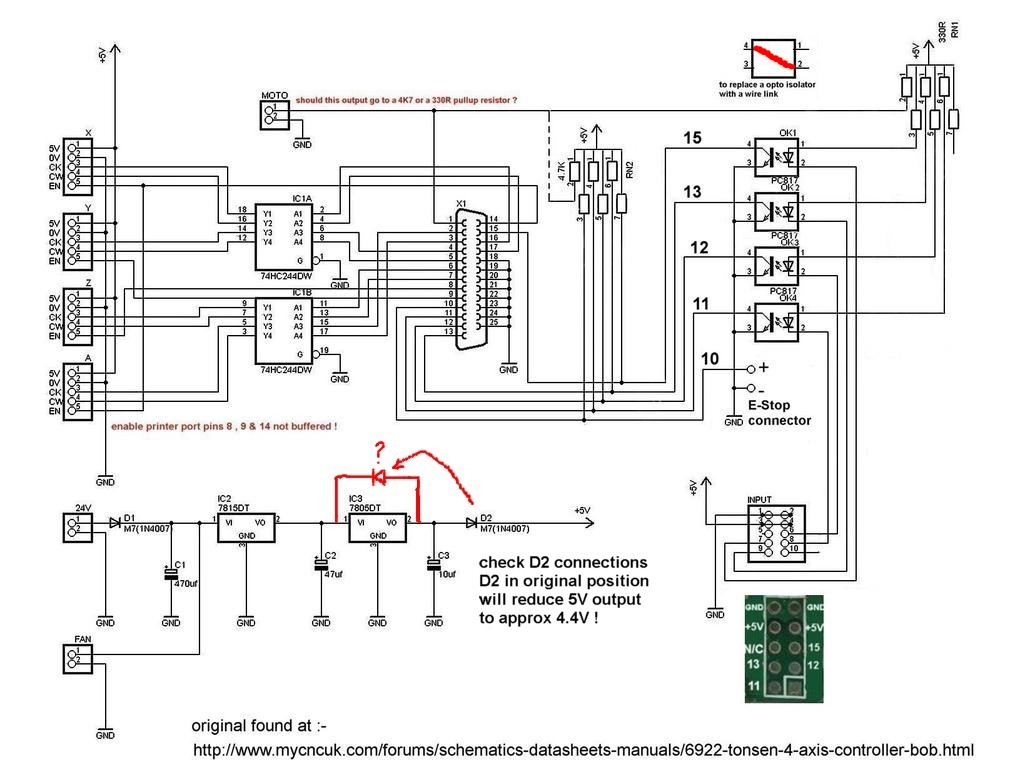
	18-12-2013 #1I pulled apart my controller just to check a few things ahead of my modifications and have made a schematic for it, it may be useful for people with the same board. 
 
 This is the board...
 
 
 It is simply marked Tonsen 4 Aixs Con (They probably mean Axis ) )
 
 This is the schematic...
 
 
 A few things to note...
 
 - The Q817 Opto-isolators, RN2 and Input header are not actually fitted as you can see from the board picture.(Top right)
- The power input is marked as 24v AC but it is DC.
- The caps are marked on the PCB 1000/35 for C1, 470/25 for C2 & 220/16 for C3 but the values in the schematic are fitted.
- The moto(spindle) header is on the board but it doesn't connect back to the spindle controller.
 
 
 In summary pins 2,3,4,5,6,7,16,17 are buffered through the HC244. Pins 1,8,9,14 are connected directly to the parallel port. Pins 10,11,12,13 & 15 could easily be converted to opto-isolated inputs with some extra components.
 
 The one thing that puzzles me is the Enable pins, in the manual is says to turn on Enable 1 & 2 and set them to pins 8 & 9. These control the Y & Z axis, but pin 14 which is connected to X & A is not mentioned, and I don't currently have this turned on in Mach3.
 
 Anyway use this information at your own risk, I am NOT an expert, always double check your board and pin outs.
 
 Regards,
 
 LesLast edited by Pointy; 18-12-2013 at 07:57 PM. Reason: Updated schematic 
 
- 
	18-12-2013 #2Do you think that the board will accept AC or DC as there appears to be some half wave rectification at the front end. ..Clive 
 
- 
	18-12-2013 #3I don't know to be honest, but it wouldn't surprise me if it were just a mistake. After all the port on the back of my controller is marked 'Parakkel Port', and they did spell Axis wrong! 
 
 Regards,
 
 Les
 
- 
	18-12-2013 #4It says AC beside the socket and as Clive says the diode would indicate this is true. 
 Pin 1 gets used for all sorts, on my bob it is the charge pump. on others it is marked 'strobe' or 'spindle enable' or operates a relay for 'spindle forward'.Last edited by EddyCurrent; 18-12-2013 at 02:02 PM. 
 
- 
	18-12-2013 #5
 
- 
	19-12-2013 #6
 
- 
	19-12-2013 #7I assumed that's what it was for but as stated I am no expert. 
 Spelling mistakes are fairly normal for cheap Chinese stuff (you should try and read the manual), but they do not make me worry about the quality.(Touch wood, so far, the electronics have been good)
 
 Regards,
 
 Les
 
- 
	17-07-2018 #8I'm a complete novice at this. I have this bob on my 3040t and want to add Home and limit switches. Can I just put the switches between +5V and one of the input pins, 10-13 , 15? 
 
- 
	18-07-2018 #9on some boards the opto-isolators and input connector are not fitted 
 
 a photo showing what components are fitted to your breakout board
 will make it possible to give you details of how to connect home & limit switches
 
 depending on what you have
 you need to connect the switches between the BOB ground and either the connections to the printer port pins 11, 12,13 & 15
 or the opto-isolator LED cathode
 
 a while ago I found a circuit diagram of the Tonsen-4-Axis BOB
 as it does not look like it's 100% correct I have added a few notes on this
 
 
 
 John
 
- 
	18-12-2013 #10Either would do but in this case 24v ac 1/2 wave would barely provide enough input for the voltage regulator so as you say Les it must be 24v dc 
 
Thread Information
Users Browsing this Thread
There are currently 1 users browsing this thread. (0 members and 1 guests)
Similar Threads
- 
  FOR SALE: Galil 1880 8 axis PCI motion controllerBy Boyan Silyavski in forum Items For SaleReplies: 1Last Post: 03-06-2014, 07:39 PM
- 
  eBay: Galil DMC-1580 Motion Controller 8-AxisBy Boyan Silyavski in forum Items On eBay UKReplies: 1Last Post: 25-12-2013, 10:30 AM
- 
  Reversed axis on a AXYZ 6010 after installing DNC controller software...By RickyThunders in forum Machine Control SoftwareReplies: 1Last Post: 12-02-2013, 03:56 AM
- 
  NEW MEMBER: Goal - Enable 3-Axis CNC Bed Mill to Perform 5-Axis MillingBy LoveLearn in forum New Member IntroductionsReplies: 2Last Post: 25-01-2012, 08:46 PM
- 
  Precision metal processing (3 axis, 5 axis, 7 axis) OEMBy 7AxisCNC in forum Manufacturer NewsReplies: 0Last Post: 17-05-2011, 02:04 PM
 
                


 
						
					 
					
						 
		 
		 
 
				
				
				
					 Reply With Quote
  Reply With Quote 
		 
		 
 
						
					 Originally Posted by EddyCurrent
 Originally Posted by EddyCurrent
					
 
						
					 
 
					
						 
		 
						
					
Bookmarks