Thread: routercnc_MK3
-
08-04-2014 #11
Don't use a relay for the probe as you'll get a delay and you don't want that.
Regards the relay then just use a Standard 12 or 24V relay for the limits. Unless your BOB inputs can accept 24V which they won't All your doing is running the 5V signal from BOB thru the NO contacts and keeping the wire length to the shortest possible. Most false trips are picked up from the Long limit switch wire runs connected directly to the input and often close to power cables acting as antena picking up stray signals. Using 24V means you can run it thru the Limits and E-stop to power the Relay coil making the system stable and won't trip the relay unless broken and keep the Signal wires short and inside the Control box.
Also I wouldn't use Solid state Relays as they tend to fail On which is BAD news for limits.!!
-
08-04-2014 #12
This is a similar 5v version, SainSmart 4-Channel 5V Relay Module for PIC ARM AVR DSP Arduino MSP430 TTL Logic Specializing in Arduino compatible development boards and modules, oscilloscopes and other electronics.
Circuit drawing
As Irving said regarding active low etc., as Dean said regarding probe and 24v circuit.
I'm a big fan of 'volt free' contacts, i.e. in this case the contacts of the relays, it lets you interface different voltages from different sources without problem and if you want to add other things into the circuit later on you won't have to modify existing parts to accommodate it. As Irving says, fewer components is more reliable but in this instance my preference is to use a relay.
In my case I eventually used 3 wire proximity switches for the home switches directly into the bob and a PILZ relay with the limits in series with E/Stop switches and then one of the PILZ relay contacts into the bob.Last edited by EddyCurrent; 08-04-2014 at 12:26 PM.
Spelling mistakes are not intentional, I only seem to see them some time after I've posted
-
08-04-2014 #13
Irving,
Thanks for the info. Yes, by 'other bits' I was referring to additional resistors to limit the current. It's not clear from the description but as this appears to be a module I think they must already be there. Thank you for the general explanation, that clears up the areas I was thinking about.
As for adding complexity etc. my main reason for looking into this was to reduce or eliminate false e-stops on the limit circuit. The homes and probe would be direct to the BoB as before. It is only the limits I was considering going to 24v via a relay. I think that is where the benefit will be - but when the new driver and BoB system has arrived I'll try it all direct to the BoB and see what happens.
Jazz, thankyou that confirms how I thought this would all operate. And yes, good point about no probe on a relay.
The reason I looked at a module system mounted to a board was to have simple wire connections. I had looked at automotive relays as these use standard spade terminals and had a mounting bracket, but then wondered about current resistors and diode spike protection and whether this was inside the relay box or not. Basically I don't want to have to build a PCB circuit board for this, just spade or terminal blocks onto something which works. So would the automotive type be OK?
I also looked at solid state relays but will avoid on that advice. I quite like hearing a click anyway to confirm all is well.
Eddy,
Thank you, I did look at that as well but it talked about PIC and Arduino and I didn't know what to make of it. But the diagram makes sense so thanks for posting that. I've decided to try out the BoB all direct and see what happens. If there is just one false e-stop I will add something like that - should be straight forward and there is plenty of space in the new control box I have planned out.
ThanksLast edited by routercnc; 08-04-2014 at 12:39 PM.
-
08-04-2014 #14
The point I was making is that if your BOB has optoisolated inputs you can run these directly at 24v with 5kV isolation and all the noise immunity you need and saves all the hassle, adding an optoisolated relay doesn't 'make it better' just less reliable. Noise immunity is only an issue with non-isolated 5v BOB inputs.
.
Incidentally, if that is the circuit on that board then it has a potential noise immunity issue of its own unless used in a 'permanently energised' arrangement. With the diode not energised, the base of the output transistor, say Q1, is floating. Depending on the gain of Q1 a sufficiently large spike could briefly turn the transistor on and energise the relay. It should have a pull-down from the base to ground to prevent charge build-up on the base. A moot point and unlikely but not impossible.Last edited by irving2008; 08-04-2014 at 12:45 PM.
-
08-04-2014 #15
Yes they would work ok provided contacts rating is correct but why not just use a Din rail mounted relay as they have proper clamp terminals and are easy to access and remove.
With relay either put a doide across coil or get the type which have one built in to stop back EMF. I prefer external diode then if it blows I can just change and they cost penny's not pounds like they want to charge extra for built in version.!!
-
08-04-2014 #16
That's coz the diode in the relay is often a high current fast schottky diode with a known clamp voltage and thus guaranteed safe with almost any drive transistor, MOSFET, or IC - while I agree they don't cost £££s they aren't cheap and there's additional testing plus they save assembly and test costs elsewhere. An external diode would almost certainly be an 1N4xxx series of general purpose devices and cost pennies, plus if it gets disconnected more expensive driver could be compromised.
-
08-04-2014 #17Spelling mistakes are not intentional, I only seem to see them some time after I've posted

-
08-05-2014 #18
Few more bits for the upgrade parts.
Left = replaces some wooden parts which held the Z axis stepper motor, plus the Y axis ballscrew nut
Back right = Bracket which connects the new Z plate (20mm aluminium) to the Z ballnut
Front = Bracket which holds the bearing at the lower end of the Z ballscrew. Purpose designed compact unit to limit the amount of Z plate pocketing to retain Z plate stiffness. Machined the bearing pocket with a roughing cut, leaving 0.2mm dia undersize, then finished with full depth cut at final 20mm diameter. Really nice finish. Bearing arrived today (ID6xOD19xdepth6) and is a lovely gentle press fit into the bore. The end of the ballscrew will be turned down to leave a 6mm dia spigot.
As you can see I like to print out some basic drawings with a few key dimensions on as I find this helps overcheck the machining etc. I've also started sketching the outline of the part on the blank with a felt pen to see where it will cut, where to clamp, make sure the machining is occuring roughly where it should be etc. All for now.
-
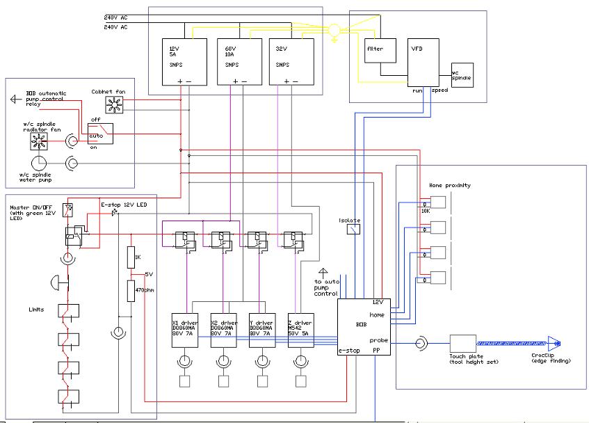
02-06-2014 #19
My VFD being out of action has stopped progress for now. I need to get the machine working to cut out the control panel, and some other parts. Whilst I sort that out I thought I'd keep the log going by showing these bits which arrived a while ago:
DQ860MA drivers for X1, X2, Y (80V 7A) from Wantai
60V 10A power supply for drivers
12V power supply for relays, limits, home
Breakout board ('free' model which came with DQ860MA) - this is pretty basic and has no relays etc.
5off 12v relays with spade terminals - one master, 4 slaves
e-stop panel mount version
master on/off switch with power light
voltmeter (just for show really)
not shown:
Z axis retains existing MD542 driver at around 32v (re-using current bits which work fine)
3off proximity switches for homing
red 12V LED in bezel mount (to show e-stop condition)
Far from complete, here is current wiring layout:
This assumes I upgrade the BoB as:
It is shown controlling the VFD speed
It is shown using BoB to run cooling fan and pump for spindle
It is shown running of 12v (free one is 5V)
Also drawn too many limit switches!Last edited by routercnc; 02-06-2014 at 08:48 PM.
-
25-11-2014 #20
A couple of weeks ago I finished machining the final part for upgrade and disassembled the Y and Z axis. Here are a few photos of the new bits coming together.
1. Z stepper motor mount and side pieces which hold the Y axis ballscrew
2. Z axis main plate
3. Y axis main plate
4. Z axis rails and ballscrew coming together
5. Converted a linear bearing housing to clamp the 80mm spindle (as posted by others on this site)
Removed circlips, knocked out bearing, machined slot in one side, drilled 2 new holes to make 6 in total, counterbored to suit M8, job done.
Plan is to fit 2 long blocks onto the Z axis plate either side of this clamp so that if I ever index it up or down the Z axis it will remain aligned.
Still bits and pieces to tidy up, new spindle strain relief bracket to make, tidy hoses etc. but have already cut out my first new part and it does seem to be cutting better than before.
Might finish this thing one day . . .
Last edited by routercnc; 26-11-2014 at 09:04 PM. Reason: removed superfluous text at the end of the post
Thread Information
Users Browsing this Thread
There are currently 2 users browsing this thread. (0 members and 2 guests)

Reply With Quote


Bookmarks