Thread: routercnc_MK3
Hybrid View
-
09-01-2014 #1
Quick overview of cnc machine mk3 which is nearing completion. Main uses are still balsa, liteply, and wood routing, but I've also been doing more aluminium recently.
Only the Z axis and gantry top from the Y axis have been retained, everything else is new.
Bed
Bed is now 80x80 aluminium profile (heavy gauge) with multiple cross members. One more is due to be added in addition to those shown in the photos, plus further crossbracing in other directions. Intention is to be able to bolt a big machine vice directly to the bed for ali work, and/or purchase a milling table (e.g SIEG 400x125 T-slot) for bigger bits. For wood cutting the bed would instead support an 18mm ply main board followed by a sacrificial board.
Gantry
The sides are 100x50x6 RHS with sliced profile inserts to allow bolting through without crushing. At the base of the gantry is a 30mm thick block drilled lengthways to take the 16mm ballscrews, bolted down onto the bearing blocks, and bolted from the sides to take M12 bolts from the side sections.
There is an adapter plate to join the ballscrew to the front of these blocks. It was quite a squeeze to get all these bits to together without clashing but I'm glad I persisted with the design to get a good joint.
Gantry drive is now twin X axis not single.
The gantry itself now runs on supported rail rather than a cobbled together set of roller bearings. I considered profile rail but at these lengths it gets expensive.
Y axis
This uses the parts from mk2 as they worked well. I've designed the layout to allow me to move the stepper motor to the side and drive the ballscrew via a belt in future. This is mainly for neatness.
Dust extraction
I've posted the details in a recent post but this will be an automatic floating shoe using 100mm clear flex pipe throughout.
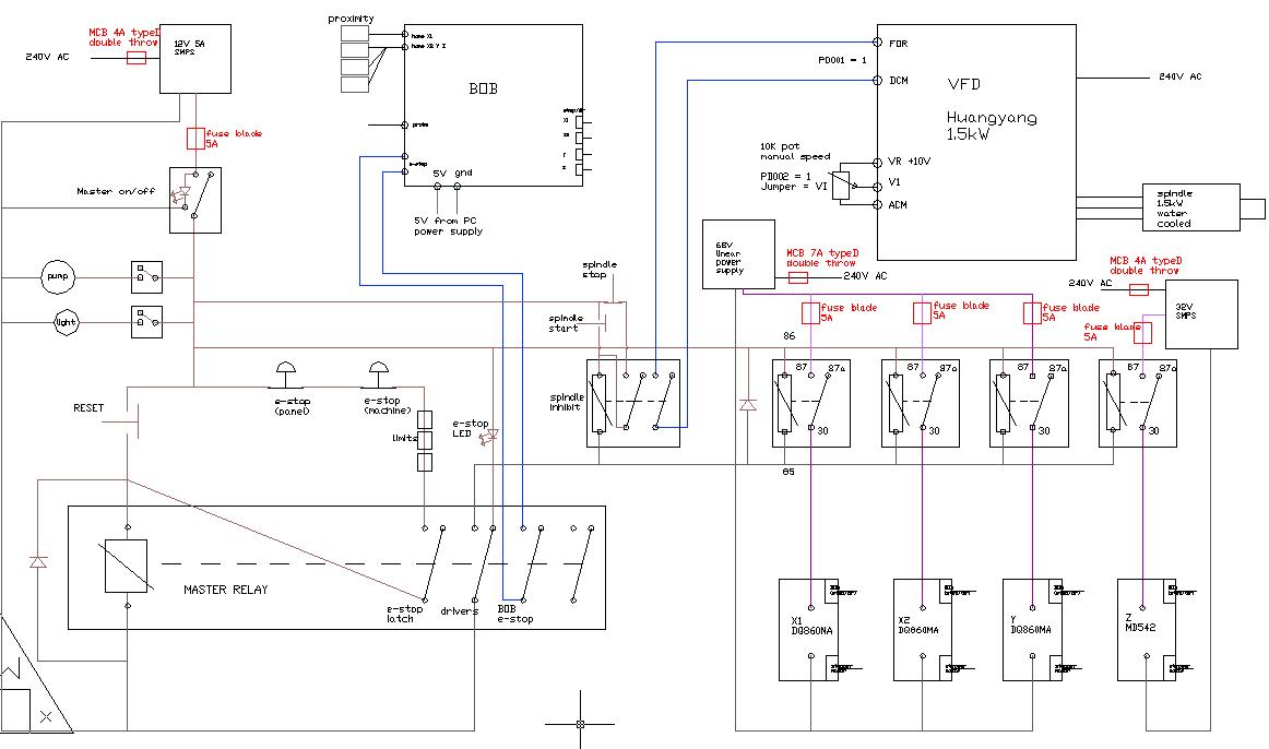
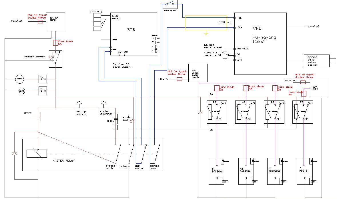
Spindle
Spindle is the existing 1.5kW water cooled unit and 1.5kW Moeller VFD drive. If I were to start again I would go for the 2.2kW spindle as it can take the ER20 collect (up to ~12mm). I stalled the 1.5kW spindle quite often if I slowed the speed enough for drilling so more power would be better and I don't think any extra weight would bother the rest of the machine.
Enjoy the pics . . .
For info the old mk1 and mk2 machines can be found here:
http://www.mycncuk.com/forums/gantry...2-upgrade.html
-
The Following User Says Thank You to routercnc For This Useful Post:
-
09-01-2014 #2
Looks neat and purposeful. Very nice. G.
-
09-01-2014 #3
Looks nice !
Lee
-
26-01-2014 #4
Few more photos to show progress . . . .
General machine is starting to come together. Gantry now fixed squarely onto rails, Y axis and Z axis all wired up and running. Both run beautifully smooth but then they were carried over from the old machine without disturbing them.
Extractor hose upgrade to 100mm. Will use the m/c to make bits for the extractor brackets etc.
Y axis stepper currently mounted on the end of the ballscrew for now. For neatness, and give a bit more space for possible future acoustic enclosure, the layout of the drag chains behind the gantry have space reserved to move the stepper behind the gantry for a belt driven Y axis.
Have just finished wiring new slave driver, and configuration for twin stepper drive. It all works but needs a bit of fettling to get everything aligned.
The X1, Y, Z axes all run from the system3 board, and the slave X2 runs from the A axis output via an M542 stand-alone driver. This is fine except I had to de-tune the X2 axis (M542) as it was more capable then the X1 axis and I clearly don't want an asymetric gantry stall during running (!).
As per a previous post I intend to upgrade all the control system as per Jazz and Jonathan's suggestions to 60V PSU and 80V drivers (DQ860MA are top of the list). Didn't need much pursuading to be honest, especially having now compared the performance of X1 vs X2. I'm still on 26v so expect great things from 60v when I get there!
The bed of the machine will have more crossmembers than currently shown, plus short connecting pieces between the crossmembers in the X direction.
Cooling system on Z axis was a temporary solution several years ago on the previous machine - I intend to re-locate the radiator out of the way, although there is a good chance it will just stay there again !
Still need to wire up the home switches, which were taken off the old machine I but need additional bits for gantry squaring which the old machine didn't need.
The wooden end bearing supports on the end of the bed are temporary - machine will be used to make ali ones. Used like this I suspect the gantry could be driven hard against the wood and break them off, which would be pretty bad! Esp. on 60V.
-
11-02-2014 #5
Brief update.
I've been working on the bed making up brackets and crossmembers. The previous bed was a piece of 18mm ply with very little support. I intend to make this one much better and with the move from single central ballscrew to twin X drive I can now use all the space in the middle.
My chopsaw (with TCT blade) made short work of the aluminium angle brackets (1.25"x1.25"x1/4"), and then on to using the machine for the first time to cut all the holes out.
I had to rig up a quick bed support for the vice to machine the holes.
Putting it together.
The bed assembled . . .
This is a multi-function bed with vice work at one end, flat work in the middle, and limited 'end-on' work at the far end. Or everything can be stripped and a wooden sacrifical bed added.
Running a DTI over the bed (in spindle) shows there is some uneven-ness which was confirmed with a flat edge so I plan to lightly skim it. This will only be as level as the rails allow but will be better than the current condition.
I've taken some machine stiffness measurements but I'll put those in another post later to keep this one for the build.
Thanks for the all positive comments - keeps me going !
-
04-04-2014 #6
One of the ballscrews that I sent away to be straightened was returned some time ago but I've not had much time recently to put it back together (started a post on that subject and will update at some point!). So last weekend I had another session on the machine and took the opportunity whilst refitting the ballscrew to shim both X axis AC bearings and pack in some grease. I also corrected one of the AC bearing pairs which were not face-to-face, but line-astern.
Before the shims were fitted I could grab the ballscrew and move it back and forth ever so slightly, possibly 0.1mm or so, but now it is nice and solid.
I also noticed that the cap head bolts holding the X axis stepper motors on were hard against the laminations of the motor body, preventing the bolts sitting centrally in the mounting hole. This was preventing me from inserting all 4 bolts fully, and putting a twist/offset in the coupling, so I end up drilling out the thread in the mounting bracket to a large clearance hole and using a nut and bolt to secure the motor. The Y axis motor is a different model (but similar spec) and seems to have more clearance for the cap heads and went on without a problem.
After all this work the X axis is now running much more smoothly - a bit more adjustment should have it just right.
With everything looking good I decided to lightly skim the bed frame - see photos below. As my spindle is a 1.5kW model with a maximum collet size of around 6mm it took some time but it's done now.
I've also managed to re-mount the cooling system off the side of the gantry rather than on the Z axis. This was mainly for cosmetic reasons but whilst doing this I had difficulty filling the system and eventually realised that the spindle was blocked. A quick blast of compressed air and all was well. It must have been running like this for some time but I didn't notice the spindle getting warm so I'm clearly not stressing the machine for the little jobs I throw at it. I was going to buy one of those computer water cooling flow indicators (small vaned disc which rotates with the water flow) but noticed that a thin strand of the PTFE tape on the outlet of the spindle connection fluttered about when the pump was started so decided to just look at that instead!
I don't have a detailed photo story of the cooling system relocation but you can see the initial Vs the almost finished layout in these 2 photos:
vs
Now I'm working on replacing the last 2 wooden parts on the machine (Y axis ballnut mounting plate and the Z axis stepper motor plate). The first one should improve Y axis stiffness, and the second one will just make it look nicer.
The other improvement parts in the pipeline are:
Much better Z plate with pockets for the Z ballscrew etc.
Buying one of those SMA50 GUU linear bearings (from Zapp) to convert to an 80mm spindle mount
Long awaited upgrade of the control system to seperate drivers on 60V (from an all-in-one at 27V)
I hope I can stop myself from further upgrades at that point since the machine already cuts through wood, liteply, and balsa with more speed and accuracy than I could ever need. And yet I find myself sketching mk 4 . . . . worrying.
-
04-04-2014 #7
Are you sure you don't mean back-to-back ? see here http://www.mycncuk.com/forums/gantry...html#post56132
Those bearings really do need attention, all the ones I bought had to have the bearings turned, shimmed, and greased.
The cooling system looks far better on the side of the gantry and I like the sound of the cheapo flow indicator.Last edited by EddyCurrent; 04-04-2014 at 10:26 PM.
Spelling mistakes are not intentional, I only seem to see them some time after I've posted
-
05-04-2014 #8
Hi Eddy,
Thanks for the link -I'd missed some of that thread first time around.
I positioned them with the side engraved '7001 AC' touching each other. That face has the outer race 'peened' over as per SKF-fig2 in the link above. If that is the 'back' then yes they are back-to-back.
-
07-04-2014 #9
Finally decided to place an order yesterday for 3off DQ860MA drivers and a 60V 10A supply (Z will use existing MD542). This is from Wantai motors and includes a BoB. I'm going to use this BoB initially and see how it goes. Whilst I'm waiting for those nice new bits to arrive, I'm thinking about upgrading the home/limit system to reduce the false e-stops which very occasionally occur. All limits & homes wire straight into the system3 board currently.
Reading around suggests:
home - proximity switches DIRECT to BoB input (for speed and accuracy)
limit - 24V system though relay then to BoB input (for reducing false e-stops and noise etc)
My question is about the 24V system. I've found a 24V 4-channel relay module board. I intend to use this for limits, probe, and two spare. Questions are:
1. It comes in 'active high' or 'active low' versions. Which one do I need? I'm guessing active low since the 24V would run through the NC switches and into the board so would be 'high' during normal running. When the switch opened the 24V circuit would be broken and go 'low'?
2. In terms of wiring this board looks like it needs 24V DC input, then the switches wire straight into the relay board without any other bits required, and the output contacts wire straight into the BoB without other bits- is this correct?
3. Is this board suitable for this or is there something better?
4-Relay Module with Optocoupler isolation High & Low Level Trigger 5v 9v 12v 24v | eBay
Thanks
-
08-04-2014 #10
I'd like to see a wiring diagram for the board, there's no mention of current limiting resistors, so assume it has some. My guess though is thst active low means pulling the input to ground for current to flow through the opto's diode which is connected to the supply rail and active high means the diode is grounded and a voltage is applied to activate it..
Assuming active low, a 2-wire switch is wired from input to ground, + side to input. An NC switch is always preferred so the relay is always energized and loss of supply or wire break is a fault.
A 3-wire NPN NC switch would be wired to +24v and ground, output to the input.
Similarly on the BOB input, the relay NO connection (as this is closed coz the relay is energized) is used as input to the BOB so again a break in the wiring or relay board is a fault condition.
Whether you need any other bits depends on whether pullup and/or current limiting resistors are in place.
Personally if you have open-ended optoisolated inputs on the BOB (i.e. access to both ends of the diode) the use of an intermediate relay board reduces reliability and adds complexity and cost for no real benefit.
Thread Information
Users Browsing this Thread
There are currently 2 users browsing this thread. (0 members and 2 guests)



Reply With Quote


Bookmarks