Thread: Rotating Ballnut Design MK3
-
15-12-2013 #1
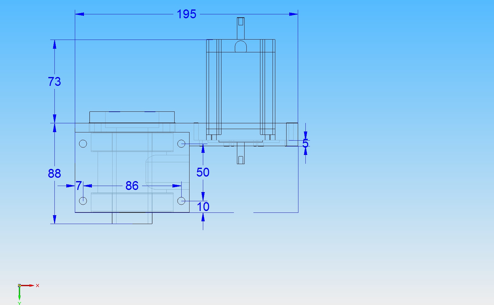
I've just finished making three more rotating nut mounts for someone who spotted the video on YouTube who's making a large machine with two SFE2525 ballscrews and one SFU2010 ballscrew. I simplified the design by changing the housing for a block machined from 4" square aluminium bar, and a separate piece cut on my router for the motor mount.
Some pictures:
Attachment 10994Attachment 10995Attachment 10996Attachment 10997Attachment 10998Attachment 10999Attachment 11000Attachment 11001Attachment 11002Attachment 11003
A video, feedrate displayed assumes connection to 25mm pitch ballscrew:
Drawings:
Attachment 11004Attachment 11005
Attachment 11006
Feel free to copy or modify the drawings and use them to make your own or get the parts machined by your favorite company... I don't mind.Last edited by Lee Roberts; 12-01-2014 at 12:56 AM. Reason: Copyed post, cleaned up to stand solo.
Thread Information
Users Browsing this Thread
There are currently 2 users browsing this thread. (0 members and 2 guests)
Similar Threads
-
Rotating Ballnut - design ideas
By Jonathan in forum Open Source Designs & PlansReplies: 215Last Post: 29-01-2024, 09:27 PM -
Rotating Ball nut
By drumsticksplinter in forum Lead Screws, Nuts & SupportsReplies: 30Last Post: 12-05-2020, 08:01 PM -
Interesting Papers on heavy duty design, vibrations, composites and column design
By D.C. in forum Gantry/Router Machines & BuildingReplies: 15Last Post: 25-06-2016, 10:13 PM -
advice on floating bearing - outer ting rotating
By dsc in forum Lead Screws, Nuts & SupportsReplies: 8Last Post: 18-11-2013, 02:23 PM -
Design help etc required with DIY CNC Router Design / Build
By MikeyC38 in forum Gantry/Router Machines & BuildingReplies: 12Last Post: 21-10-2011, 04:50 PM

Reply With Quote
Bookmarks