Thread: Drawing of water cooled spindle
Threaded View
-
26-08-2011 #1
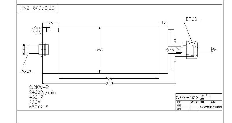
Could anyone help. I need a very basic outline drawing with dimensions of one of the 2.2kw water cooled spindles that are being sold on ebay. I'm trying to develop my concept for a router and this would be a great help.
Thread Information
Users Browsing this Thread
There are currently 1 users browsing this thread. (0 members and 1 guests)
Similar Threads
-
Do you need to water cool erhm a water cooled spindle?!!
By HankMcSpank in forum Generic Chinese SpindlesReplies: 18Last Post: 02-10-2013, 09:59 PM -
Cooling a water cooled spindle, without pipes everywhere & huge water tanks/buckets!
By HankMcSpank in forum Generic Chinese SpindlesReplies: 17Last Post: 18-09-2013, 06:32 AM -
Chinese 2.2 water cooled spindle / Which VFD ?
By dudz in forum Motor Drivers & ControllersReplies: 20Last Post: 16-08-2013, 02:22 PM -
water cooled spindle
By alex wight in forum Generic Chinese SpindlesReplies: 1Last Post: 21-09-2012, 09:57 PM -
water cooled spindle opinions
By phill05 in forum Generic Chinese SpindlesReplies: 7Last Post: 23-02-2012, 05:00 PM



Reply With Quote
Bookmarks