Hybrid View
-
29-09-2014 #1
This might be daft but I'm trying to wire two LED indicators (http://www.farnell.com/datasheets/629825.pdf) and I'm struggling a bit. I've got one which is 230VAC, this is pretty easy as it's simply just wires directly into a 230VAC source, which in my case powers an SPS705 68VDC PSU. The other one was supposed to be used as a DC 'power on' indicator for the 68VDC PSU, so I wanted to wire the 68VDC into a 24VDC version of the indicator. This is what's proving tricky as the voltage is plenty to just dissipate over a resistor. Any ideas on what can be done to drop the 68VDC to 24VDC so it's safe to use on the 24VDC LED indicator?
Regards,
T.
-
29-09-2014 #2
Well a series resistor could be used.. 68-24 = 44v @ 20mA = 44/.02 = 2200ohm and 44 * .02 = 0.88W so need a 2200ohm, 2W resistor.
.
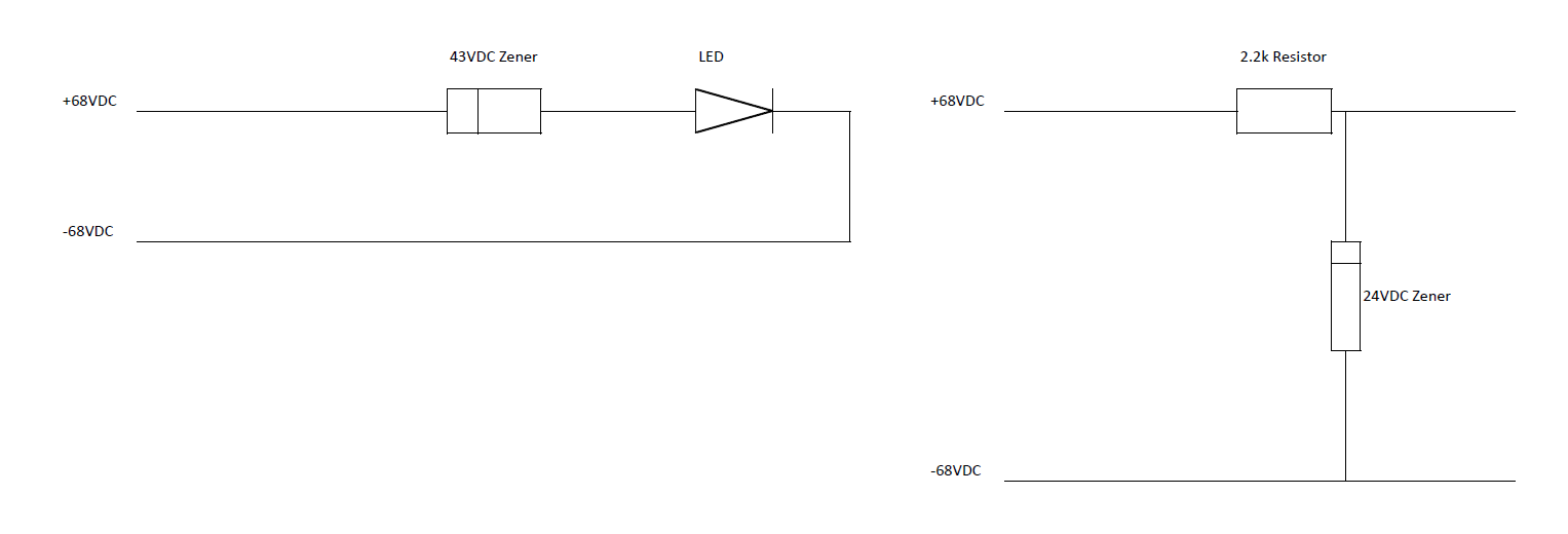
Alternatively could use a 43v zener diode like this which might actually be cheaper since can be bought 1 off whereas resistors generally need to be bought 10 off. When using the zener the end with the band goes to the + side of the supply. Get it the wrong way round and both zener and LED will fry faster than you can say magic smoke!
.
For heat dissipation purposes the zener should ideally be mounted on a bit of single sided circuit board approx. 60mm x 30mm. Make a single 2mm cut across the copper 40mm from one end to create two electrically separate areas. Form the leaas of the zener so it sits flat and solder the lead from the banded end to the larger area, keeping the lead full length. the body of the zener should just straddle the cut. Solder the other lead to the smaller area. If possible mount the board vertically to aid convection.Last edited by irving2008; 29-09-2014 at 04:50 PM.
-
29-09-2014 #3
Last edited by EddyCurrent; 29-09-2014 at 04:05 PM.
Spelling mistakes are not intentional, I only seem to see them some time after I've posted
-
29-09-2014 #4
I thought there's two ways:
I might be wrong though:)
T.
-
29-09-2014 #5
Umm.. the first way is correct - the resistor and zener are interchangeable in this diagram, just different ways to drop the volts.
The second is unnecessary as uses two components when one will do. LED doesn't need regulated supply so the zener is unnecessary.
You could, but convention is that indicators always have one side grounded as often, in times past, the panel was the ground.
Originally Posted by EddyCurrent
You could, but a pain to mount, unless you're CNC'ing the panel and overkill :lol:
Originally Posted by Clive S
-
29-09-2014 #6Mount like thisYou could, but a pain to mount, unless you're CNC'ing the panel and overkill :lol:
..Clive
-
30-09-2014 #7
The second provides a solid voltage on the zener regardless of the load, which is different to a standard resistor divider. I'll go with the first one, it's 36p for the Zener vs. 9p for a resistor but as you said before minimum order quantity is 10 (doesn't really matter as I need to go over £5 for the order anyway).
Those 7seg displays are pretty neat considering the voltage range on them. I'll have to stick with a small LED indicator as I'm tight on space as it is.
T.
-
29-09-2014 #8
These usually take between 12mA and 20mA, as you say a series resistor would do.
Say it's 12mA
R=V/I
(68-24)/0.012 = 3.7 k ohms
watts = IxIxR = 0.54 watts
Say it's 20mA
R=V/I
(68-24)/0.02 = 2.2 k ohms
watts = IxIxR = 0.8 watts
So I'd start with a 3.7k 5watt resistor and measure the voltage across the lamp, if it's too low then try a lower value resistor.
Ah ha, Irving just beat me to it
I chose 5 watts having come through the 'brick shit-house' school of engineering.
Last edited by EddyCurrent; 29-09-2014 at 03:35 PM.
Spelling mistakes are not intentional, I only seem to see them some time after I've posted
-
29-09-2014 #9
Thanks for the replies, I was thinking resistor, but that's a lot of watts, so thought that maybe there's a better idea. Another way of approaching this is ditching the 68VDC and getting a 42VDC as this is for a pretty small Nema 23 (SY57STH56_2004A) with a DM856 driver, this would then mean less dissipation needed, although also means more monies to spend. With the Zener costing 36p I might just give that a go and leave the 68VDC PSU:)
Cheers,
T.
-
29-09-2014 #10
Or you could use one of these:- http://www.amazon.co.uk/99-9V-Digita.../dp/B008KXMNTU ..Clive
Thread Information
Users Browsing this Thread
There are currently 1 users browsing this thread. (0 members and 1 guests)
Similar Threads
-
RFQ: Daft Punk Build
By FIREWIRE in forum Projects, Jobs & RequestsReplies: 0Last Post: 19-04-2013, 02:34 AM -
I promise I will stop asking daft question soon. Ish.
By D.C. in forum Gantry/Router Machines & BuildingReplies: 27Last Post: 15-10-2012, 11:37 PM -
A daft question about vibration damping
By D.C. in forum Gantry/Router Machines & BuildingReplies: 11Last Post: 11-10-2012, 09:57 AM -
NEW MEMBER: Hi there, a new member from Mid-Wales with a couple of daft questions.
By m0nk3hjam in forum New Member IntroductionsReplies: 6Last Post: 17-08-2010, 02:32 AM -
High speed spindle
By leadinglights in forum Tool & Tooling TechnologyReplies: 0Last Post: 27-04-2010, 09:23 PM



Reply With Quote


Bookmarks