Hybrid View
-
10-04-2015 #1
When you press E-stop or the stop button then latch is dropped because power is removed from relay. So in your schematic E-stop and Stop are the same.
Same in Mach3 if you press Stop while machine is moving then consider it just the same as pressing E-stop button. You will lose position and need to Re-home before continuing. Only Feedhold is safe controlled stop.
-
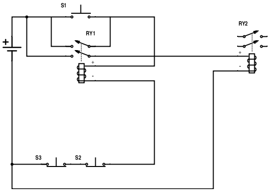
12-04-2015 #2
OK, attached a new version where on pressing the Go/Reset the latch relay joins A-B over the go button to keep the circuit live, and at the same time A-B energizes the DC coil in the Contactor powering the Stepper PSU / VFD. Hitting the E-Stop breaks the 24v circuit and the latch is released along with the contactor?
Does that sound / look about right?
Thanks
-
12-04-2015 #3
Unfortunately that is not going to work. Just wire the contactor coil in parallel with the latch relay coil. Also, put the e-stop switch between the supply positive and the start switch rather than in the negative line. That way, power supply and both relays can have one side to ground which will simplify wiring.
-
12-04-2015 #4
Your offering up very confusing drawings here mate.!! . . . Your last drawing was ok just didn't need a Stop button.?
It's easy really just run 24V thru relay NO contact and then back to relay coil Positive. Then run wire thru Momentery Button(reset) between 24V and Coil positive. You can then run E-stop either in series with positive or Negative wire.
Latch will be made when Momentery reset buttons is pressed and dropped when E-stop is pressed and won't latch again untill e-stop is cleared and Reset button pressed.
Second contact on the Relay can turn on your Contactor. You can also use Another contact to pass Input (+) thru and back to Input (-) to inform software E-stop as happened.!
-
12-04-2015 #5
Thanks, I think i over think things to much, just one query what advantage is the latching relay over just running the 24v circuit through the contactor dc coil?
-
12-04-2015 #6
Well think about just what would happen if you just wired 24V direct thru the E-stop to contactor with nothing else between.!! . . . . . Yes machine would stop when pressed but what would happen when E-stop released and contactor turns back on.?? . . . . . . . . . . . . . . . . Argh crash bang whollop when machine instantly takes off again with no idea where it is or where it's going.!
Yep the drives would turn on and motors would setoff again and because you didn't inform control software E-stop happened then instantly machine would carry on but now with no idea where it is.!!
The whole point of the Latching safety system is to allow a controlled Stop and Safe Re-start.Last edited by JAZZCNC; 12-04-2015 at 04:53 PM.
-
12-04-2015 #7
OK, now that makes sense. So as you suggested run the software Estop loop through the 3rd loop on the contactor, then when the latch is released the contactor cuts power and triggers the software e-stop, and build it as per the first schematic i posted ( less the extra stop button ).
second point, are the MCB's i selected of the correct rating for the intended use?
6A C Type for the 24V/6.5A stepper driver PSU (meanwell spec states 2A/230VAC so should the breaker cover the input Amps or the 24v 6.5A? )
16A C type for 1.5KW VFD ( 1500W @ 240V reads more to 8 AMP? )
2A B Type for the Saftey Circuit 24V/2.5A PSU ( again link the stepper PSU should this be sized for the input A and not the output ?)
Thanks again for your help.
-
15-04-2015 #8
I Have done some digging and have come up with these as the min MCB's required based on 230V calculations:
24V DC PSU ( Latch relay ) - 3A MCB B type- (345W 230v 1.5A)
24V DC PSU ( Steppers ) - 3A MCB B Type - (460W 230v 2A)
VFD - 10A MCP C type - (1500W 230v 6.5A?)
does that sound possible or would it be more of trial and error ie buy a couple of different sizes and try the smallest that does not trip on power up?
Thanks
Thread Information
Users Browsing this Thread
There are currently 6 users browsing this thread. (0 members and 6 guests)
Similar Threads
-
What gauge wire for motors and drivers etc?
By glynster in forum Gantry/Router Machines & BuildingReplies: 8Last Post: 01-03-2015, 01:40 PM -
Mach 3 control panel help
By IanParkin in forum Artsoft Mach (3 & 4)Replies: 19Last Post: 05-09-2014, 04:05 PM -
VFD to motor cable wire size (Gauge)
By artman12us in forum Spindles & Drive MotorsReplies: 2Last Post: 24-04-2014, 07:11 PM -
RFQ: Aluminium Control Panel
By m_c in forum Projects, Jobs & RequestsReplies: 5Last Post: 27-04-2013, 08:46 PM -
30 gauge solid core insulated wire
By Wobblybootie in forum General DiscussionReplies: 8Last Post: 23-06-2010, 10:17 PM




Reply With Quote

Bookmarks