-
16-06-2015 #1
Hi,
So very pleased to start this thread. After my previous thread of 'what decent milling' machine, I found a school owned Triac VMC for sale. After a massive struggle to transport the unit and buying it unseen, it was delivered this morning. The mill was sold with a few extra tools but with a fault that the OS does not boot up. On the basis that I will likely retrofit some / all of the electronics, I considered this in the purchase decision and costing.
Initial thoughts are wow, its massive. Its also fairly heavy, as we had discovered when manually unloading it. The lads had loaded it up the previous day and clearly hadnt learnt about getting an engine hoist or similar to help.
I will upload pics in a bit, but the mill looks fairly clean, little use. I could not lift the front door to see much more as its interlocked and needs power to unlock.
Not a lot of unhappyness, apart from when they left, I tried to close the garage door and could not. Fortunately a bit of an effort and the garage door was closed. There is a bit of damage on the bottom as the machine has been man handled to move it but nothing serious.
The machine has come with more tools than expected and also a semi decent looking vice. I suspect if I add up the tools and few extras, some value already.
What is also included is a lot of the documentation and also very usefully, the wiring diagram.
So, what can I see from the diagram?
Three Phase power (which I dont have), stepped down to 110V and 24V for control.
Servo X Y Z control, not stepper. If the motors are good, this might be very awesome.
The Spindle looks to be DC, running from a 0-10V Analog signal.
The ATC looks to be servo based.
So lots of servos, no steppers. This is a good thing?
So, it might be a CSLabs IP-A controller, try and use the drives, see what I get?
http://www.cs-lab.eu/en/produkt-7,2-...onnectors.html
The coolant pump seems to be the only 3 phase item .... I need to see how I can sort running on an inverter or moving the power to single phase.
Thoughts / comments / discussion welcome. Will post pics in a bit as soon as they are uploaded.Last edited by Chaz; 16-06-2015 at 12:33 PM.
-
16-06-2015 #2
OK, so first pics. There is something missing in the top left of the cabinet ...... and then on the top right of the ATC. Any idea what this could be? The wiring diagram doesn't seem to show what this is (shows as empty in the commissioning data). Will have to trace the wires to see where it goes. The rest look like pneumatic tubes or similar.
-
16-06-2015 #3
OK, this is the ATC wiring diagram. I am assuming that its a servo on the basis that there is some encoder wiring. Would this be correct? The panasonic unit seems to be some form of geared motor.
For the missing bits, the cover of the ATC is off but I dont think anything goes into the cover, not sure, will check when I get home.
-
16-06-2015 #4
These look to be the XYZ drivers. Assuming that they are in working order, are they usable / decent?
http://www.irtsa.com/IMG/pdf/me1300re.pdf
-
16-06-2015 #5
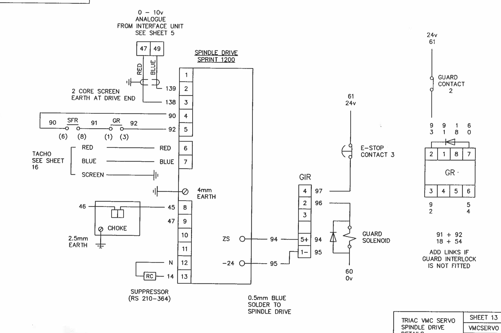
Spindle Controller is http://www.sprint-electric.com/techn...0Man-iss-h.pdf
Sprint 1200.
Any thoughts on the quality of this? Unless its faulty, will aim to reuse this.
-
16-06-2015 #6
Hi Chaz,
Well, looks like a good buy with some nice extras! You don't need power to open the latch, there is a discrete hole somewhere round the back where you can insert a thin rod to activate it. I can't remember exactly where and not at home at the moment to look. I think I probably looked up the latch on the web to find out about it. If I remember I'll have a look at home this evening.
As this mill uses AC servos rather than steppers I suggest that you also join and post an enquiry at the Denford site http://www.denfordata.com. They have the wiring diagrams there and you should be able to get information on the servo drives. If the problem is the PC OS not booting I'd suggest the first place to start is there, and try to see if you can use the mill as-is, if necessary with a new PC.
-
16-06-2015 #7
Thanks. That will be the first attempt. An issue I have is no 3 phase at home. Is it worth buying an inverter if the items might be changed later? From what I can tell from the wiring diagram (which I have), the only thing that runs from 3 phase is the coolant motor and perhaps some of the secondary voltages from a primary fed 3 phase transformer. I need to double check however.
I wasnt aware the PC was 'standard'. Ill research about how to sort, I have a number of older motherboards / ram / CPU that will be more than good enough for this. Also got the original CDs.
This uses the Fanuc system I think? So if I draw something and create the G Code, is this where the post processors come in?
Thanks for your response.
-
16-06-2015 #8
You could probably replace the transformer with a single phase one provided the overall rating is sensible. Or replace the whole PSU.
If it is a DC motor with the usual thyristor controller then that will probably run happily from single phase with some careful re-wiring. Actually checking the manual you referenced above it has a single phase mains connection anyway!
The coolant pump is more of a problem but its power is probably low and you can run 3 phase motors from single phase using some capacitor trickery - or use a cheap inverter - or replace the motor - or dispense with pumped coolant!
-
16-06-2015 #9
Yep, this might not paste well, but apart from coolant pump, nothing else uses 3 Phase.
Control Logic Voltage Current Controller / Driver Comments X Axis +/- 10V 220V IRTA 1306 Y Axis +/- 10V 220V Fuse IRTA 1306 Z Axis +/- 10V 220V IRTA 1306 Spindle 220V 10A Sprint Electric 1200 DC Motor - 12 Amps? ATC Motor 220V 3.15A Coolant 415V Lighting 12V 50VA Monitor 220V
-
16-06-2015 #10
This is the coolant pump. Id like to have this option if I can. Small power, so must be an option to sort this. Id like to upload the schematic (in pdf somewhere) and then link it for reference to anyone interested.
Thread Information
Users Browsing this Thread
There are currently 2 users browsing this thread. (0 members and 2 guests)
Similar Threads
-
FOR SALE: Denford Triac CNC PC
By ricey3 in forum Items For SaleReplies: 6Last Post: 10-01-2017, 01:39 PM -
Help Denford triac p.c.
By mikeulike in forum Denford MillsReplies: 3Last Post: 02-06-2015, 03:59 PM -
eBay: Denford Triac with Mach3 Conversion
By large519 in forum Items On eBay UKReplies: 0Last Post: 29-04-2015, 05:34 PM -
CONVERSION: Denford Triac Mach3 conversion
By rnr107 in forum Conversion Build LogsReplies: 11Last Post: 23-10-2014, 02:44 PM -
WANTED: Denford Triac
By edwardsjc in forum Items WantedReplies: 13Last Post: 20-08-2012, 08:17 AM

Reply With Quote

Bookmarks