-
22-12-2015 #141
Chaps...
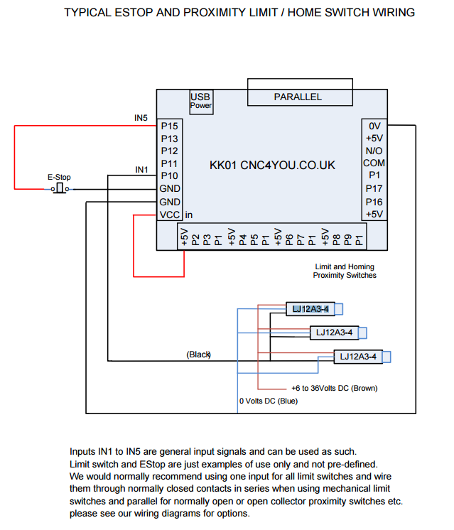
Having problems wiring my 3 wire (blue) prox sensors as per this diagram.
Problem is it dosen't work. There seems to be a light on the Prox sensor, but this does not come on and Mach3 stop is not triggered.
Everything is setup correctly in Mach3...
I am feeding +24 into the brown wire from my 24v PSU.
The blue wire goes to GND on my KK01 BOB.
The black wire goes to pin13 on my KK01 BOB (signal).
I'm guessing that either the blue GND wire need to go to the negative side of the 24 PSU instead of the GND on the BOB ?
Or...
I need to connect the GND on bob to the negative side of the 24v PSU ?
Any help much appreciated.
Cheers Chaps.
-
22-12-2015 #142
I guessed and won.
The ground on the BOB needed to be wired to the 24v negative side. I might actually be learning something here.Last edited by mturneruk; 22-12-2015 at 05:19 PM.
-
22-12-2015 #143
-
03-01-2016 #144
Hey guys....
Somehow mach3 managed to stop driving my A axis in sync with my Y axis.
Luckily i realised before any damage was done I think. i maybe moved the y axis 15mm while the A was stationary.
Here is the sequence of events that led to this.
1. Pressed Home to home the machine.
2. Pressed stop after the Z had homed, during the Y axis homing.
3. Manually Jogged the Y Axis. (A did not move).
Anyone else ever experienced anything like this ?
Seems like a fairly dangerous bug to me...
Cheers
Martin
-
03-01-2016 #145..Clive
The more you know, The better you know, How little you know
-
03-01-2016 #146
It's not so much a bug rather less than perfect way mach homes with slaved motors and your actions while homing.
When homing mach de-couples slaved axis meaning they work as separate axis again. When you interuppted the homing sequence mach is still in de-couple mode so when you jog it only moves that axis, in your case Y.
If you had pushed E-stop and reset mach then this probably wouldn't have happened because the home script would have been cancelled.
However there is a possible work around if you want to prevent it happening.? I haven't tested this but sure it will work.
You can change the homing script and turn off Jogging while homing. To do this use this command at the start and end of the homing script.
DoOEMButton(103)
To do this go to Operator menu and select Edit button script. This will start the Ref-all-home button flashing. Click on it and script editor will open.
Insert DoOEMButton(103) at the beginning and end of the script then save it.
Now it should toggle Jog off while homing and toggle back on when finished. Obvisouly you won't be able to jog if you press stop or cancel homing. Also you may have to turn Jog back on manualy because it won't get toggled back on because the home script didn't finish.
Try it there's nothing to lose.Last edited by JAZZCNC; 03-01-2016 at 02:11 PM.
-
04-01-2016 #147
That's good to know Jazz.
I would describe it as a bug as there should be no way you can end up mashing up the machine regardless of what you do in Mach3.
Obviously i won't do it again.
Cheers
Martin
-
06-01-2016 #148
Hey chaps...
Here is a video build log of the machine and first cuts which were made yesterday.
Thanks for all your help.
https://www.youtube.com/watch?v=vjjTnn1KmRg
Cheers
MartinLast edited by mturneruk; 06-01-2016 at 09:02 AM.
-
The Following User Says Thank You to mturneruk For This Useful Post:
-
06-01-2016 #149
Very Nice Martin its a credit to you.
..Clive
The more you know, The better you know, How little you know
-
08-01-2016 #150
good start to the year! Well done Martin!
-
The Following User Says Thank You to JoeHarris For This Useful Post:
Thread Information
Users Browsing this Thread
There are currently 20 users browsing this thread. (0 members and 20 guests)
Similar Threads
-
Chinese 300W DC spindle - is the spindle shaft grounded?
By HankMcSpank in forum Spindles & Drive MotorsReplies: 44Last Post: 26-11-2016, 07:25 PM -
1.5Kw Chinese Spindle help
By Hasanain in forum Generic Chinese SpindlesReplies: 3Last Post: 26-05-2016, 10:38 AM -
WANTED: 2.2 KW Chinese Spindle
By Chaz in forum Items WantedReplies: 2Last Post: 17-06-2013, 10:03 AM -
Electronics upgrade for an existing machine.
By Shinobiwan in forum Electronic Project BuildingReplies: 9Last Post: 18-03-2012, 04:01 PM -
WANTED: Spindle holder for 1.5kw Chinese spindle.
By jcb121 in forum Items WantedReplies: 19Last Post: 14-10-2011, 02:07 PM

Reply With Quote


Bookmarks