-
29-11-2015 #81
If you run your target bolt head axially on to the sensor, one day you will jog onto it and crush the coil in the head. Put your sensor at right angles to the motion of the axis, so the bolt passes by the sensor. My MD machine was designed with axially mounted sensors. Jeesh !
RobLast edited by cropwell; 29-11-2015 at 03:54 PM.
-
The Following User Says Thank You to cropwell For This Useful Post:
-
29-11-2015 #82
Rob common sense to me and can't believe MD or anyone would position any switch not to mention Prox switches so they could be crashed into.!
Another reason is the sensing repeatabilty is actually better when sliding over rather than approaching head on. Most Quality Prox switches data sheets will give specs on both types of approach.
-
29-11-2015 #83
Common sense because you've researched and tested the answer! I would have thought (probably like a lot of people) that end-on would give better results although I am now quite convinced as a result of your testing demo a while back. I did worry about over-run though, and it's good to know that there's a simple answer.
-
29-11-2015 #84
OK Great. Thanks Jazz.
So hopefully that's the plan sorted now. Reckon I might get stuck along the way, but i will give it a go.
So am i right in saying I need NC ones. So that when it detects something it opens and breaks the circuit ?
I will have to ensure that the aluminium frame of the router won't cause false triggers then on the prox switches.
Does NPN or PNP matter for my purposes ?
Do these look like they will do the job?
http://www.ebay.co.uk/itm/1-5Pcs-Ind...U0u32s_xiK0nkw
Thanks again for all your help. Couldn't of done without it.
Cheers
Martin
-
29-11-2015 #85
It depends on the BOB you are using. the one's you have linked to are about £4 each I have linked to some for £1.41 http://www.ebay.co.uk/itm/1417817891...c=1&rmvSB=true
these are NO so would need to be wired in parallel if you only want to use one input on the BOB for the three switches.
.
If your BOB has hardwired pullups to 5 V you would need NPN type. otherwise either will do.Last edited by Clive S; 29-11-2015 at 08:27 PM.
..Clive
The more you know, The better you know, How little you know
-
29-11-2015 #86
NPN or PNP depends on your control. Nearly all have either +5 or +24V inputs,
for those you need NPN. I have never seen any control unit who works with ground signals. But it must exist, because so many PNP switches are offered.
-
29-11-2015 #87
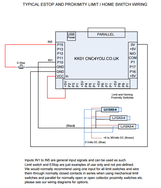
Sorry to be dumb guys but im getting lost within the techno on your answers to my question, I am no electronics engineer!
I found this wiring diagram for my KK01 specifically for prox sensors..
There are also some words underneath which say..
"We would normally recommend using one input for all limit switches and wirethem through normally closed contacts in series when using mechanical limitswitches and parallel for normally open or open collector proximity switches etc. "
Can I just copy this wiring diagram for the sensors and put my 24v in where it says 6-36v?
Any problems with this ? They suggest these prox switches : LJ12A3-4
Cheers
MartinLast edited by mturneruk; 29-11-2015 at 09:20 PM.
-
29-11-2015 #88
Martin The ones I linked to will be fine and yes the drawing is OK If you are going to just use one input.
But do the Estop circuit as you have been advised by Jazz earlier..Clive
The more you know, The better you know, How little you know
-
The Following User Says Thank You to Clive S For This Useful Post:
-
29-11-2015 #89
Thanks. Absolutely!
Last edited by mturneruk; 29-11-2015 at 10:59 PM.
-
30-11-2015 #90
Like Clive says yes you can wire just like that.
Also you use the E-stop portion the same but instead of running thru the E-stop button like they show run it thru the Relay Contacts of the E-stop system I did for you. Then power the Relay coils like I show using the E-stop button.
Thread Information
Users Browsing this Thread
There are currently 6 users browsing this thread. (0 members and 6 guests)
Similar Threads
-
Chinese 300W DC spindle - is the spindle shaft grounded?
By HankMcSpank in forum Spindles & Drive MotorsReplies: 44Last Post: 26-11-2016, 07:25 PM -
1.5Kw Chinese Spindle help
By Hasanain in forum Generic Chinese SpindlesReplies: 3Last Post: 26-05-2016, 10:38 AM -
WANTED: 2.2 KW Chinese Spindle
By Chaz in forum Items WantedReplies: 2Last Post: 17-06-2013, 10:03 AM -
Electronics upgrade for an existing machine.
By Shinobiwan in forum Electronic Project BuildingReplies: 9Last Post: 18-03-2012, 04:01 PM -
WANTED: Spindle holder for 1.5kw Chinese spindle.
By jcb121 in forum Items WantedReplies: 19Last Post: 14-10-2011, 02:07 PM


Reply With Quote

Bookmarks