Thread: Wiring Diagram check
Hybrid View
-
16-01-2016 #1
Last update of the diagrams:
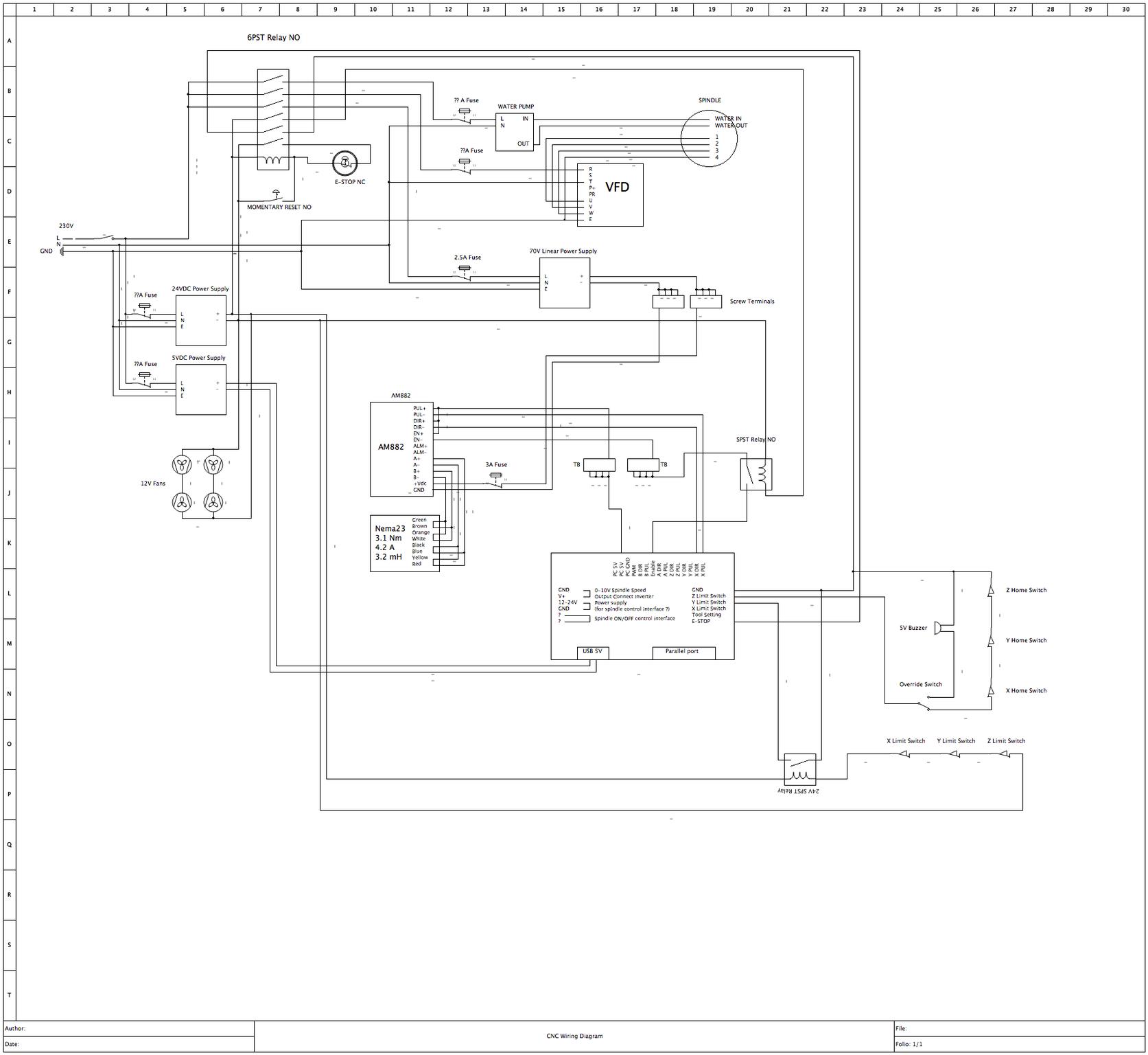
Note: this is a basic wiring diagram.
Potential changes / improvements:
- Some people don't cut power directly from the VFD, they use a the start/stop pin of the VFD control interface and control it with a relay. This is safer for the spindle, it allows the VFD to slow down the spindle gradually without hurting it. if you really want to cut completely power from the VFD, some people (JAZZ apparently) also use a timer relay that delays for a few seconds the power cut to the VFD I'm not sure how to do it, I will look at it some time, and then modify the diagram in consequence.
- Pull earth cable from the star point to the shield of stepper motors and limit switches.
QElectrotech files:
qet-files.zip
Cheers.Last edited by eurikain; 16-01-2016 at 09:25 PM.
-
16-01-2016 #2
No this is wrong you'll use the E-stop more than you realise. It's not always an emergency, sometimes you'll need to use it because you realise your going to hit a clamp or or Screw etc and don't have time to get to Control software to stop in controlled manner.
Who ever quoted me as using Timer relay with VFD is correct but only partly. Mostly I don't Kill power to the VFD I just send it Stop signal.
Again wrong. No matter the cable quality the shield should still go to Star ground. Ethernet cable can still be affected and Using a VFD makes it more important to have good grounding not less improtant.!
-
16-01-2016 #3I think you will use the E-Stop more than you think. I for one would not kill the power to the VFD I would (but I don't) kill it with the stop control pin.Statistically you'll use the E-STOP very few times over the life of your machine (unless you're goofy), so stopping all power going to the VFD won't hurt really.
edit Dean beat me to it.Last edited by Clive S; 16-01-2016 at 08:21 PM.
..Clive
The more you know, The better you know, How little you know
-
16-01-2016 #4
Sounds good, sorry for the misunderstanding. i'll earth everything. Can anyone provide a brief wiring diagram for how to do the trick please ?
-
16-01-2016 #5
-
17-01-2016 #6
I think you mean the 'star ground'. This means all grounds from shields etc. all meet at one point, and this one point is then connected to the ground from your mains cable.
I'm not an electronics whizz but I think the idea is to avoid 'ground loops'.
Here is one of my older diagrams (a few changes since) - see the yellow cables which all join at a single point. This is then connected to the mains cable earth.
Here is a picture of my control cabinet - ground is yellow and green. You can see that all of these cables meet up at a group of terminal blocks that are right next to each other (this is my star ground point). Because they are special earth terminal blocks they also connect to the metal DIN rail underneath which effectively joins them all together at that point. The middle terminal block then has a single wire which goes back out to the mains earth.
Note that my VFD is completely separate (separate mains cable, shielding and earthing), but many people run everything off one socket.
-
05-12-2017 #7
Thanks for an exelent thread!
Will be stealing much from the latest schematic for my own build.
Just have a question :)
Why is the enable signal wired in a relay that's controlled by the master relay?
Why not just use the master relay and skip one relay?
Thanks
Robert
Skickat från min SM-G955F via Tapatalk
-
05-12-2017 #8
looking at diagram in post 42 I have noticed two issues-
I would expect wiring in series a 12V fan & 12V pump across a 24V supply will damage the fan !
( pump will look like a short circuit so most of the 24V will be across the fan )
connecting a diode (FR607 ?) across each stepper driver supply fuse
will provide a path for the back EMF from the stepper motor
when a fuse blows
see revised diagram
JohnLast edited by john swift; 05-12-2017 at 02:52 PM.
-
08-12-2017 #9
-
08-12-2017 #10
I think that the driver output stages have back emf protection, as the first vulnerable components are the switching transistors. I have been unable to find a circuit for that driver, but they are all much of a muchness. A diode across the fuses is belt and braces.
I totally agree about the pump and fan.
Thread Information
Users Browsing this Thread
There are currently 4 users browsing this thread. (0 members and 4 guests)
Similar Threads
-
Which wiring diagram software do you use ?
By eurikain in forum Computer SoftwareReplies: 3Last Post: 11-10-2015, 02:48 PM -
VFD Wiring Diagram
By Tomnewry in forum General ElectronicsReplies: 9Last Post: 14-10-2013, 06:46 PM -
Wiring diagram for 4x4 cnc router
By Danielroyal25 in forum General ElectronicsReplies: 1Last Post: 19-07-2013, 11:14 PM -
NEW MEMBER: Hi, Looking for a wiring diagram, Melbourne
By Sampop in forum New Member IntroductionsReplies: 1Last Post: 28-10-2010, 11:18 AM -
Hardinge hc chucker wiring diagram
By hrdg4me in forum General ElectronicsReplies: 4Last Post: 16-12-2009, 03:57 PM



Reply With Quote


Bookmarks